Автосигнализации Centurion Xsafe Bet - инструкция пользователя по применению, эксплуатации и установке на русском языке. Мы надеемся, она поможет вам решить возникшие у вас вопросы при эксплуатации техники.
Если остались вопросы, задайте их в комментариях после инструкции.
"Загружаем инструкцию", означает, что нужно подождать пока файл загрузится и можно будет его читать онлайн. Некоторые инструкции очень большие и время их появления зависит от вашей скорости интернета.

22
Руководство
по
эксплуатации
и
подключению
.
Октябрь
2008.
CENTURION
XSAFE
BET
Внимание
!!!
Контакты
реле
управления
замками
могут
иметь
оксидную
пленку
,
и
минимальное
значение
тока
,
при
котором
гарантируется
их
надежная
работа
для
приведенных
выше
схем
должно
превышать
100
мА
.
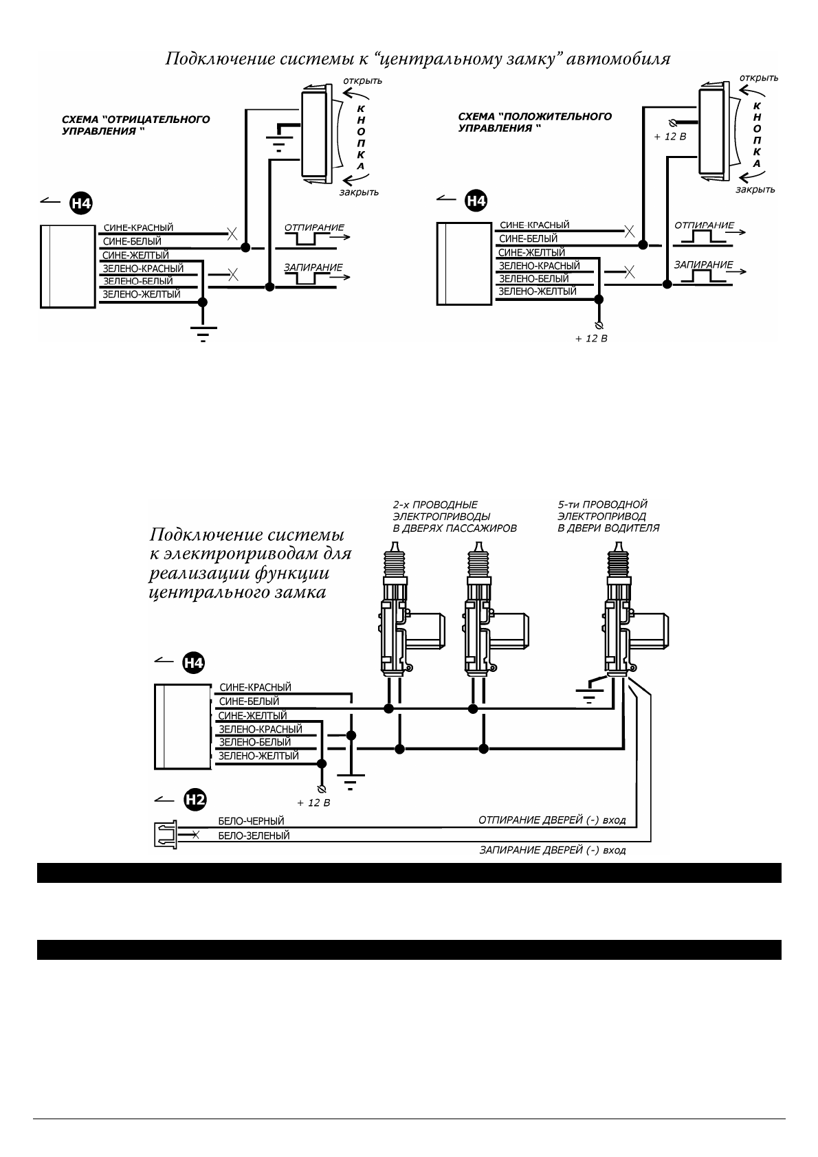
Подключение
к
электроприводам
для
реализации
функции
«
центрального
замка
»
Для
реализации
функции
«
центрального
замка
»
необходимо
установить
в
двери
водителя
пятипроводный
электропривод
(
мастер
-
замок
).
РАЗЪЕМ
H5.
Белый
2-
х
контактный
разъем
светодиодного
индикатора
Светодиодный
индикатор
должен
быть
размещен
в
зоне
наилучшей
видимости
,
та
-
кой
,
например
,
как
верхняя
часть
приборной
доски
,
или
ее
лицевая
поверхность
.
РАЗЪЕМ
H6.
Черный
4 -
х
контактный
разъем
приемопередатчика
системы
Изготовитель
рекомендует
монтировать
передатчик
в
дальнем
верхнем
,
по
отноше
-
нию
к
водителю
,
углу
лобового
стекла
или
на
обратной
стороне
салонного
зеркала
заднего
вида
.
Максимальная
дальность
управления
достигается
при
горизонтальном
расположении
передатчика
(
См
.
рисунок
ниже
).
Помните
,
что
в
состав
тонирующих
покрытий
некоторых
стекол
входят
компоненты
,
экранирующее
или
ослабляющее
излучение
в
радиодиапазоне
.
Такие
случаи
требуют
выбора
другого
места
располо
-
жения
передатчика
.
Характеристики
Остались вопросы?Не нашли свой ответ в руководстве или возникли другие проблемы? Задайте свой вопрос в форме ниже с подробным описанием вашей ситуации, чтобы другие люди и специалисты смогли дать на него ответ. Если вы знаете как решить проблему другого человека, пожалуйста, подскажите ему :)