Страница 3 - РУССКИЙ; Содержание; МЕРЫ ПРЕДОСТОРОЖНОСТИ; Общие функции
3 -RU РУССКИЙ Содержание Инструкция по эксплуатации МЕРЫ ПРЕДОСТОРОЖНОСТИ ВАЖНАЯ ИНФОРМАЦИЯ, ПЕРЕД ИСПОЛЬЗОВАНИЕМ УСТРОЙСТВА ВНИМАТЕЛЬНО ОЗНАКОМЬТЕСЬ С ДАННЫМ РУКОВОДСТВОМ. ....... 8 ПРЕДУПРЕЖДЕНИЕ Пункты по обеспечению безопасности .............................................. 8 ПРЕДУПРЕЖДЕНИЕ ......
Страница 4 - Операция настройки
4 -RU Радио Прослушивание радио ............................... 30Предварительная настройка станций вручную ..................................................... 30 Автоматическая предварительная настройка станций .................................. 30 Вызов предварительно настроенных станций ..........
Страница 6 - Настройка камеры; Работа с устройствами BLUETOOTH; Функция телефона Hands-Free; Дополнительное устройство
6 -RU Удаление всех журналов ........................... 58 Настройка камеры Операции настройки камеры .................. 59Настройка камеры прямого подключения ............................................ 59Настройка входа камеры ...................... 59 Настройка камеры Aux .........................
Страница 8 - Инструкция по эксплуатации; ВАЖНАЯ ИНФОРМАЦИЯ, ПЕРЕД; МЕРЫ; ПРЕДУПРЕЖДЕНИЕ
8 -RU Инструкция по эксплуатации ВАЖНАЯ ИНФОРМАЦИЯ, ПЕРЕД ИСПОЛЬЗОВАНИЕМ УСТРОЙСТВА ВНИМАТЕЛЬНО ОЗНАКОМЬТЕСЬ С ДАННЫМ РУКОВОДСТВОМ. Данное устройство предназначено для обеспечения инструкций, чтобы водитель мог безопасно добраться до требуемого места. Прочтите следующие меры предосторожности и испол...
Страница 9 - НЕ РАЗБИРАТЬ И НЕ ИЗМЕНЯТЬ.; ВНИМАНИЕ
9 -RU УСТАНАВЛИВАЙТЕ ДАННЫЙ ПРОДУКТ ТАКИМ ОБРАЗОМ, ЧТОБЫ ВОДИТЕЛЬ НЕ МОГ ВИДЕТЬ ЭКРАН, ЕСЛИ АВТОМОБИЛЬ НЕ ОСТАНОВЛЕН И НЕ ЗАДЕЙСТВОВАН СТОЯНОЧНЫЙ ТОРМОЗ. Просмотр водителем телевизионных программ или видео в процессе вождения опасен. Неправильная установка этого продукта позволяет водителю просматри...
Страница 10 - ПРИМЕЧАНИЕ
10 -RU ПРИМЕЧАНИЕ Очистка продукта Используйте мягкую сухую ткань для периодической очистки данного продукта. Для удаления более серьезных пятен намочите ткань, используя только воду. При использовании других средств можно растворить краску или повредить пластик. Температура Прежде чем включать устр...
Страница 11 - Принадлежности для дисков; Диски, воспроизводимые; Воспроизводимые диски
11 -RU Принадлежности для дисков На рынке доступны различные принадлежности для защиты поверхности дисков и улучшения качества звучания. Однако большинство из них влияет на толщину и/или диаметр диска. Использование таких принадлежностей может привести к проблемам с эксплуатацией. Не рекомендуется и...
Страница 12 - ALL
12 -RU Диски, воспроизведение которых не поддерживается DVD-ROM, DVD-RAM, CD-ROM (за исключением файлов MP3/WMA/AAC), фото CD и т. д. DualDisc Это устройство не поддерживает стандарт DualDisc.Использование дисков стандарта DualDisc может повредить устройство и привести к повреждению самого диска при...
Страница 13 - Терминология дисков; Обращение с USB-накопителями
13 -RU Использование дисков DVD-R/DVD-RW/DVD+R/DVD+RW • Это устройство поддерживает воспроизведение дисков, записанных в стандартном формате DVD-Video. • Обратите внимание, что нефинализированные диски (созданные для воспроизведения на проигрывателях DVD-дисков только с функцией чтения) не удастся в...
Страница 15 - Свойства
15 -RU Автоматическая смена настроек пользователя На INE-W920R/INE-W928R можно зарегистрировать до двух пользователей.Каждый пользователь может настроить параметры по своему усмотрению.После регистрации на устройстве соответствующего оборудования BLUETOOTH каждый пользователь может определяться авто...
Страница 16 - О двойном экране
16 -RU Простая настройка звука в соответствии с типом автомобиля (i-Personalize) С помощью этой функции можно настроить и воспроизвести наилучшую звуковую среду в автомобиле.На устройстве выберите и установите тип автомобиля/положение руля/тип и размер динамика/материал сидений.Для получения дополни...
Страница 17 - Положение отображения двойного экрана
17 -RU Можно переключить правый и левый экраны перетаскиванием.Для переключения экранов нажмите на центр экрана, который необходимо переместить, и перетащите его в нужное положение. Положение экранов будет изменено при отпускании пальца от экрана. Положение отображения двойного экрана
Страница 18 - Приступая к работе
18 -RU Комплектация • INE-W920R/INE-W928R .....................................................1• Кабель питания ..................................................................1• Винт с плоской головкой (M5 × 8) (только для INE-W920R) ...................................................6 • Винт (M...
Страница 19 - Включение системы
19 -RU Включение системы С системой Alpine, если ключ зажигания находится в положении ACC или ON, то автоматически отобразится начальный экран. 1 При использовании системы впервые отобразится меню выбора языка. Можно выбрать один из 21 языков. Коснитесь кнопки [ ] или [ ] для перемещения по списку, ...
Страница 20 - Загрузка/извлечение диска; Настройка уровня громкости; Загрузка диска
20 -RU Первоначальный запуск системы Обязательно нажимайте кнопку RESET при первом использовании устройства, после замены автомобильного аккумулятора и т. д. 1 Выключите питание устройства. 2 Нажмите кнопку (Открыть панель), чтобы открыть переднюю панель. 3 Нажмите RESET, используя ручку или подобны...
Страница 23 - Использование My Favorites; Регистрация пользователя
23 -RU Использование My Favorites Пример дисплея экрана My Favorites Имя пользователя: отображается имя пользователяЗначок My Favorites: при нажатии значка на экране My Favorites будет выполнен переход к экрану с выбранными приложениями.Кнопка добавления: используйте для добавления (регистрации) зна...
Страница 24 - Настройка My Favorites; Добавление My Favorites
24 -RU Регистрация пользователя 2 7 Нажмите кнопку (My Favorites). Будет закрыт экран My Favorites, снова отобразится исходный экран. 8 Нажмите и удерживайте кнопку (My Favorites) не менее 3 секунд. Отобразится руководство My Favorites. Повторите шаги 2-6 для регистрации пользователя 2. Настройка My...
Страница 25 - Редактирование My Favorites
25 -RU Можно удалить имена в My Favorites или сменить расположение. Коснитесь кнопки [ ]. Отобразится “ ”, включится режим редактирования. • При нажатии [Отмена] выполняется возврат на предыдущий экран без сохранения каких-либо изменений. Изменение имени 1 Нажмите значок, который следует изменить. О...
Страница 26 - Настройка i-Personalize
26 -RU Можно настроить параметры звука в соответствии с типом автомобиля. Нажмите [i-Personalize]. Откроется экран настройки i-Personalize. Звук в вашем автомобиле С помощью этой функции можно настроить и воспроизвести наилучшую звуковую среду в автомобиле. 1 Нажмите [Звук в вашем автомобиле]. Откро...
Страница 28 - Переключение источников; Переключение отображения; Функция отключения экрана
28 -RU Настройка исчезания верхнего и нижнего заголовков Если для параметра “Убирать верх/ниж баннер” установлено значение [ON], верхний и нижний заголовки на экране воспроизведения аудио/видео исчезнут через 5 секунд, если не выполняется никаких действий. Для отображения кнопок нажмите по центру эк...
Страница 29 - Управление касанием; Выбор пункта в списке; О дисплее индикатора
29 -RU Полный экран Управление касанием Системой можно управлять при помощи сенсорной панели на экране. • Чтобы защитить дисплей, аккуратно касайтесь сенсорных кнопок подушечкой пальца. • Если при касании сенсорной кнопки отсутствует реакция, уберите палец с панели и повторите попытку. • Сенсорные к...
Страница 30 - Прослушивание радио; Автоматическая предварительная; Вызов предварительно; Радио
30 -RU Пример основного экрана радио Отображение диапазона частотОтображение частотыКнопка предварительно настроенной частотыРежим SEEK Прослушивание радио 1 Нажмите кнопку (AUDIO). 2 Нажмите кнопку [Radio] в верхнем заголовке. Активируется режим радио и откроется экран режима радио. • Содержимое ра...
Страница 31 - Прием информации о ситуации; RDS
31 -RU Пример дисплея информации RDS Отображение радиотекста (при приеме радиостанции, передающей текстовые сообщения).Индикатор RDS Включение и выключение режима AF (альтернативных частот) RDS (Radio Data System) — это система радиоинформации, использующая под несущую частоту 57 кГц обычного FM-рад...
Страница 33 - Воспроизведение; Повторное воспроизведение
33 -RU Пример основного экрана MP3/WMA/AAC Информационный режим Название композицииИсполнительНазвание альбома№ текущей композиции/общее количество композицийИстекшее время • Если на CD нет текста, появится сообщение “NO TEXT”. Воспроизведение 1 Нажмите кнопку (AUDIO). 2 Нажмите [Disc] в верхнем заг...
Страница 34 - Поиск из текста CD
34 -RU Поиск из текста CD 1 Нажмите кнопку [ (Поиск)] в нижнем заголовке во время воспроизведения. Откроется экран поиска текста CD. 2 Коснитесь выбранного названия дорожки. Начнется воспроизведение выбранной дорожки. • Для получения дополнительной информации по выполнению прокрутки списка см. “Выбо...
Страница 36 - Воспроизведение диска; DVD
36 -RU Пример основного экрана DVD Video Пример главного экрана DivX ® Информационный дисплей 1 DVD-Video:Название заголовка/номер главыDivX ® : Название заголовка/номер файла/номер текущего файла/общее количество файлов в текущей папке Информационный дисплей 2 DVD-Video:Выход аудио сигнала/Подзагол...
Страница 37 - В случае отображения экрана меню
37 -RU 1 Нажмите кнопку (AUDIO). 2 Нажмите [Disc] в верхнем заголовке. Откроется экран режима DISC.Или вставьте диск лицевой стороной вверх. Начнется воспроизведение диска. • В этом устройстве не поддерживается автоматическое воспроизведение обратной стороны двухстороннего диска DVD. Извлеките диск,...
Страница 39 - Поиск нужного видеофайла
39 -RU Выбор папки 3 Нажмите [ ] или [ ] в нижнем заголовке для выбора папки. • Коснитесь [ ] для воспроизведения с первого файла предыдущей папки. Коснитесь [ ] для воспроизведения с первого файла следующей папки. Повторное воспроизведение Используйте эту функцию для повторного воспроизведения эпиз...
Страница 40 - Переключение угла просмотра; Выбор языка звуковой дорожки
40 -RU Переключение угла просмотра Если диск DVD содержит сцены, снятые с разных углов, требуемый угол можно выбрать во время воспроизведения. Нажмите [ANGLE] в нижнем заголовке. Записанные на диск углы просмотра меняются при каждом нажатии кнопки.Если [ANGL] не отображается, нажмите [<<] или ...
Страница 41 - Настройка языка; Настройка; Настройки формата
41 -RU Нажмите значок [SETUP] на экране воспроизведения аудио/видео для отображения главного экрана настройки. Операции по изменению основных настроек 1 Нажмите кнопку [Настройка] в верхнем заголовке. Откроется основной экран Setup. 2 Нажмите [General]. Откроется экран General Setup. 3 Выберите треб...
Страница 42 - Настройки экрана/подсветки; Настройка кода безопасности; Настройка подсветки дисплея
42 -RU Настройка датчика ДУ Выберите параметр [Датчик ДУ] в шаге 3 в меню настройки звука. См. “Операции по изменению основных настроек” (стр. 41).Для дистанционного управления можно использовать датчик внешнего устройства (монитора и т. д.). Элемент настройки: Датчик ДУЗначения: Front (начальная на...
Страница 43 - Визуальная настройка; Изменение цвета дисплея
43 -RU Для цвета дисплея можно установить один из 5 разных цветов. Элемент настройки: Цвет экранаЗначения: Blue (начальная настройка) / Red / Green / Amber / Black Данная настройка необходима в случае несовпадения положений отображаемого на ЖК-дисплее символа и соответствующей ему сенсорной точки. Н...
Страница 45 - Настройка установки; Операции настройки звука; Инициализация системы; Настройка звука
45 -RU Отображение кода отмены регистрации 1 Коснитесь [Информ. о гарантии/правах]. 2 Коснитесь [DivX(R) VOD]. 3 Коснитесь [Deregistration]. Откроется диалоговый экран подтверждения. 4 Коснитесь [OK]. На экране отобразится код отмены регистрации. • По окончании коснитесь кнопки [Отмена] . Если Вы хо...
Страница 46 - Настройка уровня MX (Media; Настройка баланса/фейдера; Настройка фазы сабвуфера
46 -RU Настройка баланса/фейдера/сабвуфера Выберите параметр [Balance/Fader/Subwoofer] в шаге 3 в меню настройки звука. См. “Операции настройки звука” (стр. 45). Коснитесь необходимого пункта в области изображения. Или нажмите [ ] [ ] [ ] [ ]. Balance: L15 – R15Fader: F15 – R15 Можно установить для ...
Страница 47 - Предварительные настройки; Настройка кривой
47 -RU MX Compress Media Корректирует информацию, потерянную при сжатии. Обеспечивает сбалансированный звук с качеством близким к оригиналу. MX AUX/AUX3 Выберите режим MX (сжатие данных, видео или музыка), соответствующий типу используемого носителя. • Для отмены режима MX для всех музыкальных прило...
Страница 52 - Настройка диска; Настройка источника; Изменение настроек языка
52 -RU Операции по изменению настроек источников 1 Нажмите кнопку [Настройка] в верхнем заголовке. Откроется основной экран Setup. 2 Нажмите [ (Источник)]. Откроется экран Source Setup. 3 Выберите требуемый пункт. Элементы настройки:Источник/Диск/Радио/AUX/RSE 4 Коснитесь кнопки [ ] или [ ] и т.д., ...
Страница 53 - Настройка языка субтитров; Изменение режима настроек экрана ТВ
53 -RU Используется для выбора языка субтитров, отображаемых на экране. Элемент настройки: SUBT. Язык субт.Значения: Auto (начальная настройка) / EN / JP / DE / ES / FR / IT / SE / RU / CN • Если выбрать значение “Auto”, будет использоваться первый из записанных языков субтитров. • Для просмотра инф...
Страница 54 - Настройка радио; Настройка Поиска PI
54 -RU 4:3 PAN-SCAN:Выберите это значение при подключении монитора с соотношением сторон 4:3. Изображение будет занимать всю площадь экрана ТВ. Однако из-за несоответствия соотношения cторон, левая и правая части изображения будут скрыты (при воспроизведении фильма с соотношением сторон 16:9). 16:9 ...
Страница 55 - Настройка AUX; Настройка RSE; Настройка режима AUX; Настройка AUX3
55 -RU Настройка AUX Выберите [Aux] в меню настройки источника в шаге 3. См. “Операции по изменению настроек источников” (стр. 52). Элемент настройки: AUX-входЗначения: Off / On (начальная настройка) Если для параметра AUX-вход выбрано значение “ON”, данная функция доступна. Элемент настройки: Имя и...
Страница 56 - Операция настройки BLUETOOTH; Настройка BLUETOOTH
56 -RU Операция настройки BLUETOOTH 1 Нажмите кнопку [Настройка] в верхнем заголовке. Откроется основной экран Setup. 2 Нажмите (BLUETOOTH). Откроется экран BLUETOOTH Setup. 3 Выберите требуемый пункт. Значения: BLUETOOTH / Информ. BLUETOOTH. / Настройка BLUETOOTH-устр. / Автоподключение / Смена пар...
Страница 57 - Настройка автоподключения
57 -RU Удаление устройства BLUETOOTH из списка Можно удалить информацию о ранее подключенных устройствах с поддержкой BLUETOOTH. 1 Коснитесь кнопки [Настройка BLUETOOTH-устр.]. 2 Коснитесь кнопки [Delete] устройства с поддержкой BLUETOOTH, которое требуется удалить из списка парных устройств. 3 Косн...
Страница 58 - Настройка громкости приема
58 -RU Настройка времени для автоматического приема звонка Выберите [Время автоответа] в шаге 3 меню настройки BLUETOOTH. См. “Операция настройки BLUETOOTH” (стр. 56).Когда для параметра “Автоответ” установлено значение “On”, можно настроить, сколько секунд пройдет прежде, чем функция Автоответа при...
Страница 59 - Операции настройки камеры; Настройка камеры прямого; Настройка входа камеры
59 -RU Операции настройки камеры Если подключена приобретаемая дополнительно камера, изображение с нее можно выводить на монитор. Если подключена камера, установите данный параметр. 1 Нажмите кнопку [Настройка] в верхнем заголовке. Откроется основной экран Setup. 2 Нажмите [ (CAMERA)]. Откроется экр...
Страница 60 - Настройка камеры Aux
60 -RU Пример дисплея для режима передней камеры 4 Коснитесь кнопки [ ], [ ], [ ] или [ ], чтобы настроить расположение направляющей. • Кнопка [Clear] очищает настройки и возвращает настройки перед изменением направляющей линии. 5 После завершения настройки коснитесь кнопки [Set]. Одновременная кали...
Страница 62 - Настройка перед использованием; Работа с; О BLUETOOTH
62 -RU Настройка перед использованием BLUETOOTH – это беспроводная технология, которая позволяет устанавливать связь между мобильным устройством или персональным компьютером на небольших расстояниях. С помощью этой технологии можно осуществить вызов по мобильному телефону с использованием функции “С...
Страница 63 - Прием вызова; Настройка громкости рингтона
63 -RU Смена подключенного устройства BLUETOOTH Если в системе зарегистрировано несколько устройств BLUETOOTH, есть возможность менять подключения между зарегистрированными устройствами. 1 Нажмите кнопку (PHONE). Откроется экран меню телефона. 2 Коснитесь [Изменить]. Отобразится экран настроек устро...
Страница 64 - Функция повторного набора
64 -RU 1 Нажмите кнопку (PHONE). Откроется экран меню телефона. 2 Коснитесь . Откроется экран ввода номера. 3 Введите нужный телефонный номер. • Можно ввести не более 31 цифры. 4 Коснитесь кнопки [ ]. 5 Коснитесь [Вызвать]. С этого момента начнется дозвон. Последний набранный номер можно набрать пов...
Страница 65 - Функция телефонной книги; Согласование телефонной книги
65 -RU Функция телефонной книги Пример экрана Phone Book Данный значок отображается в случае, если для абонента зарегистрировано несколько телефонных номеров. Есть возможность согласовать телефонную книгу системы и телефонную книгу мобильного телефона. 1 Нажмите кнопку (PHONE). Откроется экран меню ...
Страница 66 - Аудио BLUETOOTH
66 -RU Назначение с использованием телефонной книги. 1 Нажмите кнопку (PHONE). Откроется экран меню телефона. 2 Коснитесь кнопки [ ]. Отобразится экран телефонной книги. 3 Коснитесь телефонного номера, для которого следует назначить быстрый вызов. Отобразится информационный экран телефонной книги. 4...
Страница 67 - Выбор группы
67 -RU Воспроизведение 1 Нажмите кнопку (AUDIO). 2 Нажмите кнопку [BLUETOOTH-AUDIO] в верхнем заголовке. 3 Нажмите кнопку [ ] или [ ], чтобы выбрать требуемую звуковую дорожку (файл). Возврат к началу текущего файла: Коснитесь кнопки [ ]. Перемотка текущего файла назад: Нажмите и удерживайте кнопку ...
Страница 68 - Работа внешнего DVD-плеера; Дополнительное
68 -RU Работа с дополнительным устройством (приобретается дополнительно) Чтобы управлять устройствами, подключенными к AUX-разъемам INE-W920R/INE-W928R, выполните процедуру, описанную далее. • Установите для параметра AUX-вход значение “On.” См. “Настройка режима AUX” (стр. 55). • В зависимости от п...
Страница 70 - Работа ТВ приемника; Переключение в режим TV
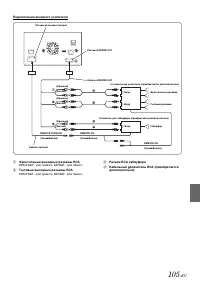
70 -RU Когда отображается экран воспроизведения внешнего DVD-чейнджера, можете коснуться дисплея для отображения операционного экрана. Для получения дополнительной информации о работе DVD-плеера см. руководство пользователя подключенного DVD-чейнджера. • Экран режима работы DVD-CHG. и экран режима у...
Страница 72 - Работа камеры заднего вида
72 -RU Если подключена дополнительная камера, изображение с нее можно выводить на монитор.К данному устройству можно подключать переднюю камеру или камеру заднего вида.В зависимости от камеры сначала выберите способ подключения (Direct или AUX) и тип камеры (Front, Rear или OTHER). Дополнительные св...
Страница 74 - Работа передней камеры
74 -RU Расхождение показаний экранного изображения и реального рельефа дороги Перечисленные ниже условия способствуют расхождениям между показаниями направляющих на экране и фактическим состоянием поверхности дороги. (Изображение на иллюстрациях для случая, когда камера установлена в стандартное пол...
Страница 75 - Работа камеры другого типа
75 -RU 1 Коснитесь экрана, когда отображается изображение с передней камеры. Отобразится операционный экран. • Операционный экран отображается в течение 5 секунд, после этого возобновляется показ изображения с камеры. 2 Коснитесь [Panorama], [Corner] или [Top]. Соответственно меняется ракурс. [Panor...
Страница 77 - Воспроизведение в случайном; Поиск по тегу
77 -RU Воспроизведение в случайном порядке (M.I.X.) Выполнение операции отличается в зависимости от того, каким режимом пользовались для поиска последней аудиозаписи: Поиск по тегу или Поиск папки. Нажмите кнопку [ ] во время воспроизведения. Дорожки (файлы) диска будут воспроизводиться в случайной ...
Страница 78 - Выбор нужной папки
78 -RU Поиск композиции в альбоме исполнителя 1 Нажмите требуемое имя исполнителя. Будут отображены все альбомы выбранного исполнителя. 5 Нажмите название нужного альбома. Будут отображены все композиции из выбранного альбома. 6 Нажмите название нужной композиции. Начнется воспроизведение выбранной ...
Страница 80 - Поиск аудиофайла
80 -RU Воспроизведение 1 Нажмите кнопку (AUDIO). 2 Нажмите кнопку [iPod (Audio or Video)] в верхнем заголовке. Откроется экран режима iPod. 3 Нажимайте [ ] или [ ], чтобы выбрать нужную дорожку (файл). Возвращение к началу текущей дорожки (файла): Коснитесь кнопки [ ]. Перемотка назад: Нажмите и уде...
Страница 82 - О дисках DVD; Информация
82 -RU Обновление программного обеспечения Данное устройство использует программное обеспечение, которое можно обновлять с помощью USB-накопителя. Загрузите программное обеспечение с сайта компании Alpine и установите обновления на устройство с помощью USB-накопителя. Обновление для данного устройст...
Страница 89 - Технические характеристики
89 -RU Технические характеристики МОНИТОР FM-ТЮНЕР MW-ТЮНЕР LW-ТЮНЕР USB-РАЗЪЕМ CD/DVD Частотная Оптический звукосниматель GPS РАЗДЕЛ BLUETOOTH ОБЩИЕ РАЗМЕР КОРПУСА (INE-W920R/INE-W928R) РАЗМЕР ВЫСТУПАЮЩЕЙ ЧАСТИ (INE-W920R/INE-W928R) • Из-за непрерывного совершенствования продукта его технические ха...
Страница 90 - НЕ ЯВЛЯЕТСЯ ОТКАЗОУСТОЙЧИВЫМ.; CLASS 1
90 -RU ВНИМАНИЕ ЛИЦЕНЗИОННОЕ СОГЛАШЕНИЕ КОНЕЧНОГО ПОЛЬЗОВАТЕЛЯ (Microsoft) Данное устройство (“DEVICE”) включает программное обеспечение, лицензированное Alpine Electronics, Inc. (далее “ALPINE”) у филиала Microsoft Corporation (далее “MS”). Установленное программное обеспечение MS, а также связанны...
Страница 93 - РЕГУЛИРУЮЩЕЕ ЗАКОНОДАТЕЛЬСТВО
93 -RU РЕГУЛИРУЮЩЕЕ ЗАКОНОДАТЕЛЬСТВО Данное соглашение должно быть определено законами юрисдикции, в которой получена база данных. Если в данный момент вы находитесь за пределами Европейского Союза или Швейцарии, то будет применяться закон той юрисдикции Европейского Союза или Швейцарии, где была по...
Страница 94 - Установка и соединения; Предупреждение
94 -RU Установка и соединения Чтобы правильно использовать устройство, перед его установкой и подключением ознакомьтесь с информацией из данного руководства, представленной ниже, а также на стр. 8 – 13. Предупреждение ВЫПОЛНЯЙТЕ ПРАВИЛЬНЫЕ ПОДКЛЮЧЕНИЯ. Неправильное подключение может привести к возго...
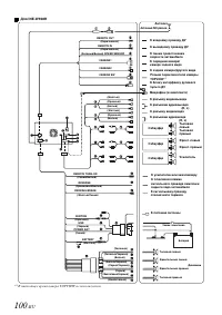
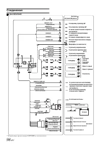
Страница 98 - Соединения
98 -RU Соединения Для INE-W920R * 1 В настоящее время камера TOPVIEW не используется. К выходному проводу ДУ К линии приостановки скорости автомобиля (Коричневый) (Зеленый/Белый) (Синий/Белый) (Синий) (Желтый/Синий) (Желтый) (Черный) К усилителю или эквалайзеру Тыловой левый REMOTE IN SPEED SENSOR C...
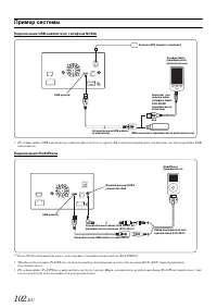
Страница 102 - Пример системы
102 -RU Пример системы Подключение USB-накопителя, телефона NOKIA • Не оставляйте USB-накопитель в автомобиле на долгое время. Высокая температура и влажность могут повредить USB-накопитель. Подключение iPod/iPhone * 1 Если iPod поддерживает видео, используйте удлинительный кабель iPod VIDEO. • Чтоб...