Страница 3 - АНГЛИЙСКИЙ; Содержание; Настройка звука; Регулировка уровней сигналов; Настройка визуального представления; Выбор способа прокрутки текстовых
АНГЛИЙСКИЙ 1 -RU Содержание Руководство по использованию ПРЕДУПРЕЖДЕНИЕ ПРЕДУПРЕЖДЕНИЕ .............................. 3ОСТОРОЖНО .......................................... 3МЕРЫ ПРЕДОСТОРОЖНОСТИ ............ 3 Приступая к работе Список компонентов ................................... 6Включение и вык...
Страница 4 - Внешнее устройство; Подключение к внешнему усилителю; iPod; Воспроизведение в случайном порядке; Информация; Установка и соединения
2 -RU Внешнее устройство Подключение к внешнему усилителю (POWER IC) ............................................. 18 Настройка режима AUX+ ......................... 18 iPod ® (дополнительно) Воспроизведение ........................................ 19Поиск нужной композиции ...................... 19...
Страница 5 - Руководство по использованию; НЕ РАЗБИРАТЬ И НЕ ИЗМЕНЯТЬ.; МЕРЫ ПРЕДОСТОРОЖНОСТИ; Очистка продукта; ПРЕДУПРЕЖДЕНИЕ
3 -RU Руководство по использованию НЕ ПРЕДПРИНИМАЙТЕ НИКАКИХ ДЕЙСТВИЙ, КОТОРЫЕ МОГУТ ОТВЛЕЧЬ ВАС ОТ БЕЗОПАСНОГО ВОЖДЕНИЯ АВТОМОБИЛЯ. Любые действия, отвлекающие внимание на продолжительный срок, должны выполняться только после полной остановки. Перед выполнением таких действий всегда останавливайте ...
Страница 7 - Принадлежности для дисков; О носителях, которые можно проигрывать
5 -RU Принадлежности для дисков На рынке доступны различные принадлежности для защиты поверхности дисков и улучшения качества звучания. Однако большинство из них влияет на толщину и/или диаметр диска. Использование таких принадлежностей может привести к тому, что диск перестанет соответствовать стан...
Страница 8 - Первоначальный запуск системы; Настройка уровня громкости; Приступая к работе
6 -RU Список компонентов • Главный блок....................................................................1 • Кабель питания................................................................1 • Монтажная корзина.........................................................1 • Чехол для переноски ............
Страница 9 - Прослушивание радио; Радио
7 -RU Прослушивание радио 1 Нажмите SOURCE/ , чтобы выбрать режим TUNER. 2 Нажимайте кнопку BAND/TA несколько раз, пока не будет выбран нужный радиодиапазон. F1 (FM1) F2 (FM2) F3 (нижний диапазон) MW LW F1 (FM1) 3 Нажмите TUNE/A.ME, чтобы выбрать режим настройки. DX SEEK (режим приема удаленных ради...
Страница 10 - RDS
8 -RU Установка режима приема RDS и прием RDS-станций RDS (Radio Data System) — это система радиоинформации, использующая поднесущую частоту 57 кГц обычного FM- радиовещания. Функция RDS позволяет принимать различную информацию, например, сведения о трафике (дорожной обстановке), названия станций, и...
Страница 11 - Режим PI SEEK
9 -RU Режим PI SEEK 1 Нажмите и удерживайте кнопку FUNC./SETUP не менее 2 секунд, чтобы выключить режим настройки (SETUP). 2 Нажмите или , чтобы выбрать режим PI SEEK, а затем нажмите / /ENT. 3 Нажмите кнопку или , чтобы выбрать ON или OFF. 4 Нажмите и удерживайте кнопку FUNC./SETUP не менее 2 секун...
Страница 12 - Воспроизведение; Многократное воспроизведение
10 -RU Воспроизведение 1 Вставьте диск лицевой стороной вверх. Диск будет втянут в устройство автоматически, после чего зажигается индикатор “DISC IN”. Если диск уже вставлен, нажмите кнопку SOURCE/ , чтобы переключиться в режим DISC. Режим меняется при каждом нажатии данной кнопки. TUNER DISC iPod ...
Страница 15 - Терминология
13 -RU Скорость передачи битов (битрейт) Это коэффициент сжатия “звука” , указываемый при кодировании. Более высокая скорость передачи битов означает более высокое качество звука, но так же и больший размер файла. Частота дискретизации Это значение показывает, сколько раз в секунду делается выборка ...
Страница 16 - Настройка диапазона низких частот
14 -RU Настройка низких/высоких частот/баланса (между левым и правым каналами)/микширования (между передними и задними каналами)/тонкомпенсации/режима обхода темброблока 1 Несколько раз нажмите AUDIO/RTN, чтобы выбрать нужный режим. При каждом нажатии режим меняется следующим образом: SUBW * 1 BASS ...
Страница 17 - Настройка фильтра высоких частот; Настройка уровня высоких частот
15 -RU Настройка регулировки высоких частот Можно изменить характер выделения высоких частот, чтобы сформировать предпочтительную тональность. 1 Нажмите и удерживайте A.SEL не менее 2 секунд, чтобы активировать режим настройки звука. 2 Несколько раз нажмите A.SEL, чтобы выбрать режим TREBLE. BASS TR...
Страница 18 - Отображение текста; Другие функции
16 -RU Отображение текста Текстовая информация, такая как название диска или фрагмента, отображается в случае проигрывания компакт-диска, поддерживающего текстовую информацию. Кроме того, при проигрывании MP3-файлов на экран можно выводить имя папки, имя файла, содержимое тега и т.д. Нажмите TITLE. ...
Страница 19 - Меню SETUP
17 -RU Устройство можно гибко настроить под свои предпочтения для более удобного использования. Из меню SETUP можно изменить настройки звука, визуального представления и т.д. 1 Нажмите и удерживайте кнопку FUNC./SETUP не менее 2 секунд, чтобы выключить режим настройки (SETUP). 2 Нажмите кнопку или ,...
Страница 22 - Функция прямого поиска
20 -RU • Если в режиме поиска PLAYLIST выбрать элемент “iPod name” , сохраненный в iPod-устройстве, и нажать / / ENT , то можно выполнять поиск по всем композициям из данного iPod-устройства. Кроме того, если нажать и удерживать / / ENT не менее 2 секунд, начнется воспроизведение всех композиций из ...
Страница 24 - При возникновении трудностей; Основные функции
22 -RU При возникновении трудностей При обнаружении проблемы, выключите, а затем включите питание. Если устройство все равно работает неправильно, просмотрите элементы следующего контрольного списка. Данное руководство поможет справиться с проблемой в случае неисправности устройства. В противном слу...
Страница 25 - Звук
23 -RU От динамиков не идет выходной звуковой сигнал. • От внутреннего усилителя устройства не поступает выходной сигнал.- Параметр POWER IC имеет значение “POW ON” (страница 18). Невозможно воспроизведение файлов из iPod- устройства или нет выходного звукового сигнала. • iPod-устройство не распозна...
Страница 27 - Предупреждение; ВЫПОЛНЯЙТЕ ПРАВИЛЬНЫЕ ПОДКЛЮЧЕНИЯ.; Осторожно
25 -RU Установка и соединения Чтобы правильно использовать устройство, перед его установкой и подключением ознакомьтесь с информацией из данного руководства, представленной ниже, а также на страницах 3 и 5. Предупреждение ВЫПОЛНЯЙТЕ ПРАВИЛЬНЫЕ ПОДКЛЮЧЕНИЯ. Неправильное подключение может привести к в...
Страница 28 - Меры предосторожности
26 -RU Меры предосторожности • Перед установкой устройства CDE-9870RE необходимо убедиться в отключении кабеля от отрицательного полюса батареи. Это сводит к минимуму вероятность повреждения устройства в случае короткого замыкания. • Провода с цветовой кодировкой должны подключаться в соответствии с...
Страница 29 - Установка
27 -RU Установка • Основной блок должен быть установлен с наклоном не более 35 градусов по отношению к горизонтальной плоскости. Удаление 1. Удалите съемную переднюю панель. 2. Используя маленькую отвертку (или подобный инструмент), толкайте стопорные штифты, пока они не займут “верхнее” положение (...
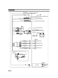
Страница 30 - Соединения
28 -RU Соединения Антенна (Розовый/черный) Audio Interrupt In (Синий/белый) Remote Turn-On (Красный) Ignition (Черный) GND (Синий) Power Ant Battery (Зеленый) (Зеленый/черный) (Серый/черный) (Белый/черный) (Серый) (Фиолетовый/черный) (Фиолетовый) Антенный JASO-разъем Антенный ISO-разъем К телефону а...