ZILON ZTV-5 N1 - Инструкция по эксплуатации

ZILON ZTV-5 N1

Обогреватель ZILON ZTV-5 N1 - инструкция пользователя по применению, эксплуатации и установке на русском языке. Мы надеемся, она поможет вам решить возникшие у вас вопросы при эксплуатации техники.

Если остались дополнительные вопросы — свяжитесь с нами через контактную форму.

1 Страница 1
2 Страница 2
3 Страница 3
4 Страница 4
5 Страница 5
6 Страница 6
7 Страница 7
8 Страница 8
9 Страница 9
10 Страница 10
11 Страница 11
12 Страница 12
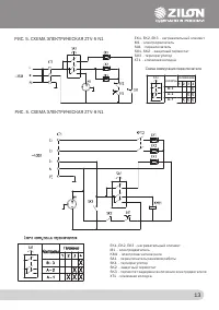
13 Страница 13
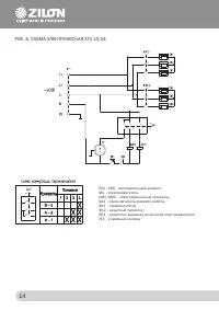
14 Страница 14
15 Страница 15
16 Страница 16
17 Страница 17
18 Страница 18
19 Страница 19
20 Страница 20
21 Страница 21
22 Страница 22
Страница: / 22
Загрузка инструкции

РУКОВОДСТВО ПО ЭКСПЛУАТАЦИИ

ЭЛЕКТРИЧЕСКАЯ ТЕПЛОВАЯ ПУШКА

(ТЕПЛОВЕНТИЛЯТОР ЭЛЕКТРИЧЕСКИЙ)

СЕРИИ БОГАТЫРЬ ЭКО

ZTV-2 N1

|

ZTV-3 N1

|

ZTV-5 N1

|

ZTV-9 N1

|

ZTV-15 N1

"Загрузка инструкции" означает, что нужно подождать пока файл загрузится и можно будет его читать онлайн. Некоторые инструкции очень большие и время их появления зависит от вашей скорости интернета.

Характеристики

Другие модели - Обогреватели ZILON

Все обогреватели ZILON