ZILON ZVV-1.5E18HP - Инструкция по эксплуатации

ZILON ZVV-1.5E18HP

Обогреватель ZILON ZVV-1.5E18HP - инструкция пользователя по применению, эксплуатации и установке на русском языке. Мы надеемся, она поможет вам решить возникшие у вас вопросы при эксплуатации техники.

Если остались дополнительные вопросы — свяжитесь с нами через контактную форму.

1 Страница 1
2 Страница 2
3 Страница 3
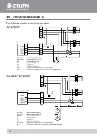
4 Страница 4
5 Страница 5
6 Страница 6
7 Страница 7
8 Страница 8
9 Страница 9
10 Страница 10
11 Страница 11
12 Страница 12
13 Страница 13
14 Страница 14
15 Страница 15
16 Страница 16
17 Страница 17
18 Страница 18
Страница: / 18
Загрузка инструкции

РУКОВОДСТВО ПО ЭКСПЛУАТАЦИИ

ТЕПЛОВЫЕ ЗАВЕСЫ

С ЭЛЕКТРИЧЕСКИМ НАГРЕВАТЕЛЕМ СЕРИИ ЗАСЛОН

ZVV-1.5E18HP

|

ZVV-2E24HP

|

ZVV-2Е36HP

"Загрузка инструкции" означает, что нужно подождать пока файл загрузится и можно будет его читать онлайн. Некоторые инструкции очень большие и время их появления зависит от вашей скорости интернета.

Характеристики

Другие модели - Обогреватели ZILON

Все обогреватели ZILON