ZILON ZVV-0.6Е3M - Инструкция по эксплуатации

ZILON ZVV-0.6Е3M

Обогреватель ZILON ZVV-0.6Е3M - инструкция пользователя по применению, эксплуатации и установке на русском языке. Мы надеемся, она поможет вам решить возникшие у вас вопросы при эксплуатации техники.

Если остались дополнительные вопросы — свяжитесь с нами через контактную форму.

1 Страница 1
2 Страница 2
3 Страница 3
4 Страница 4
5 Страница 5
6 Страница 6
7 Страница 7
8 Страница 8
9 Страница 9
10 Страница 10
11 Страница 11
12 Страница 12
13 Страница 13
14 Страница 14
15 Страница 15
16 Страница 16
17 Страница 17
18 Страница 18
Страница: / 18

Содержание:

  • Страница 3 – ТАБЛИЦА 1
  • Страница 4 – ТАБЛИЦА 2; ТЕХНИЧЕСКИЕ ДАННЫЕ; Технические данные тепловентилятора указаны в таблице 2.; УСТРОЙСТВО И ПРИНЦИП РАБОТЫ
  • Страница 5 – ПОДГОТОВКА К РАБОТЕ; ТАБЛИЦА 3
  • Страница 7 – ТРЕБОВАНИЯ БЕЗОПАСНОСТИ
  • Страница 8 – услугами квалифицированного специалиста или сервис-центра.
  • Страница 9 – Перечень возможных неисправностей приведен в таблице 4.; ТАБЛИЦА 4
  • Страница 10 – мается с бесплатного гарантийного обслуживания.
  • Страница 11 – УТИЛИЗАЦИЯ ПРИБОРА; Товар сертифицирован на территории Таможенного союза органом
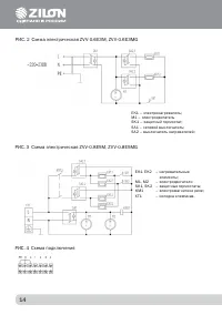
  • Страница 13 – РИС. 4 Схема подключения
  • Страница 14 – ГАРАНТИЙНЫЙ ТАЛОН; ПОЗДРАВЛЯЕМ ВАС С ПРИОБРЕТЕНИЕМ!
  • Страница 16 – сохраняется у покупателя; на гарантийное обслуживание
Загрузка инструкции

РУКОВОДСТВО ПО ЭКСПЛУАТАЦИИ

ТЕПЛОВЫЕ ЗАВЕСЫ С ЭЛЕКТРИЧЕСКИМ

НАГРЕВАТЕЛЕМ СЕРИИ ПРИВРАТНИК 2.0

ZVV-0.6Е3M

|

ZVV-0.8Е5M

|

ZVV-0.6Е3MG

|

ZVV-0.8Е5MG

"Загрузка инструкции" означает, что нужно подождать пока файл загрузится и можно будет его читать онлайн. Некоторые инструкции очень большие и время их появления зависит от вашей скорости интернета.

Краткое содержание

Страница 3 - ТАБЛИЦА 1

4 1. ОБЩИЕ УКАЗАНИЯ 2. КОМПЛЕКТНОСТЬ 1.1. Перед началом работы с тепловентилятором настоятельно рекомендуем ознако-миться с настоящим Руководством. 1.2. Тепловые завесы ZVV-0.6Е3M, ZVV-0.8Е5M, ZVV-0.6Е3MG, ZVV-0.8Е5MG (далее по тексту «завеса») предназначены для создания узконаправленного воздуш-ног...

Страница 4 - ТАБЛИЦА 2; ТЕХНИЧЕСКИЕ ДАННЫЕ; Технические данные тепловентилятора указаны в таблице 2.; УСТРОЙСТВО И ПРИНЦИП РАБОТЫ

5 ТАБЛИЦА 2 3. ТЕХНИЧЕСКИЕ ДАННЫЕ 3.1. Технические данные тепловентилятора указаны в таблице 2. Наименование Модель  ZVV-0.6Е3M  ZVV-0.6Е3MG  ZVV-0.8Е5M  ZVV-0.8Е5MG Номинальное напряжение, В/ частота, Гц 220 / 50 Номинальная мощность, кВт*: Режим «Вентиляции» 0,07 0,1 Режим «1» 1,5 2,5 Режим «2» 3,...

Страница 5 - ПОДГОТОВКА К РАБОТЕ; ТАБЛИЦА 3

6 РИС. 1 Тепловая завеса* 1 – корпус;2 – передняя перфорированная стенка корпуса; 3 – решетка ;4 – блок управления 5 – верхняя перфорированная стенка корпуса; * Дизайн приобретенного Вами прибора может отличаться от приведенного образца. 5. ПОДГОТОВКА К РАБОТЕ 5.1. При установке, монтаже и запуске в...

Характеристики

Другие модели - Обогреватели ZILON

Все обогреватели ZILON