Yamaha PC6501N - Инструкция по эксплуатации

Yamaha PC6501N

Усилитель Yamaha PC6501N - инструкция пользователя по применению, эксплуатации и установке на русском языке. Мы надеемся, она поможет вам решить возникшие у вас вопросы при эксплуатации техники.

Если остались дополнительные вопросы — свяжитесь с нами через контактную форму.

1 Страница 1
2 Страница 2
3 Страница 3
4 Страница 4
5 Страница 5
6 Страница 6
7 Страница 7
8 Страница 8
9 Страница 9
10 Страница 10
11 Страница 11
12 Страница 12
13 Страница 13
14 Страница 14
Страница: / 14

Содержание:

  • Страница 2 – C A U T I O N; Значение символов; ВАЖНЫЕ ПРАВИЛА ТЕХНИКИ БЕЗОПАСНОСТИ
  • Страница 3 – МЕРЫ ПРЕДОСТОРОЖНОСТИ; ПРЕДУПРЕЖДЕНИЕ
  • Страница 4 – Введение; Содержание
  • Страница 5 – Передняя панель; Управление и функции
  • Страница 6 – Задняя панель
  • Страница 7 – Типы подключения громкоговорителей; Схемы подключения для режимов STEREO и PARALLEL.; Схемы подключения для режима BRIDGE
  • Страница 8 – Разъем типа Euroblock; Подсоединение; Подключение громкоговорителей; Вилки Neutrik NL4FC
  • Страница 9 – Вентиляция; Вид; Монтаж устройства в стойке
  • Страница 10 – Технические характеристики; Основные технические характеристики
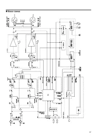
  • Страница 13 – Устранение неполадок; Характеристики усилителей
Загрузка инструкции

1

RU

УСИЛИТЕЛЬ МОЩНОСТИ

Руководство пользователя

"Загрузка инструкции" означает, что нужно подождать пока файл загрузится и можно будет его читать онлайн. Некоторые инструкции очень большие и время их появления зависит от вашей скорости интернета.

Краткое содержание

Страница 2 - C A U T I O N; Значение символов; ВАЖНЫЕ ПРАВИЛА ТЕХНИКИ БЕЗОПАСНОСТИ

2 CAUTION: TO REDUCE THE RISK OF ELECTRIC SHOCK, DO NOT REMOVE COVER (OR BACK). NO USER-SERVICEABLE PARTS INSIDE. REFER SERVICING TO QUALIFIED SERVICE PERSONNEL. C A U T I O N RISK OF ELECTRIC SHOCK DO NOT OPEN 1. Ознакомьтесь с данным руководством. 2. Сохраните данное руководство. 3. Обратите внима...

Страница 3 - МЕРЫ ПРЕДОСТОРОЖНОСТИ; ПРЕДУПРЕЖДЕНИЕ

3 МЕРЫ ПРЕДОСТОРОЖНОСТИ ПОЖАЛУЙСТА, ВНИМАТЕЛЬНО ОЗНАКОМЬТЕСЬ, ПРЕЖДЕ ЧЕМ ОБРАТИТЬСЯ К ДРУГИМ РАЗДЕЛАМ * Сохраните данное руководство пользователя для обращения к нему в будущем. ПРЕДУПРЕЖДЕНИЕ Всегда соблюдайте основные меры предосторожности, указанные ниже. Это поможет предотвратить серьезные увечь...

Страница 4 - Введение; Содержание

4 Благодарим Вас за покупку усилителя мощности серии PC 9501N, PC 6501N, PC 4801N, PC 3301N, PC 2001N. Усилители мощности серии PC разработаны компаниейYamaha на основе ее богатого опыта по созданию подобных устройств. Каждому элементу схемотехники устройства уделяется отдельное внимание. Эти высоко...

Характеристики

Другие модели - Усилители Yamaha

Все усилители Yamaha