Водонагреватели Vektor LUX ECO 20-2 Пальмы - инструкция пользователя по применению, эксплуатации и установке на русском языке. Мы надеемся, она поможет вам решить возникшие у вас вопросы при эксплуатации техники.
Если остались вопросы, задайте их в комментариях после инструкции.
"Загружаем инструкцию", означает, что нужно подождать пока файл загрузится и можно будет его читать онлайн. Некоторые инструкции очень большие и время их появления зависит от вашей скорости интернета.
Загружаем инструкцию

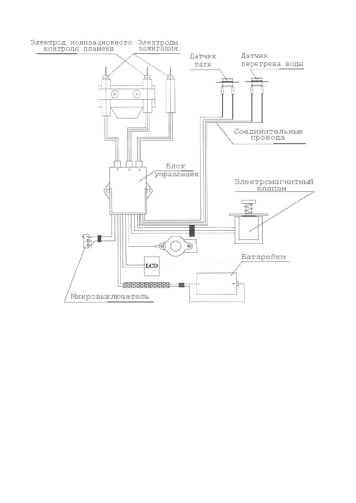
2.5 Схема электрическая
Рис. 2. Схема электрическая
8
Содержание
- 2 БЫТОВОЙ ГАЗОВЫЙ ПРОТОЧНЫЙ ВОДОНАГРЕВАТЕЛЬ С; VEKTOR LUX E; CO; модель
- 4 СОДЕРЖАНИЕ
- 5 УКАЗАНИЯ МЕР БЕЗОПАСНОСТИ; Для оказания первой помощи необходимо:
- 6 ОПИСАНИЕ И РАБОТА ИЗДЕЛИЯ; Назначение изделия; Таблица 1
- 7 Описание аппарата и назначение основных узлов
- 13 ПОРЯДОК УСТАНОВКИ; менее 8 м
- 14 Подключение воды; Течь в; должен быть
- 15 Рис. 4. Требования к монтажу гибких шлангов; применять промежуточные опоры при установке длинных шлангов:
- 16 Таблица 3 Правила монтажа гибких шлангов; Подключение газа; Неправильно
- 17 Подключение аппарата к баллону со сжиженным газом; том, что Ваш аппарат настроен на работу со сжиженным газом.; Установка дымохода для отвода продуктов сгорания; ) вверх по направлению к месту
- 19 ИСПОЛЬЗОВАНИЕ АППАРАТА; Включение аппарата
- 20 необходимо слить воду из аппарата следующим образом:; ТЕХНИЧЕСКОЕ ОБСЛУЖИВАНИЕ; Ежедневно перед включением аппарата:
- 21 Техническое обслуживание; При техническом обслуживании выполняются следующие работы:
- 23 батареек и электрические контакты батарейного отсека.; Таблица 4
- 24 0 ПРАВИЛА ХРАНЕНИЯ; указанном на манипуляционных знаках.; 1 ГАРАНТИЙНЫЕ ОБЯЗАТЕЛЬСТВА; специальное обучение и имеющими допуск к данным видам работ.
- 25 2 СВИДЕТЕЛЬСТВО О ПРИЕМКЕ; Штамп магазина
- 26 Техническое обслуживание проведено:
- 28 ГАРАНТИЙНЫЙ ТАЛОН; ТАЛОН No1; на гарантийный ремонт водонагревателя проточного
- 30 ТАЛОН No2
- 32 ТАЛОН No3