Водонагреватели PHILIPS AWH1617/51(80YB) - инструкция пользователя по применению, эксплуатации и установке на русском языке. Мы надеемся, она поможет вам решить возникшие у вас вопросы при эксплуатации техники.
Если остались вопросы, задайте их в комментариях после инструкции.
"Загружаем инструкцию", означает, что нужно подождать пока файл загрузится и можно будет его читать онлайн. Некоторые инструкции очень большие и время их появления зависит от вашей скорости интернета.

30
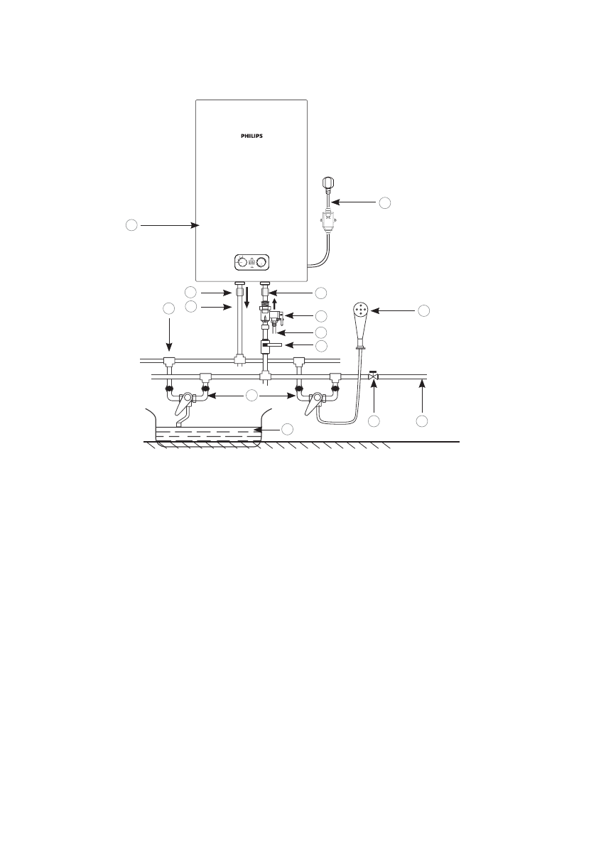
Способ монтажа водонагревателя для нескольких точек потребления представлен на рис 4
Рис 4
1 Сетевой шнур с вилкой и УЗО
2 Смонтированный водонагреватель
3 Комбинированный предохранительный клапан
4 Кран входа холодной воды*
5 Смеситель*
6 Душевая насадка*
7 Отсечной кран водопроводной магистрали*
* Не входит в комплект поставки
8 Сливная трубка
9 Водопроводная магистраль
10 Ванна*
11 Тройник*
12 Входной патрубок
13 Выходной патрубок
14 Диэлектрическая муфта Static CARE
Холодная вода
1
2
5
7
6
3
12
8
4
9
10
13
14
11
OptimalTEMP
Содержание
- 26 Используемые обозначения
- 27 Правила безопасности
- 29 Устройство прибора
- 30 Технические характеристики
- 31 Установка; Способы монтажа водонагревателя
- 33 Монтаж
- 34 Подключение к электрической сети
- 35 Эксплуатация
- 36 Установка температуры нагрева воды; Выключение
- 37 Обслуживание
- 40 Сертификация продукции; Товар соответствует требованиям:; ИНФОРМАЦИЯ О ПРОВЕДЕНИИ
- 42 ГАРАНТИЙНЫЕ ОБЯЗАТЕЛЬСТВА
Характеристики
Остались вопросы?Не нашли свой ответ в руководстве или возникли другие проблемы? Задайте свой вопрос в форме ниже с подробным описанием вашей ситуации, чтобы другие люди и специалисты смогли дать на него ответ. Если вы знаете как решить проблему другого человека, пожалуйста, подскажите ему :)