Водонагреватели De Dietrich BLC 200 7610709 - инструкция пользователя по применению, эксплуатации и установке на русском языке. Мы надеемся, она поможет вам решить возникшие у вас вопросы при эксплуатации техники.
Если остались вопросы, задайте их в комментариях после инструкции.
"Загружаем инструкцию", означает, что нужно подождать пока файл загрузится и можно будет его читать онлайн. Некоторые инструкции очень большие и время их появления зависит от вашей скорости интернета.

15
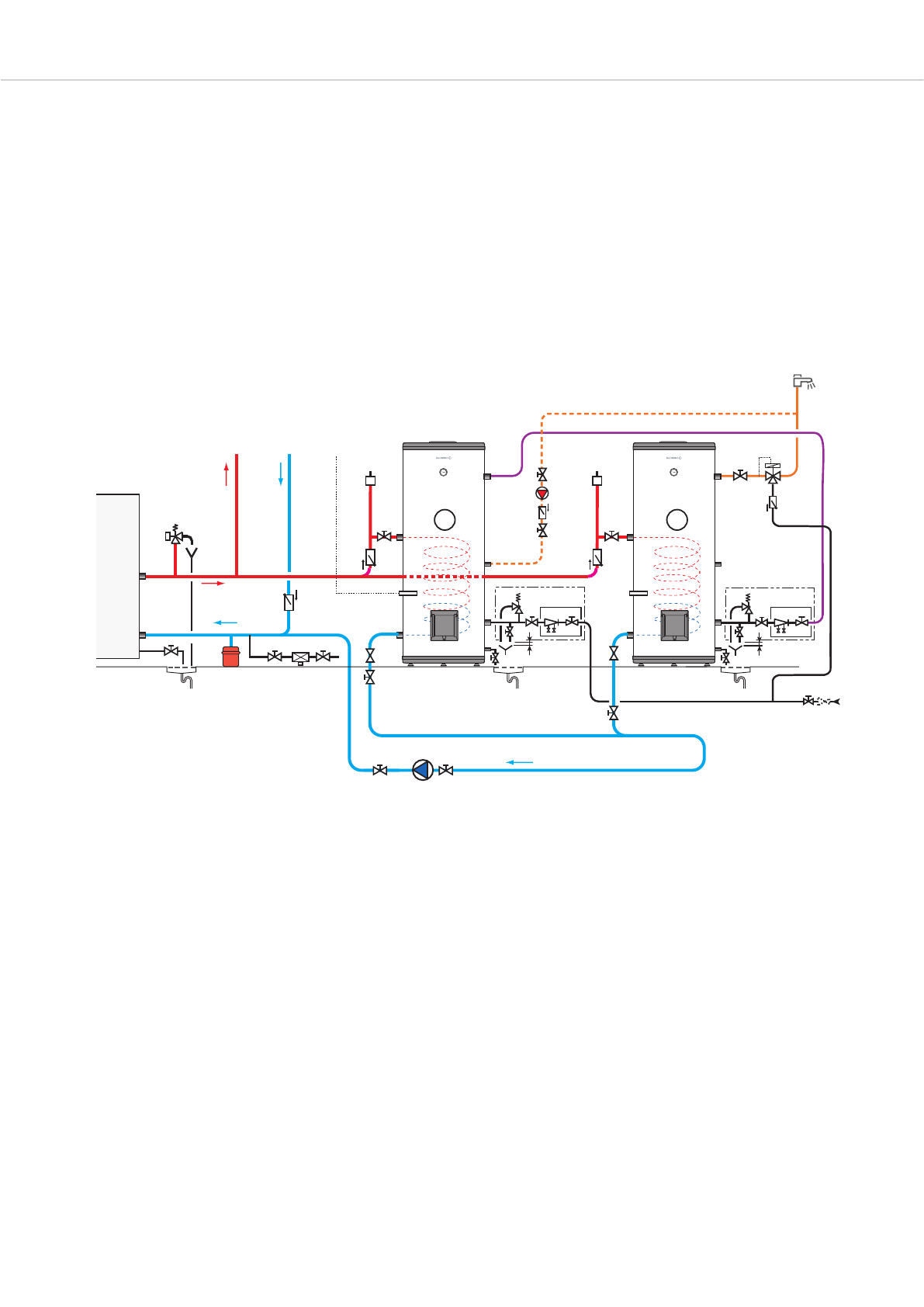
б) Гидравлическое подключение первичного контура (теплообменники)— параллельное, вторичного (ГВС)— последовательное
EA
9*
2 cm
55*
17*
17
17
17
17
53*
EA
9*
2 cm
55*
17*
53*
EA
9*
2 cm
55*
17*
53*
EA
9*
2 cm
55*
17*
53*
8980F313B
56
57
57
57
57
32
9
9
9
56
7
50 18
17
9
9
9
9
9
9
27
33
25
25
24
27
24
27
37
9
37
9
9
9
37
9
37
16
3
1
2
4
7
9
28
29
(54)
(54)
7
50 18
17
9
9
9
9
9
9
27
25
25
24
27
27
27
24
27
16
3
1
2
4
7
9
28
29
(54)
(54)
26
B
A
26
109
109
32
9
27
27
33
8980F313B
Этот тип подключения рекомендуется, когда требуется обе-
спечить пиковую нагрузку водонагревателя, избегая любого
смешения на выходе из водонагревателей, которое может
возникнуть из-за разбалансировки гидравлических конту-
ров ГВС.
Установка датчика температуры
Датчик температуры должен быть установлен в водонагре-
ватель «А».
Замечание:
необходимо предусмотреть устройство регу-
лирования температуры горячей санитарно-технической
воды (смеситель) на выходе из водонагревателя «В». Кро-
ме неточности гидравлической балансировки первичного
контура, которая может привести к перегреву водонагре-
вателя «В», необорудованного датчиком температуры, по-
следовательное подключение вторичного контура может
привести к необходимости нагрева воды в водонагревателя
«А», в то время как в водонагревателе «В» она еще горячая.
1
Подающая труба системы
отопления
2
Обратная труба системы
отопления
3
Предохранительный клапан
на 3 бара
4
Манометр
7
Автоматический воздухоотводчик
9
Запорный вентиль
16
Расширительный бак
17
Сливной вентиль
18
Заполнение системы отопления
24
Вход первичного контура
(теплообменника)
водонагревателя
25
Выход первичного
контура (теплообменника)
водонагревателя
26
Загрузочный насос
водонагревателя
27
Обратный клапан
28
Вход холодной санитарно-
технической воды
29
Редуктор давления, если
давление сети больше 5,5 бар
32
Рециркуляционный насос контура
ГВС (необязательно)
33
Датчик ГВС
37
Балансировочный вентиль
50
Обратный клапан
53
Запорный блок типа ЕА
(запорный вентиль + обратный
клапан)
54
Устройство для сброса
избыточного давления типа YA
55
Опломбированный
предохранительный
мембранный клапан
56
Обратная линия
циркуляционного контура ГВС
57
Выход горячей воды
58
Отверстие, закрытое заглушкой
109
Термостатический смеситель
Условные обозначения
ПРИМЕРЫ УСТАНОВОК
Содержание
- 2 ОПИСАНИЕ СЕРИИ
- 3 ВЫБОР ВОДОНАГРЕВАТЕЛЯ
- 4 рывного режима работы приведены на стр. 5
- 5 РАБОЧИЕ ХАРАКТЕРИСТИКИ И ПОТЕРИ ДАВЛЕНИЯ BPB 150...500; На диаграммах показаны характеристики непрерывного; Примеры использования диаграмм
- 6 рывного режима работы приведены на стр. 7.
- 8 ехнические
- 9 арактеристики
- 10 остав; Обшивка HR
- 12 НЕОБХОДИМЫЕ РЕКОМЕНДАЦИИ ПО УСТАНОВКЕ
- 13 ПРИМЕРЫ УСТАНОВОК; Внимание
- 14 Установка датчика температуры
- 16 Представительство DE DIETRICH THERMIQUE; Пример 1; Таблица 1. Минимальное время ежедневного повышения; Пример 2. Емкости для хранения в распределительной сети