Водонагреватели Bosch WRD15-2 G/G23 - инструкция пользователя по применению, эксплуатации и установке на русском языке. Мы надеемся, она поможет вам решить возникшие у вас вопросы при эксплуатации техники.
Если остались вопросы, задайте их в комментариях после инструкции.
"Загружаем инструкцию", означает, что нужно подождать пока файл загрузится и можно будет его читать онлайн. Некоторые инструкции очень большие и время их появления зависит от вашей скорости интернета.

7
Данные о приборе
Therm 6000 O – 6 720 608 984 (2020/09)
2.8
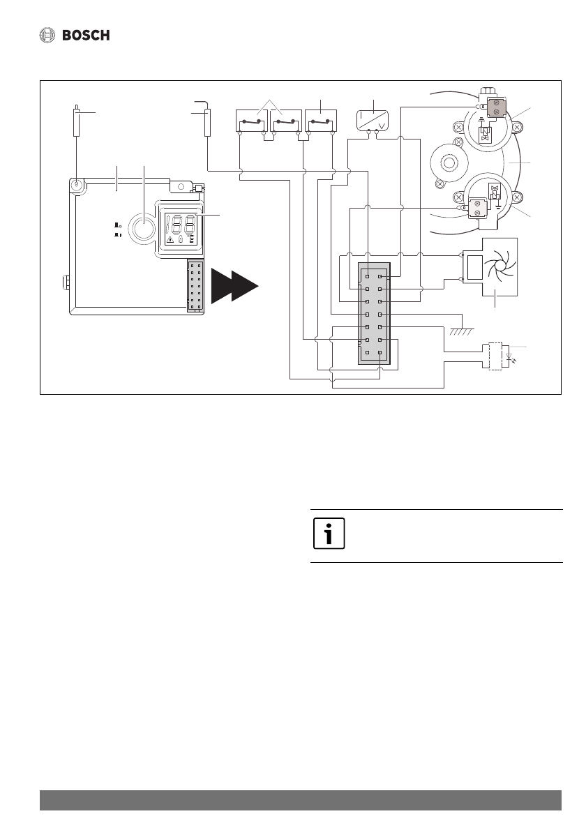
Электросхема
Рис. 2
Электросхема
[5] Цифровой индикатор
[6] Кнопка вкл./выкл., индикатор недостаточного напора
воды
[7] Контрольная лампочка, указывающая на режим
работы горелки
[14] Распределительная коробка
[16] Гидрогенератор
[31] Датчик температуры горячей воды
[32] Газовый клапан с сервоприводом (обычно открыт)
[34] Клапан запальника (обычно закрыт)
[37] Ограничитель температуры
[38] Контроль тяги
[39] Запальный электрод
[40] Ионизационный контроль пламени
[41] Основной клапан
2.9
Принцип действия
Данный прибор снабжен системой автоматического
электронного розжига, поэтому ввод прибора в
эксплуатацию очень прост.
▶ Для включения нажать кнопку вкл./выкл. (рис. 4).
После этого прибор будет автоматически включаться
каждый раз, когда будет открываться водопроводный кран.
Сначала срабатывает запальная горелка, а примерно через
четыре секунды включается основная горелка. Через
некоторое время пламя запальной горелки погасает.
Это способствует значительной экономии энергии,
поскольку запальное пламя горит лишь в течение
минимального времени, которое требуется для розжига
основной горелки. В приборах традиционной конструкции
запальное пламя горит постоянно.
В этом случае:
▶ открывать и закрывать кран горячей воды и повторять
розжиг до тех пор, пока из трубки подачи газа
полностью не выйдет воздух.
14
6
39
40
38
37
31
7
34
41
32
16
5
6720608984-03.2V
Розжиг может не сработать, если в трубку
подачи газа попал воздух.
Содержание
- 3 Опасно при появлении запаха газа; Знак
- 4 Пояснения символов и указания по технике безопасности; Инструктаж заказчика
- 5 Данные о приборе; Декларация о соответствии; Модель
- 6 воды; Природный газ; Габаритные размеры
- 7 Электросхема; Принцип действия
- 8 Технические характеристики; Символ
- 9 Эксплуатация; Цифровой индикатор; Перед вводом в эксплуатацию; Включение; Объем потока воды
- 10 Регулировка мощности; ▶ Повернуть поворотную ручку против часовой стрелки.; Опорожнение прибора; При наличии риска замерзания:; Предписания
- 11 Требования к помещению для монтажа
- 12 Монтаж прибора; Прибор
- 13 Подключение подачи воды; Принцип действия гидрогенератора
- 14 Сжиженный газ; Регулировка давления перед форсункой; Доступ к регулировочному винту; Точка измерения давления перед форсункой
- 15 Переоборудование на другой вид газа; оригинальные комплекты для; Регулярные работы по техобслуживанию; Проверка правильности функционирования; Давление перед форсункой
- 17 Устранение неисправностей; Неисправность
Характеристики
Остались вопросы?Не нашли свой ответ в руководстве или возникли другие проблемы? Задайте свой вопрос в форме ниже с подробным описанием вашей ситуации, чтобы другие люди и специалисты смогли дать на него ответ. Если вы знаете как решить проблему другого человека, пожалуйста, подскажите ему :)