Водонагреватели Bosch WRD15-2 G/G23 - инструкция пользователя по применению, эксплуатации и установке на русском языке. Мы надеемся, она поможет вам решить возникшие у вас вопросы при эксплуатации техники.
Если остались вопросы, задайте их в комментариях после инструкции.
"Загружаем инструкцию", означает, что нужно подождать пока файл загрузится и можно будет его читать онлайн. Некоторые инструкции очень большие и время их появления зависит от вашей скорости интернета.

7
Техні
чні ха
рактер
исти
ки та
габа
ритн
і ро
змір
и
Therm 6000 O – 6 720 60
8 984 (2020/09)
2.8
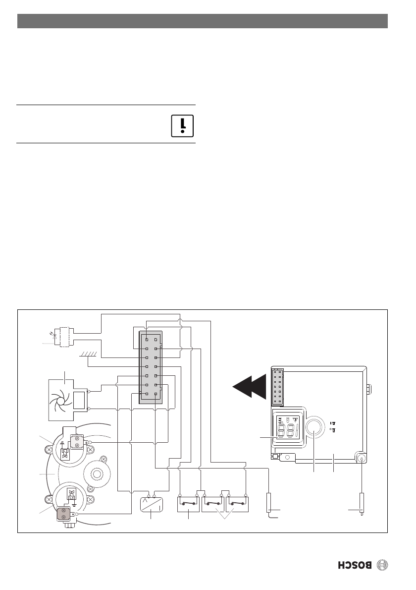
Електр
ична схем
а
Мал. 2
Електр
ична схем
а
[5]
Ци
фр
ови
й дисплей
[6]
Вимикач/індик
аторна лампочка низьког
о тиску води
[7]
Ін
дикаторна ламп
очка стану пал
ьника
[14]
Запалювальни
й блок
[16]
Гідр
огенератор
[31]
Температ
урний да
тчик
[32]
Сервоклапан (Ві
дкр
итий у нормі)
[34]
Контрольний к
лапан (Зак
рити
й у нормі)
[37]
Обмежувач температури теплообмі
нника
[38]Пристрій ко
нтролю тяги
[39]
Запалювальна свічка
[40]
Електрод іоні
зації
[41]
Мембранний кл
апан
2.9
Фун
кціо
ну
вання
Ця в
одог
рійна к
олон
ка
оснащена
авто
мати
чн
им
електронним запальнико
м, що забезпечує простий
запуск.
▶
Щоб увімк
нут
и її, досить натиснут
и кнопк
у У
вим
кн./
Ви
мк (Мал.
4).
Після цьог
о колонка автоматично зап
алю
ється
, як тіл
ьки
буде в
ід
кри
то кран гарячої води. Спочатку
запалюється
піло
тне полум’я,
а по
тім, прибл
изно через чо
тири секунд
и,
основний п
аль
ник. Ч
ер
ез корот
кий ві
дрізок часу післ
я
цього п
ілот
не полум’я гасне.
Ун
аслідок цього еконо
мічність кол
онки зростає,
то
му що
піло
тне полум’я го
рить тіл
ьки перед т
им
, як з
ап
али
ти
основний п
аль
ник, н
а ві
дмін
у від т
радиційних кол
онок, в
яких
піло
тне по
лум’я г
орить пост
ійно.
У цьо
му в
ип
адк
у
▶
нео
бхід
но зак
рит
и і відк
ри
ти
кр
ан гар
ячо
ї води
, що
б
коло
нка повторювала з
апа
льний цикл, доки повітря
по
вністю
не видали
ться з г
азопроводу.
14
6
39
40
38
37
31
7
34
41
32
16
5
6720608984-03.2V
Якщо у газопроводі опинилося по
вітря,
колонка може не зап
алитися
.
Содержание
- 3 Опасно при появлении запаха газа; Знак
- 4 Пояснения символов и указания по технике безопасности; Инструктаж заказчика
- 5 Данные о приборе; Декларация о соответствии; Модель
- 6 воды; Природный газ; Габаритные размеры
- 7 Электросхема; Принцип действия
- 8 Технические характеристики; Символ
- 9 Эксплуатация; Цифровой индикатор; Перед вводом в эксплуатацию; Включение; Объем потока воды
- 10 Регулировка мощности; ▶ Повернуть поворотную ручку против часовой стрелки.; Опорожнение прибора; При наличии риска замерзания:; Предписания
- 11 Требования к помещению для монтажа
- 12 Монтаж прибора; Прибор
- 13 Подключение подачи воды; Принцип действия гидрогенератора
- 14 Сжиженный газ; Регулировка давления перед форсункой; Доступ к регулировочному винту; Точка измерения давления перед форсункой
- 15 Переоборудование на другой вид газа; оригинальные комплекты для; Регулярные работы по техобслуживанию; Проверка правильности функционирования; Давление перед форсункой
- 17 Устранение неисправностей; Неисправность
Характеристики
Остались вопросы?Не нашли свой ответ в руководстве или возникли другие проблемы? Задайте свой вопрос в форме ниже с подробным описанием вашей ситуации, чтобы другие люди и специалисты смогли дать на него ответ. Если вы знаете как решить проблему другого человека, пожалуйста, подскажите ему :)