Водонагреватели BaltGaz VEKTOR 10 G черный цветок 30559 - инструкция пользователя по применению, эксплуатации и установке на русском языке. Мы надеемся, она поможет вам решить возникшие у вас вопросы при эксплуатации техники.
Если остались вопросы, задайте их в комментариях после инструкции.
"Загружаем инструкцию", означает, что нужно подождать пока файл загрузится и можно будет его читать онлайн. Некоторые инструкции очень большие и время их появления зависит от вашей скорости интернета.

Руководство для технического персонала
11
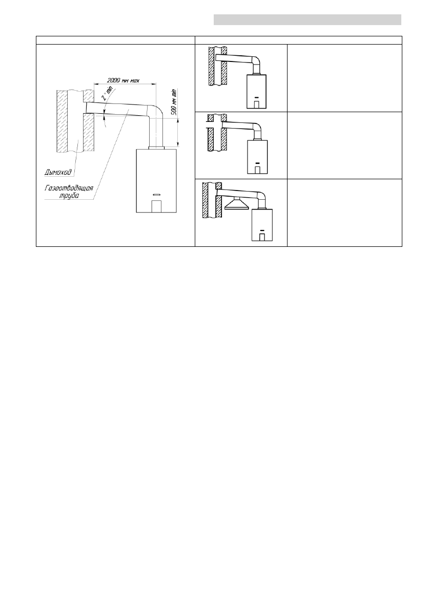
Рис. 6. Подключение аппарата к дымоходу
7.7.
Проверка аппарата
После установки аппарата и проверки на герметичность должны быть проверены: работа горелки (п. 4.1.2, 4.1.3),
работа автоматики безопасности (п. 8.2.5 стр. 12), температура и расход горячей воды. Включение и выключение аппарата,
и регулировку температуры воды выполнять в соответствии с разделом 3 (стр. 5).
Примечание.
После хранения аппарата в помещении с отрицательной температурой его первый запуск
производить не ранее, чем через 2 ч после переноса его в тёплое помещение.
При необходимости (при недостаточном нагреве воды) следует проверить давление газа на входе в аппарат. Для
измерения давления газа, предварительно перекрыв запорный газовый кран на входе в аппарат, необходимо подключить
манометр к штуцеру для замера давления газа.
Измерение давления газа необходимо производить при работающем аппарате и максимальном расходе газа.
Давление газа должно соответствовать значению, указанному в разделе «Свидетельство о приемке».
7.8.
Переналадка аппарата на другой вид и давление газа
7.8.1.
Переналадка аппарата на другой вид и давление газа должна осуществляться специализированной
сервисной организацией. Для переналадки необходимо использовать только фирменный комплект деталей.
Перед переналадкой необходимо выключить аппарат и перекрыть запорный газовый кран.
7.8.2.
Для переналадки аппарата на другой вид или давление газа необходимо заменить сопла коллектора горелки
на сопла с диаметром отверстия в соответствии с Таблица
для вида и давления газа, на котором будет работать аппарат.
После переналадки необходимо проверить герметичность соединений.
Вид и давление газа, на который перенастроен аппарат, необходимо указать в разделе 13 настоящего руководства
(с указанием организации, выполнившей перенастройку, и даты выполнения) и на табличке аппарата.
8.
УСТРОЙСТВО И УПРАВЛЕНИЕ РАБОТОЙ АППАРАТА
8.1.
Устройство аппарата
8.1.1.
Аппарат настенного типа (Рис. 1) прямоугольную форму, образуемую съемной облицовкой 1.
8.1.2.
У аппарата на лицевой стороне облицовки расположены: смотровое окно 6 для наблюдения за пламенем
горелки; дисплей 5 температуры воды. Все основные элементы аппарата смонтированы на каркасе. Назначение основных
узлов и составных частей аппарата (Рис. 7):
-
газоотводящее устройство 16 предназначено для отвода продуктов сгорания в дымоход;
-
теплообменник 15 обеспечивает передачу получаемого при сжигании газа тепла воде, протекающей по трубам
теплообменника;
-
узел водогазовый 21 предназначен для управления подачей газа на горелку состоит из узлов водяного и газового
и блока клапанов (конструкция узла обеспечивает доступ газа к горелке только при наличии протока воды);
-
горелка 12 предназначена для создания и горения воздушно-газовой смеси;
-
модуль электроники 19 обеспечивает управление розжигом и подачей газа на горелку;
-
датчик температуры воды 2 предназначен для измерения температуры нагретой воды;
-
датчик перегрева воды 18 обеспечивает отключение водонагревателя при нагреве воды выше 80 °С,
предотвращая тем самым образование накипи в трубках теплообменника, что увеличивает срок службы водонагре вателя;
-
свеча 14 предназначена для создания искрового разряда для воспламенения горелки;
-
пробка 7 служит для слива воды из водяного контура водонагревателя для предотвращения её замерзания,
встроенный в пробку предохранительный клапан предназначен для защиты водяного контура водонагревателя от
повышенного давления воды.
Правильно
Неправильно
Конец газоотводящей трубы
слишком близок к противоположной
стене дымохода.
В дымоходе на уровне
подсоединения газоотводящей
трубы имеется отверстие
(в том числе и с подключенным к
нему другим устройством).
Два устройства имеют одно
подсоединение к дымоходу.
Содержание
- 3 СОДЕРЖАНИЕ; Регулирование степени нагрева
- 4 Руководство для пользователя; МЕРЫ БЕЗОПАСНОСТИ ПРИ ЭКСПЛУАТАЦИИ АППАРАТА; самостоятельно устанавливать и запускать аппарат в работу; ОПИСАНИЕ И РАБОТА АППАРАТА
- 5 Технические характеристики; Таблица; °C не менее; Комплект поставки; Таблица 2; Примечание
- 6 Габаритные и присоединительные размеры аппарата; Рис. 1. Габаритные и присоединительные размеры аппарата; ПОЛЬЗОВАНИЕ АППАРАТОМ; Для включения аппарата необходимо:
- 7 слишком близко к смотровому окну.; мягкой воде; Выключение аппарата
- 8 Предохранение от замерзания; Перед каждым включением аппарата необходимо:; Уход
- 9 Руководство для технического персонала; ПРАВИЛА ТРАНСПОРТИРОВАНИЯ И ХРАНЕНИЯ
- 10 Монтаж аппарата
- 11 Подключение аппарата к баллону со сжиженным газом; ЗАПРЕЩАЕТСЯ; Подключение аппарата к дымоходу; Рис.5. Схема подсоединения газоотводящей трубы к аппарату
- 12 Проверка аппарата; Правильно
- 13 Работа аппарата
- 15 Руководство для пользователя и технического персонала; ВОЗМОЖНЫЕ НЕИСПРАВНОСТИ И МЕТОДЫ ИХ УСТРАНЕНИЯ; Таблица 3
- 16 СДАЧА АППАРАТА ПОТРЕБИТЕЛЮ
- 17 ГАРАНТИЙНЫЕ ОБЯЗАТЕЛЬСТВА
- 19 Руководство для пользователя и технического персонал; СВИДЕТЕЛЬСТВО О ПРИЕМКЕ; Аппарат водонагревательный проточный газовый бытовой













