Видеокамеры Canon XL 2 - инструкция пользователя по применению, эксплуатации и установке на русском языке. Мы надеемся, она поможет вам решить возникшие у вас вопросы при эксплуатации техники.
Если остались вопросы, задайте их в комментариях после инструкции.
"Загружаем инструкцию", означает, что нужно подождать пока файл загрузится и можно будет его читать онлайн. Некоторые инструкции очень большие и время их появления зависит от вашей скорости интернета.

121
R
Дополнительная
информация
Àóäèîïðîöåññîð 2
AUD. M. SET (ìåíþ)
CH 1
CH 2
CH 3
CH 4
ÀÓÄÈÎ−
ÌÎÍÈÒÎÐ
Äðàéâåð
RCA CH 1/CH 3
Íàóøíèêè, ëåâûé êàíàë
Èíäèêàòîð, ëåâûé êàíàë
RCA CH 2/CH 4
Íàóøíèêè, ïðàâûé êàíàë
Èíäèêàòîð, ïðàâûé êàíàë
Çàäåðæêà
Çàäåðæêà
ñ êàññåòû
ñ 1394
íà êàññåòó
íà 1394
Îáû÷íûé ðåæèì
Îáû÷íûé
ðåæèì
Ëèíåéíûé âûõîä
Ëèíåéíûé âûõîä
PB
PB
CH1
CH3
CH2
CH4
Ìèêøåð
Ìèêøåð
CH1 − CH2
CH1
ÏÅÐÅÊËÞ×ÀÒÅËÜ
ÂÛÁÎÐÀ ÊÀÍÀËÀ
ÇÀÏÈÑÈ
AUD. M. SET (ìåíþ)
Çàäåðæêà
Çàäåðæêà
ÀÓÄÈÎ−
ÌÎÍÈÒÎÐ
RCA CH 3
RCA CH 4
Âûêë.
çâóê
Âûêë.
çâóê
Âûêë.
çâóê
Âûêë.
çâóê
CH3
CH4
Îáû÷íûé ðåæèì
Îáû÷íûé
ðåæèì
Ëèíåéíûé âûõîä
Ëèíåéíûé âûõîä
PB
PB
Äèñïëåé CVF
Содержание
- 2 Важные инструкции по эксплуатации
- 3 Использование данного Руководства; Обозначения и ссылки, используемые в настоящем Руководстве; Торговые марки
- 6 Проверка комплекта дополнительных принадлежностей
- 8 Разъем
- 11 Подготовка источника питания; Зарядка аккумулятора; Установка аккумулятора
- 12 Питание от бытовой электросети; Подсоедините переходник постоянного тока
- 13 Время зарядки, съемки и воспроизведения
- 14 Установка элемента резервного питания; Откройте крышку отсека элемента резервного
- 15 Подготовка видеокамеры; Установка и снятие цветного видоискателя; Установка цветного видоискателя; Снятие видоискателя
- 16 Снятие и установка наглазника; Снятие наглазника; Снимите наглазник, как показано на рисунке.; Установка наглазника; Настройка положения видоискателя
- 17 Использование видоискателя в качестве ЖК-дисплея
- 18 Выверните винт крепления микрофона на
- 19 Закрепление ремня ручки; Установите держатель адаптера и закрепите
- 20 Подготовка объектива; Установка объектива
- 21 Установка бленды объектива; Установите бленду объектива на торец объектива
- 22 Беспроводной пульт дистанционного управления; Установка элементов питания; Закройте крышку отсека элементов питания.
- 23 Откройте крышку отсека для кассеты, сдвинув; До щелчка нажмите на метку; Загрузка/извлечение кассеты
- 24 Выбор меню и установок; Меню и настройки
- 29 Отображение даты и времени во время съемки; Откройте меню и выберите пункт [DISPLAY SETUP/
- 30 Перед началом съемки; Съемка; Для начала съемки нажмите кнопку; После завершения съемки
- 31 Съемка с низкой точки; Кнопка STANDBY
- 32 Индикация на экране во время съемки
- 33 Отображение метки центра
- 34 Быстрый просмотр и поиск во время съемки; Быстрый просмотр записи; Нажмите и отпустите кнопку; Поиск записи
- 35 Поиск конца записи; Нажмите кнопку END SEARCH.
- 36 «Наезд»/«отъезд» видеокамеры; Переменная скорость зуммирования; Рычаг зуммирования на боковой ручке; Рычаг зуммирования на ручке для переноски
- 37 Кольцо зуммирования; Задание фиксированного положения зуммирования; Переместите переключатель POSITION PRESET ON/SET в положение ON.
- 38 Настройка фокусировки; Автофокусировка (объективы с функцией автофокусировки); Временное отключение автофокусировки
- 39 Ручная фокусировка; Временное переключение в режим автофокусировки; Нажмите на объективе переключатель
- 40 Задание фиксированного положения фокусировки; Установите селектор фокусировки в положение M.; Задание скорости возврата в заданное положение фокусировки; Возврат в заданное положение фокусировки
- 41 С объективом 20; Фильтр нейтральной плотности (объективы со встроенным фильтром); Индикация на экране
- 42 Установите переключатель FRAME RATE в требуемое положение.; Выбор частоты кадров
- 43 Установите переключатель ASPECT RATIO в положение 16:9.
- 44 Выбор варианта отсчета времени; Установка временного кода
- 45 Отображение пользовательского бита; Установка пользовательского бита
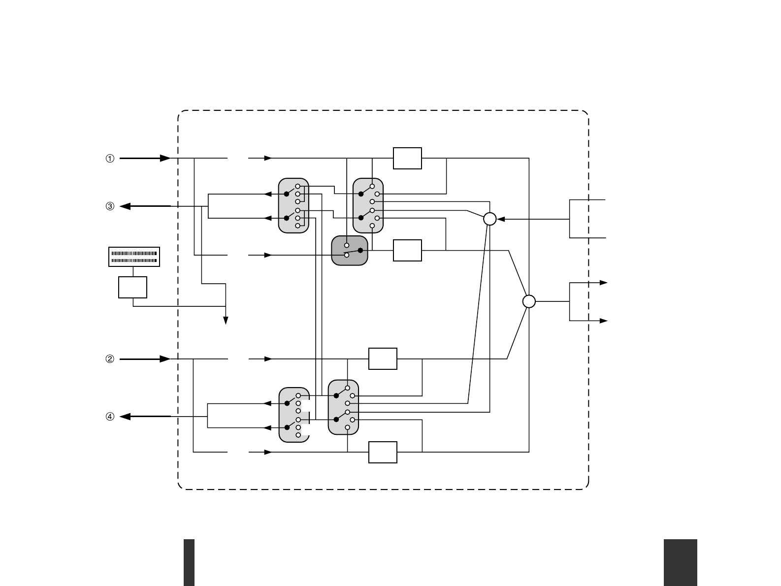
- 46 Запись звука
- 47 Запись по каналам 1 и 2; При использовании переднего микрофона; Установите переключатель INPUT SELECT в положение FRONT MIC.; При подключении к разъемам XLR; Установите переключатель INPUT SELECT в положение REAR.
- 48 Запись по каналам 3 и 4; колодку для аксессуаров.; Подсоедините устройство к разъемам RCA входа AUDIO2.
- 49 Настройка уровня записи звука; Отображение/скрытие индикатора уровня звука на экране; Автоматическая настройка звука; Установите переключатель REC LEVEL в положение A.; Ручная настройка звука
- 51 Выбор программных режимов автоэкспозиции; Нажмите кнопку и поворачивайте диск POWER.; Авто; Использование программных режимов автоэкспозиции
- 52 Простая съемка
- 54 Доступные значения выдержки затвора:; Установите диск POWER в положение; Tv; Выберите выдержку затвора кнопкой SHUTTER
- 55 Съемка в режиме приоритета диафрагма (Av); Av; Выберите величину диафрагмы с помощью диска IRIS.
- 56 или; Съемка в ручном режиме; Доступные установки
- 57 Настройка экспозиции; Фиксация экспозиции; Изменение величины диафрагмы после фиксации экспозиции; Выберите величину диафрагмы с помощью диска IRIS.; Изменение выдержки затвора после фиксации экспозиции; Выберите выдержку затвора кнопкой SHUTTER; Изменение усиления после фиксации экспозиции
- 58 Использование сдвига автоэкспозиции
- 61 Установка пользовательского баланса белого; Нажмите кнопку установки баланса белого WHITE BALANCE; Съемка с заранее заданным пользовательским балансом белого; Установите диск POWER в положение любой программы съемки, кроме
- 62 Использование полосатого шаблона («зебра»); Выбор уровня полосатого шаблона
- 63 Активизация функции деталей кожи; Определение области кожи; Функция деталей кожи
- 66 Установка пользовательских настроек; который требуется изменить.; Защита файла пользовательских настроек; Сброс файла пользовательских настроек
- 67 Активизация пользовательских настроек; Импорт пользовательской настройки из другой видеокамеры XL2
- 68 который требуется импортировать.; который требуется переписать.
- 70 Пользовательские кнопки
- 71 Изменение установок пользовательских кнопок; Запись индексного сигнала
- 73 Эффект зерна пленки
- 74 Запись цветных полос/опорного звукового сигнала; Цветные полосы
- 75 Съемка с помощью таймера интервалов; Выбор интервала и времени съемки
- 76 Для начала съемки нажмите кнопку пуска/остановки.; Для приостановки съемки с таймером интервалов
- 77 Съемка с устройством автоматического пуска
- 78 Управление цифровыми видеоустройствами; Когда видеокамера XL2 находится в режиме паузы записи
- 79 Наложение экранной индикации; Отключение индикаторов съемки; Прочие функции/настройки видеокамеры
- 80 Изменение языка дисплея; Для изменения языка откройте меню и выберите пункт [DISPLAY SETUP/; Изменение формата даты
- 81 Воспроизведение кассеты; Для начала воспроизведения нажмите кнопку; Специальные режимы воспроизведения; ae
- 82 Диск управления протяжкой
- 83 Просмотр на экране телевизора
- 84 Телевизоры с разъемом SCART
- 85 Телевизоры с разъемами аудио/видео
- 86 Аудиовыход; Выбор аудиовыхода разъемов RCA; Нажмите кнопку AUDIO MONITOR.; Выбор аудиоканалов; и CH3/4 на беспроводном пульте дистанционного управления.
- 87 Возврат в ранее отмеченное положение
- 88 Индексный поиск
- 89 Поиск даты
- 90 Отображение кода данных; Выбор варианта индикации даты и времени; Выбор варианта индикации кода данных
- 91 Нажмите кнопку DATA CODE на пульте дистанционного управления.; Автоматический вывод даты на шесть секунд
- 92 Отключение датчика дистанционного управления; Изменение режима датчика дистанционного управления; режима 2 нажмите кнопку ZOOM
- 93 Запись на видеомагнитофон или цифровое видеоустройство; Подключение устройств; Подключение видеомагнитофона; Подключение цифрового видеоустройства; после завершения копирования.
- 94 Подсоедините видеокамеру к аналоговому видеоустройству.; При появлении сцены, которую требуется записать, нажмите кнопку
- 95 Подсоедините видеокамеру к цифровому видеоустройству.; При появлении сцены, которую требуется записать, нажмите кнопку
- 98 Включение аналого-цифрового преобразователя
- 102 Отключение индикации на экране видеокамеры; Отключение/включение индикации на экране телевизора
- 107 Видоискатель
- 115 Адаптер EF XL; Видоискатель с монохромной ЭЛТ FU-1000; Зум-объектив с ручным управлением 16
- 117 Система; Технические характеристики
- 118 Питание/другие параметры; Объектив; Компактный блок питания CA-920
- 122 ДЛЯ ЗАМЕТОК