Усилители Yamaha RX-V557 - инструкция пользователя по применению, эксплуатации и установке на русском языке. Мы надеемся, она поможет вам решить возникшие у вас вопросы при эксплуатации техники.
Если остались вопросы, задайте их в комментариях после инструкции.
"Загружаем инструкцию", означает, что нужно подождать пока файл загрузится и можно будет его читать онлайн. Некоторые инструкции очень большие и время их появления зависит от вашей скорости интернета.

17
ПОДКЛЮЧЕНИЯ
ПО
ДГО
Т
ОВ
КА
Русский
■
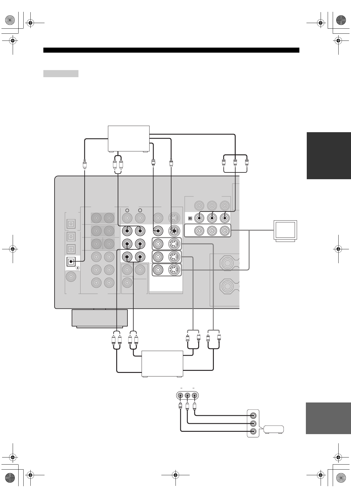
Подключения для других видеокомпонентов
• Если функция V. CONV. (смотрите стр. 53) установлена на OFF, убедитесь, что компоненты видеоисточника подключены
к данному аппарату таким же образом, как и видеоэкран. Например, при подключении к данному аппарату видеоэкрана
через соединение VIDEO, компоненты видеоисточника также должны быть подключены к данному аппарату через
соединения VIDEO. (Даже, если функция V. CONV. установлена на OFF, поступающие с компонента видеоисточника S-
VIDEO сигналы автоматически преобразовываются данным аппаратом в композитные сигналы.)
• Преобразованные видеосигналы выводятся только от гнезд MONITOR OUT. Во время записи необходимо
выполнить одинаковые типы видеоподключений (например, S-video) между каждым компонентом.
■
Гнезда VIDEO AUX (на фронтальной
панели)
Данные гнезда используются для подключения
любого видеоисточника к данному аппарату,
например, игровой консоли или видеокамеры.
Примечания
MONITOR OUT
AUDIO
VIDEO
S VIDEO
DTV/
CBL
VIDEO
R
L
OUT
VCR
VIDEO
IN
COMPONENT VIDEO
P
R
MONITOR
OUT
DTV/
CBL
P
B
Y
DIGITAL
INPUT
DTV/CBL
S VIDEO
S
V
S
V
O
L
R
L
R
L
R
V
S
P
R
P
B
Y
Кабельное
телевидение или
спутниковый
тюнер
DVD-магнитофон
или
видеомагнитофон
Аудиовыход
Видеовыход
Оптический выход
Аудиовыход
Видеовыход
Видеовход
Аудиовход
Видеоэкран
Видеовход
VIDEO
L AUDIO R
VIDEO AUX
V
L
R
Игровая
консоль или
видеокамера
Видеовыход
Левый аудиовыход L
Правый аудиовыход R
06RU_RX-V557_G.book Page 17 Thursday, June 9, 2005 2:50 PM
Содержание
- 3 СОДЕРЖАНИЕ
- 4 Описание звукового поля; ОПИСАНИЕ
- 5 ВВЕДЕНИЕ; Пожалуйста, убедитесь в наличии всех следующих аксессуаров.; Нажмите на; Примечания по батарейкам; ПОДГОТОВКА К ЭКСПЛУАТАЦИИ; Поставляемые аксессуары; Пульт ДУ; Установка батареек в пульт ДУ
- 6 Сенсор дистанционного управления; Прием сигналов от пульта ДУ.; Дисплей фронтальной панели; СИСТЕМЫ УПРАВЛЕНИЯ И ФУНКЦИИ; Фронтальная панель; J K; Примечание
- 7 Переключение функции PRESET/TUNING
- 9 Использование пульта ДУ; Приблизительно 6 м
- 10 Высвечивается во время работы функции MUTE.; CD; HiFi DSP; A B
- 11 Загорается при включении питания Zone 2.
- 12 Задняя панель
- 13 ПОДГО; Сабвуфер; УСТАНОВКА КОЛОНОК; Размещение колонок
- 14 • При использовании колонок с; • До выполнения подключений колонок,; Подключение колонок; ПРЕДОСТЕРЕЖЕНИЕ
- 15 ПО; Терминалы FRONT
- 16 Индикации кабелей; Колпачок предохранения от пыли; Видеогнезда; Гнезда VIDEO; Для обычных композитных видеосигналов.; Гнезда S VIDEO; ПОДКЛЮЧЕНИЯ
- 17 Подключения для воспроизведения программы DVD; Подключение видеокомпонентов; проигрыватель
- 18 Подключение к гнездам MULTI CH INPUT; Примечания
- 19 Подключения для других видеокомпонентов
- 20 Подключения для аудиокомпонентов; Подключение аудиокомпонентов
- 21 Подключение рамочной АМ-антенны
- 22 Резервная копия памяти
- 23 Включение питания; SYSTEM POWER; или
- 24 • Убедитесь, что наушники отключены от; Нажмите кнопку SET MENU.; YES; NONE; BASIC SETUP; BASIC SETUP; SUBWOOFER
- 25 SET
- 26 Установка баланса уровней колонок; Нажимая кнопку
- 27 ОСНОВ; ВОСПРОИЗВЕДЕНИЕ; Основные операции
- 28 Настройка тональности; • Выберите параметр BASS для настройки; Приглушение звучания
- 29 Выбор функции MULTI CH INPUT; Управление с фронтальной панели; TV Sports
- 30 Управление с пульта ДУ; , пока горит индикатор PLIIxMusic; AUTO
- 31 Обработка DTS для программ кинофильмов.
- 32 DIRECT STEREO; Режимы ночного прослушивания; • При просмотре кинофильмов, выберите режим; Это позволяет настроить уровень сжатия.; Фронтальная
- 33 -канальное микширование; ch Stereo; Virtual CINEMA DSP
- 34 Выберите источник поступающего сигнала.; Нажимайте кнопку; Выбор режимов приема; Режим приема; затем
- 35 Автоматическая настройка; Нажмите кнопку PRESET/TUNING; Нажмите кнопку; НАСТРОЙКА РАДИОПРОГРАММ ДИАПАЗОНА ЧМ/AM; AM; Загорается
- 36 Ручная настройка; Отключаетя
- 37 Опции автоматической предустановки:; кнопку PRESET/TUNING; Настройтесь на радиостанцию.; Около 5 секунд светит индикатор MEMORY.; Высвечивается; Группа предустановки
- 38 Номер предустановки
- 40 Смотрите раздел “Функция EON” на стр. 41.
- 41 PS; Частота
- 42 Нажав кнопку PRESET/TUNING; • Аппарат прекращает поиск при нахождении; Функция PTY SEEK; POP M
- 43 • При начале трансляции выбранного типа; Отмена данной функции; Функция EON
- 44 ЗАПИСЬ
- 45 ПРОГ; ОПИСАНИЕ ПРОГРАММ ЗВУКОВОГО ПОЛЯ; Для видеоисточников и кинофильмов; Кнопка
- 47 Для музыкальных источников
- 48 Установка таймера сна; ДОПОЛНИТЕЛЬНЫЕ ОПЕРАЦИИ; Применение таймера сна; Индикатор SLEEP; SLEEP OFF
- 49 ОПЕРА; FRONT L
- 50 Используйте для настройки параметров колонок и системы вручную.; SOUND MENU; Настройка дополнительных параметров системы.
- 51 MANUAL SETUP; Использование SET MENU
- 52 Параметры колонок
- 53 Уровень колонок; UNIT; Уровень низкочастотного эффекта; SP LFE; Динамический диапазон
- 54 Настройки звучания; INPUT MENU
- 55 Переименование источника; DIMMER; Защита памяти; OPTION MENU
- 56 Настройка акустической системы В; SP B; • Если колонки, подключенные к терминалам
- 57 МЕНЮ ДОПОЛНИТЕЛЬНЫХ НАСТРОЕК
- 58 Импеданс колонок; PRESET; CANCEL; REMOTE; Колонка
- 59 Управление данным аппаратом; ОПИСАНИЕ ПУЛЬТА ДИСТАНЦИОННОГО; Зона управления
- 60 Установки по умолчанию кода ДУ; Установка кодов ДУ; Зона
- 61 Управление другими компонентами
- 62 которого вы хотите удалить.
- 63 • Усилитель и колонки во второй комнате.; Пример конфигурации системы и подключений; Подключения Zone 2; Данный аппарат; Вторая комната
- 64 Управление Zone 2; Нажав кнопку
- 65 Режим
- 66 Элементы звукового поля; РЕДАКТИРОВАНИЕ ПАРАМЕТРОВ ЗВУКОВОГО; Понятие звукового поля
- 67 Русский
- 68 Настраивает уровень всех звуков с эффектом DSP в узком диапазоне.; Для функции 2ch Stereo:; ОПИСАНИЕ ПАРАМЕТРОВ ЗВУКОВОГО ПОЛЯ
- 69 Для функции 6ch Stereo:; OFF; Постепенное стягивание звукового поля вперед или назад.
- 70 Общая часть; ВОЗМОЖНЫЕ НЕИСПРАВНОСТИ И СПОСОБЫ ИХ; Неисправность
- 73 Тюнер
- 74 RESET; СБРОС НАСТРОЕК В ИСХОДНЫЕ НАСТРОЙКИ
- 75 Dolby Digital; СПРАВОЧНИК; Аудиоформаты
- 76 CINEMA DSP; Программы звукового поля
- 77 Компонентный видеосигнал; и P; Композитный видеосигнал
- 78 АУДИОРАЗДЕЛ; ТЕХНИЧЕСКИЕ ХАРАКТЕРИСТИКИ



