Усилители Sony STR-SE501 - инструкция пользователя по применению, эксплуатации и установке на русском языке. Мы надеемся, она поможет вам решить возникшие у вас вопросы при эксплуатации техники.
Если остались вопросы, задайте их в комментариях после инструкции.
"Загружаем инструкцию", означает, что нужно подождать пока файл загрузится и можно будет его читать онлайн. Некоторые инструкции очень большие и время их появления зависит от вашей скорости интернета.

6
RU
По
дключение к
омпонентов
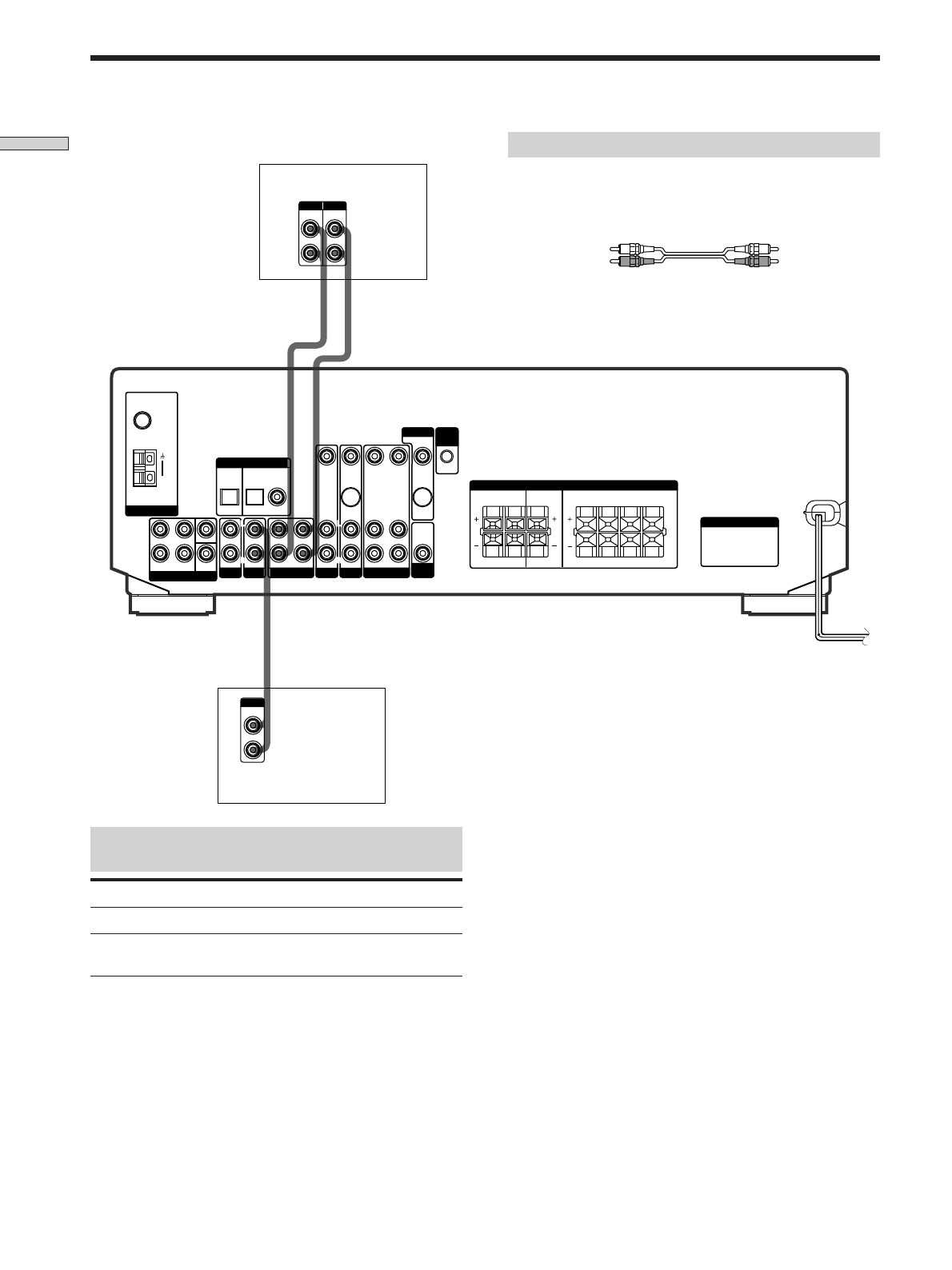
Разъемы для подключения аудио
компонентов
Что подключать
К чему подключать
CD проигрыватель
Разъемам для CD
MD дека/магнитофон
Разъемам для MD - приставки/
кассетного магнитофона
Какие требуются кабели?
Аудио кабели (в комплект поставки не входят)
При подключении кабелей убедитесь, что цвет разъемов
соответствует цвету гнезд, к которым они подключаются.
MD дека/кассетный
магнитофон
CD проигрыватель
Подключение аудио компонентов
Белый (L)
Белый (L)
Красный (R)
Красный (R)
IN
OUT
L
R
ç
ç
LINE
L
R
OUTPUT
LINE
LINE
INPUT OUTPUT
MD/TAPE
ANTENNA
DIGITAL IN
TV/SAT
5.1 CH INPUT
AUX
CD
DVD/LD
VIDEO
SUB
WOOFER
IMPEDANCE
SELECTOR
SPEAKERS
CTRL
A1
I I
MONITOR
AC OUTLET
FRONT
REAR
SUB
WOOFER
AUDIO IN
AUDIO IN
TV/SAT
OPTICAL
OPTICAL
COAXIAL
DVD/LD
REC OUT
IN
AUDIO IN
VIDEO IN
AUDIO IN
VIDEO IN
AUDIO OUT
AUDIO IN
VIDEO OUT
VIDEO IN
VIDEO OUT
S-VIDEO
OUT
S-VIDEO
IN
AUDIO
OUT
4
Ω
8
Ω
CENTER
L
R
L
R
L
R
L
R
L
R
FRONT
REAR
R
L
R
L
R
L
R
L
R
L
R
L
CENTER
B FRONT A
FM
75
Ω
COAXIAL
AM
Содержание
- 59 Обозначения; • В руководстве по эксплуатации указан порядок; Содержание; Подключение компонентов 4; Демонстрационный режим; Модель; Типы различий
- 60 Распаковка; Когда следует заменять батарейки?; Прежде всего
- 61 Разъемы для подключения антенн; Что подключать; Подключение антенн; Примечания по подключению антенн; • Для предотвращения помех, расположите AM; Если Вы находитесь в зоне неуверенного приема
- 62 Какие требуются кабели?; Аудио кабели (в комплект поставки не входят); Подключение аудио компонентов
- 63 омпонентов; При использовании разъемов S-video вместо разъемов; Подключение видео компонентов
- 64 Подключение цифровых компонентов; Примечание
- 65 Подключение к разъему 5.1CH INPUT; Видео кабель (в комплект поставки не входит); Пример подключения DVD проигрыватель через разъемы 5.1 CH INPUT
- 66 Другие виды подключений
- 67 • Если у Вас многодисковый Sony CD -; Подключение сетевого шнура; Предостережение
- 68 Нажмите для входа в режим
- 69 • Скрутите плотнее зачищенные от изоляции концы; Подключение акустических систем
- 71 Перед включением ресивера; Нажмите и удерживайте; Подготовка к эксплуатации; Подготовка ресивера к эксплуатации
- 72 Настройка многоканального пространственного звучания; Установки запоминаются автоматически.
- 73 О размерах акустических систем (LARGE и SMALL); Расположение тыльных акустических систем; Pro Logic
- 74 Настройка многоканальной системы пространственного звучания; Высота установки тыльных акустических; О расположении тыльных акустических систем; Выбор сверхнизкочастотного громкоговорителя
- 76 систем (смотрите раздел “; Проверьте правильность соединений; Нажатием; Еще об уровне звучания акустических систем?
- 77 SPEAKERS selector” на; Отсутствует звук определенного устройства:; SPEAKERS selector” и “разъем
- 79 Служит для подключения наушников.
- 80 Кнопка DIMMER; Описание элементов передней панели
- 81 Прослушивание аналогового звукового источника; Служит для выбора фиксированных настроек.
- 84 Выбор звукового поля; или; Ресивер автоматически запоминает последнее
- 85 Информация о звуковых полях; Звуковое поле
- 87 R: Фронтальный правый
- 89 Пользовательская настройка звуковых полей; Нажмите SUR; Настройки запоминаются автоматически.
- 90 Регулировка параметров уровня; Нажмите кнопку LEVEL.; • Эти настройки также доступны с пульта; • Выбор положения OFF заглушает звук LFE канала
- 91 • Диапазон регулировки уровня от –20 дБ до +10 дБ
- 93 Система RDS работает только в диапазоне FМ * .
- 94 Прием радиопередач; Нумерованные кнопки:
- 95 Прямая настройка; Если Вы вводите частоту, не соответствующую
- 96 Автоматическая настройка; По достижении окончания диапазона; Фиксированная настройка; Фиксированная настройка радиочастоты; Нажмите MEMORY для сохранения станции.; Проделайте операции с 1 по 6.
- 97 Можно сканировать фиксированные станции по; Использование кодов фиксированной настройки; Прием RDS - радиопередач; Просто выберите станцию из диапазона FM.; Отображение RDS - информации
- 98 Использование системы передачи текстовых данных (RDS); Настройтесь на станцию FM диапазона.
- 101 Прочие операции; Запись; Запись на аудиокассету или минидиск; Подготовьте устройство к работе.; переместите указатель в следующую позицию.; Для вставки пробела; Нажмите; Для присвоения названий другим станциям
- 102 Запись на видеокассету
- 103 Выбор входящего видеосигнала 5.1CH; Нажмите кнопки указателя (
- 105 Наведите пульт на дистанционный датчик; Для удаления
- 106 Технические характеристики; мВ; Выходы; Допускается; Усиление низких частот; +6 дБ на частоте 70 Гц; Диапазон регулировки тембра; ±6 дБ на частоте; Частота дискретизации; Усилитель; Выходная мощность
- 107 FM тюнер
- 108 Глоссарий; Пространственный звук; • Типы звука
- 113 Алфавитный указатель; Присвоение имен












