Термекс Brick 5 ЭдЭБ02029 - Инструкция по эксплуатации

Термекс Brick 5 ЭдЭБ02029

Обогреватель Термекс Brick 5 ЭдЭБ02029 - инструкция пользователя по применению, эксплуатации и установке на русском языке. Мы надеемся, она поможет вам решить возникшие у вас вопросы при эксплуатации техники.

Если остались дополнительные вопросы — свяжитесь с нами через контактную форму.

1 Страница 1
2 Страница 2
3 Страница 3
4 Страница 4
5 Страница 5
6 Страница 6
7 Страница 7
8 Страница 8
9 Страница 9
10 Страница 10
11 Страница 11
12 Страница 12
13 Страница 13
14 Страница 14
15 Страница 15
16 Страница 16
17 Страница 17
18 Страница 18
19 Страница 19
20 Страница 20
21 Страница 21
22 Страница 22
23 Страница 23
24 Страница 24
25 Страница 25
26 Страница 26
27 Страница 27
28 Страница 28
29 Страница 29
30 Страница 30
31 Страница 31
32 Страница 32
33 Страница 33
34 Страница 34
35 Страница 35
36 Страница 36
37 Страница 37
38 Страница 38
39 Страница 39
40 Страница 40
41 Страница 41
42 Страница 42
43 Страница 43
44 Страница 44
Страница: / 44

Содержание:

  • Страница 3 – УВАЖАЕМЫЙ ПОКУПАТЕЛЬ!; моделей; RU
  • Страница 4 – на строительных площадках и в теплицах
  • Страница 7 – УСТРОЙСТВО И НАЗНАЧЕНИЕ ПРИБОРА; ) состоит из корпуса, изготовленного из листовой стали; BRICK 2; Устройство прибора; УПРАВЛЕНИЕ; Панель управления на модель BRICK 2:
  • Страница 8 – Выберите один из режимов работы прибора и следуйте инструкциям:; Режим поддержания температуры
  • Страница 9 – Перечень возможных неисправностей приведен в таблице ниже.
  • Страница 12 – ГАРАНТИЯ ИЗГОТОВИТЕЛЯ; Изготовитель устанавливает срок гарантии на прибор; СЕРТИФИКАЦИЯ И ИЗГОТОВИТЕЛЬ
  • Страница 13 – Представник виробника в Украiнi:
  • Страница 14 – ОТМЕТКА О ПРОДАЖЕ; Подпись представителя
  • Страница 43 – Wi-Fi Motion Wireless Technology; Wi-Fi Motion — технология, обеспечивающая; Other products with remote control:; Отопление; Водоснабжение
  • Страница 44 – рядом с Карловыми Варами.; Станьте победителем; Д АРИМ БОНУС ВСЕМ УЧАСТНИК АМ!; Встречай
Загрузка инструкции

Электрическая тепловая пушка –

тепловентилятор

Electric fan heater / Електрична теплова гармата / Электр жылыту пушкасы

Brick

РУКОВОДСТВО ПО ЭКСПЛУАТАЦИИ

User manual / Посібник користувача / Пайдалану бойынша нұсқаулық

Thermex Brick 2

Thermex Brick 3

Thermex Brick 5

Модель

Model

RU

UA

KZ

"Загрузка инструкции" означает, что нужно подождать пока файл загрузится и можно будет его читать онлайн. Некоторые инструкции очень большие и время их появления зависит от вашей скорости интернета.

Краткое содержание

Страница 3 - УВАЖАЕМЫЙ ПОКУПАТЕЛЬ!; моделей; RU

1 Перед первым использованием электрической тепловой пушки внимательно прочи-тайте настоящее руководство по эксплуатации и обратите особое внимание на пункты, обозначенные символом «ВНИМАНИЕ!» УВАЖАЕМЫЙ ПОКУПАТЕЛЬ! Поздравляем с приобретением электрической тепловой пушки THERMEX. Электрическая тепло...

Страница 4 - на строительных площадках и в теплицах

2 1. ПРАВИЛА БЕЗОПАСНОСТИ 1. Перед использованием прибора внимательно прочитайте данное руководство по эксплу-атации. 2. Перед использованием прибора внимательно осмотрите его, включая сетевой кабель и вилку на предмет любых видимых повреждений. Не используйте поврежденный прибор. Проверьте отсутств...

Страница 7 - УСТРОЙСТВО И НАЗНАЧЕНИЕ ПРИБОРА; ) состоит из корпуса, изготовленного из листовой стали; BRICK 2; Устройство прибора; УПРАВЛЕНИЕ; Панель управления на модель BRICK 2:

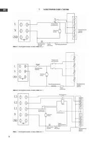
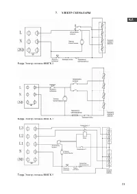
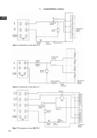
5 4. УСТРОЙСТВО И НАЗНАЧЕНИЕ ПРИБОРА Тепловые пушки предназначены для вентиляции и обогрева помещений. Исполнение тепловой пушки – переносное, рабочее положение – установка на полу, условия эксплуатации – работа под надзором. Несущая конструкция прибора (см. Рис.1 ) состоит из корпуса, изготовленног...

Характеристики

Другие модели - Обогреватели Термекс

Все обогреватели Термекс