Термекс Storm 3 ЭдЭБ02031 - Инструкция по эксплуатации

Термекс Storm 3 ЭдЭБ02031

Обогреватель Термекс Storm 3 ЭдЭБ02031 - инструкция пользователя по применению, эксплуатации и установке на русском языке. Мы надеемся, она поможет вам решить возникшие у вас вопросы при эксплуатации техники.

Если остались дополнительные вопросы — свяжитесь с нами через контактную форму.

1 Страница 1
2 Страница 2
3 Страница 3
4 Страница 4
5 Страница 5
6 Страница 6
7 Страница 7
8 Страница 8
9 Страница 9
10 Страница 10
11 Страница 11
12 Страница 12
13 Страница 13
14 Страница 14
15 Страница 15
16 Страница 16
17 Страница 17
18 Страница 18
19 Страница 19
20 Страница 20
21 Страница 21
22 Страница 22
23 Страница 23
24 Страница 24
25 Страница 25
26 Страница 26
27 Страница 27
28 Страница 28
29 Страница 29
30 Страница 30
31 Страница 31
32 Страница 32
33 Страница 33
34 Страница 34
35 Страница 35
36 Страница 36
37 Страница 37
38 Страница 38
39 Страница 39
40 Страница 40
41 Страница 41
42 Страница 42
43 Страница 43
44 Страница 44
45 Страница 45
46 Страница 46
47 Страница 47
48 Страница 48
Страница: / 48

Содержание:

  • Страница 3 – УВАЖАЕМЫЙ ПОКУПАТЕЛЬ!; моделей; RU
  • Страница 4 – строительных площадках и в теплицах
  • Страница 7 – УСТРОЙСТВО И НАЗНАЧЕНИЕ ПРИБОРА; ) состоит из корпуса, изготовленного из листовой стали
  • Страница 8 – УПРАВЛЕНИЕ; Панель управления
  • Страница 9 – Выберите один из режимов работы прибора и следуйте инструкциям:; Режим прогрева помещения
  • Страница 10 – ПОИСК И УСТРАНЕНИЕ НЕИСПРАВНОСТЕЙ
  • Страница 14 – ГАРАНТИЯ ИЗГОТОВИТЕЛЯ; Изготовитель устанавливает срок гарантии на прибор; года; блюдении требований данного руководства –; СЕРТИФИКАЦИЯ И ИЗГОТОВИТЕЛЬ
  • Страница 15 – Представник виробника в Украiнi:
  • Страница 16 – ОТМЕТКА О ПРОДАЖЕ; Подпись представителя; продавца
  • Страница 47 – Wi-Fi Motion Wireless Technology; Wi-Fi Motion — технология, обеспечивающая; Other products with remote control:; Отопление; Водоснабжение
  • Страница 48 – рядом с Карловыми Варами.; Станьте победителем; Д АРИМ БОНУС ВСЕМ УЧАСТНИК АМ!; Встречай
Загрузка инструкции

Storm

Электрическая тепловая пушка –

тепловентилятор

Electric fan heater / Електрична теплова гармата / Электр жылыту пушкасы

РУКОВОДСТВО ПО ЭКСПЛУАТАЦИИ

User manual / Посібник користувача / Пайдалану бойынша нұсқаулық

Thermex Storm 2

Thermex Storm 3

Thermex Storm 5

Модель

Model

RU

UA

KZ

"Загрузка инструкции" означает, что нужно подождать пока файл загрузится и можно будет его читать онлайн. Некоторые инструкции очень большие и время их появления зависит от вашей скорости интернета.

Краткое содержание

Страница 3 - УВАЖАЕМЫЙ ПОКУПАТЕЛЬ!; моделей; RU

1 Перед первым использованием электрической тепловой пушки внимательно прочи-тайте настоящее руководство по эксплуатации и обратите особое внимание на пункты, обозначенные символом «ВНИМАНИЕ!» УВАЖАЕМЫЙ ПОКУПАТЕЛЬ! Поздравляем с приобретением электрической тепловой пушки THERMEX. Электрическая тепло...

Страница 4 - строительных площадках и в теплицах

2 1. ПРАВИЛА БЕЗОПАСНОСТИ 1. Перед использованием прибора внимательно прочитайте данное руководство по эксплу-атации. 2. Перед использованием прибора внимательно осмотрите его, включая сетевой кабель и вилку на предмет любых видимых повреждений. Не используйте поврежденный прибор. Проверьте отсутств...

Страница 7 - УСТРОЙСТВО И НАЗНАЧЕНИЕ ПРИБОРА; ) состоит из корпуса, изготовленного из листовой стали

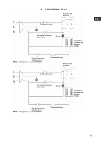
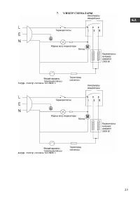
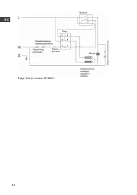
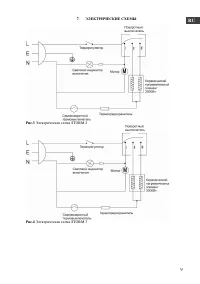
5 4. УСТРОЙСТВО И НАЗНАЧЕНИЕ ПРИБОРА Тепловые пушки предназначены для вентиляции и обогрева помещений. Исполнение тепловой пушки – переносное, рабочее положение – установка на полу, условия эксплуатации – работа под надзором. Несущая конструкция прибора (см. Рис.1 ) состоит из корпуса, изготовленног...

Характеристики

Другие модели - Обогреватели Термекс

Все обогреватели Термекс