Страница 3 - УВАЖАЕМЫЙ ПОКУПАТЕЛЬ!; моделей; RU
1 Перед первым использованием электрической тепловой пушки внимательно прочи-тайте настоящее руководство по эксплуатации и обратите особое внимание на пункты, обозначенные символом «ВНИМАНИЕ!» УВАЖАЕМЫЙ ПОКУПАТЕЛЬ! Поздравляем с приобретением электрической тепловой пушки THERMEX. Электрическая тепло...
Страница 4 - строительных площадках и в теплицах
2 1. ПРАВИЛА БЕЗОПАСНОСТИ 1. Перед использованием прибора внимательно прочитайте данное руководство по эксплу-атации. 2. Перед использованием прибора внимательно осмотрите его, включая сетевой кабель и вилку на предмет любых видимых повреждений. Не используйте поврежденный прибор. Проверьте отсутств...
Страница 7 - УСТРОЙСТВО И НАЗНАЧЕНИЕ ПРИБОРА; ) состоит из корпуса, изготовленного из листовой стали
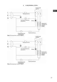
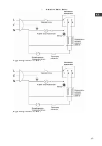
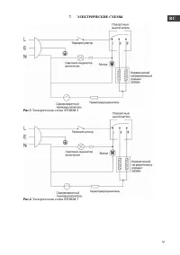
5 4. УСТРОЙСТВО И НАЗНАЧЕНИЕ ПРИБОРА Тепловые пушки предназначены для вентиляции и обогрева помещений. Исполнение тепловой пушки – переносное, рабочее положение – установка на полу, условия эксплуатации – работа под надзором. Несущая конструкция прибора (см. Рис.1 ) состоит из корпуса, изготовленног...
Страница 8 - УПРАВЛЕНИЕ; Панель управления
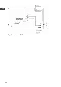
6 5. УПРАВЛЕНИЕ Рис.2 Панель управления Регулятор слева: переключатель режимов нагрева Регулятор справа: регулятор термостата Устройство может находиться в одном из следующих положений: 1.Положение в выключенном состоянии. 2.Положение режима вентиляции без нагрева. 3.Положение частичной мощности наг...
Страница 9 - Выберите один из режимов работы прибора и следуйте инструкциям:; Режим прогрева помещения
7 нагрева в исходное положение (см. Рис.2). Затем подключите тепловую пушку к элек-тросети. Включите вилку шнура питания в розетку с напряжением 230 В~50 Гц и зазем-ляющим проводом. 4. Выберите один из режимов работы прибора и следуйте инструкциям: Режим вентиляции (без нагрева) Для включения прибор...
Страница 10 - ПОИСК И УСТРАНЕНИЕ НЕИСПРАВНОСТЕЙ
8 6. ПОИСК И УСТРАНЕНИЕ НЕИСПРАВНОСТЕЙ Таблица 2. Перечень возможных неисправностей приведен в таблице ниже. Содержание неис- правности, внешнее про- явление и дополнительные признаки Вероятная причина Метод устранения Прибор не включа- ется Отсутствует напряжение в сети электропитания Проверить нал...
Страница 14 - ГАРАНТИЯ ИЗГОТОВИТЕЛЯ; Изготовитель устанавливает срок гарантии на прибор; года; блюдении требований данного руководства –; СЕРТИФИКАЦИЯ И ИЗГОТОВИТЕЛЬ
12 11. ГАРАНТИЯ ИЗГОТОВИТЕЛЯ Изготовитель устанавливает срок гарантии на прибор 2 года . Срок службы прибора при со- блюдении требований данного руководства – 5 лет. Дата изготовления указана на приборе. Срок гарантии исчисляется с даты продажи прибора. При отсутствии или исправлении даты продажи и ...
Страница 15 - Представник виробника в Украiнi:
13 Тел.: 8-800-333-50-77 (понедельник — пятница с 09:00 до 20:00; суббота, воскресенье с 10:00 до 18:00 по московскому времени; звонок по России бесплатный), e-mail: service@thermex.ru Головной сервисный центр (установка и подключение ЭВН, гарантийный и постгарантийный ремонт): Россия, 196105, г. Са...
Страница 16 - ОТМЕТКА О ПРОДАЖЕ; Подпись представителя; продавца
14 ОТМЕТКА О ПРОДАЖЕ Модель _______________________ Серийный № _______________________ Дата продажи «_____» __________________________________ 20______ г. Фирма-продавец: __________________________________________________ Подпись представителя фирмы-продавца____________________________ Изделие укомп...
Страница 47 - Wi-Fi Motion Wireless Technology; Wi-Fi Motion — технология, обеспечивающая; Other products with remote control:; Отопление; Водоснабжение
Управляй своим комфортом в любой точке мира Manage your comfort anywhere in the world Технология беспроводной связи Wi-Fi Motion Wi-Fi Motion Wireless Technology Wi-Fi Motion — технология, обеспечивающая стабильную многопользовательск ую беспро- водную связь с устройствами Thermex. Под-ключение обор...
Страница 48 - рядом с Карловыми Варами.; Станьте победителем; Д АРИМ БОНУС ВСЕМ УЧАСТНИК АМ!; Встречай
В ас ж дет волшеб-ная рождествен-ска я обстановка Чехии, знаменитые ми-нера льные ис точник и императора Карла IV, живописна я природ а, расслабляющие спа-про-це д у р ы и у н и к а л ь н а я аутентичная атмосфера отеля, стилизованного п о д с р е д н е в е к о в ы й замок чешского короля. Зареги...