Тепловые завесы Ballu BHC-U20T18-PS - инструкция пользователя по применению, эксплуатации и установке на русском языке. Мы надеемся, она поможет вам решить возникшие у вас вопросы при эксплуатации техники.
Если остались вопросы, задайте их в комментариях после инструкции.
"Загружаем инструкцию", означает, что нужно подождать пока файл загрузится и можно будет его читать онлайн. Некоторые инструкции очень большие и время их появления зависит от вашей скорости интернета.

8
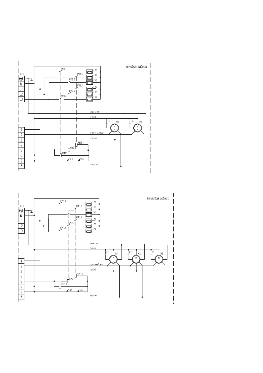
Электрические схемы
Схема электрическая принципиальная BHC-U20T18-PS
Схема электрическая принципиальная BHC-U15T12-PS
Далее приведены электрические схемы завес:
По умолчанию завеса, настроена на работу в двух
режима вентиляции "максимальный" и "мини-
мальный".
При необходимости можно произвести замену
"минимального" режима на "средний".
Для этого необходимо на клеммной колодке заве-
сы поменять местами провода между клеммами
8 и 3.
Подключите серый провод в клемму 8 а черный
провод к клемме 3.












