Тепловые завесы Ballu BHC-U20T18-PS - инструкция пользователя по применению, эксплуатации и установке на русском языке. Мы надеемся, она поможет вам решить возникшие у вас вопросы при эксплуатации техники.
Если остались вопросы, задайте их в комментариях после инструкции.
"Загружаем инструкцию", означает, что нужно подождать пока файл загрузится и можно будет его читать онлайн. Некоторые инструкции очень большие и время их появления зависит от вашей скорости интернета.

10
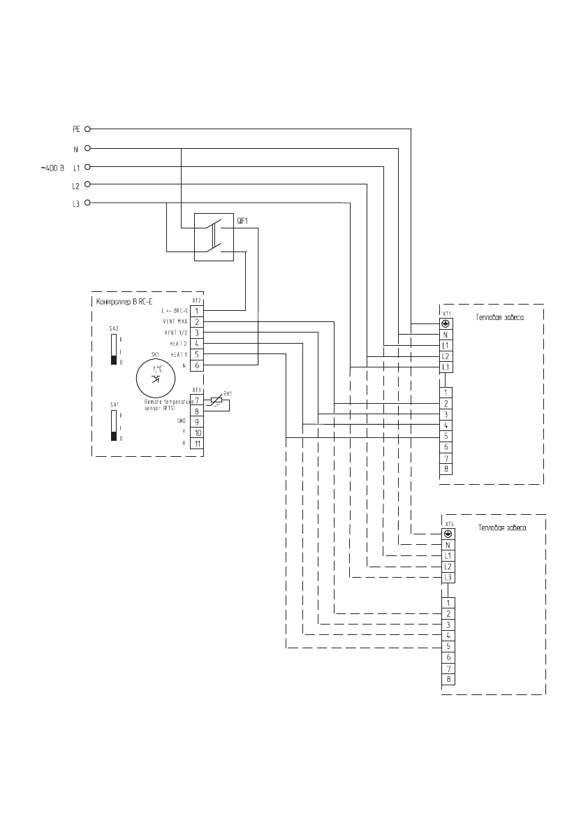
Схема электрическая принципиальная при групповом подключении тепловых завес BHC-
U15T12-PS и BHC-U20T12-PS к контроллеру BRC-E
SK1 – терморегулятор;
ХT1-ХТn – колодка клеммная;
SA1 – переключатель режимов вентиляции;
RK1 – термодатчик;
YA1 – электромагнитный привод двух-/треххобового вентиля;
QF1 – автоматический выключатель.
Электрические схемы












