Тепловые завесы Ballu BHC-U15T12-PS - инструкция пользователя по применению, эксплуатации и установке на русском языке. Мы надеемся, она поможет вам решить возникшие у вас вопросы при эксплуатации техники.
Если остались вопросы, задайте их в комментариях после инструкции.
"Загружаем инструкцию", означает, что нужно подождать пока файл загрузится и можно будет его читать онлайн. Некоторые инструкции очень большие и время их появления зависит от вашей скорости интернета.

12
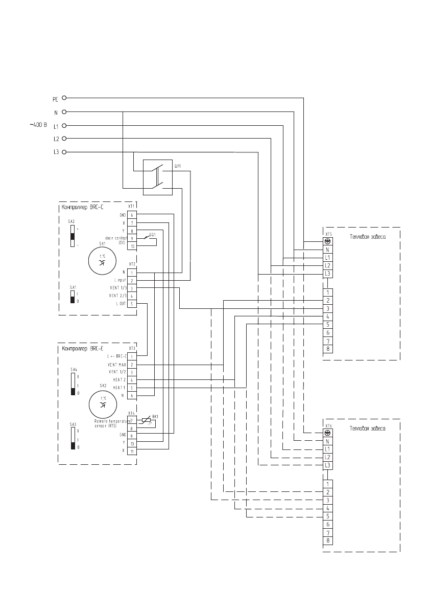
Схема электрическая принципиальная BHC-U15T12-PS и BHC-U20T18-PS при групповом под-
ключении к контроллеру BRC-E и энергосберегающему пульту BRC-C
SK1, SK2 – терморегуляторы;
ХT1-ХTn – колодка клеммная;
SA1 – переключатель включения режима защиты от
проникновения уличного воздуха;
SA2 – регулятор задержки выключения электродвигателей;
SA3 – переключатель режимов вентиляции;
RK1 – термодатчик;
SQ1 – концевой выключатель:
YA1 – электромагнитный прибор двух-/трехходового вентиля;
QF1 – автоматический выключатель.
Электрические схемы












