Тепловые пушки PATRIOT PT-R 15 - инструкция пользователя по применению, эксплуатации и установке на русском языке. Мы надеемся, она поможет вам решить возникшие у вас вопросы при эксплуатации техники.
Если остались вопросы, задайте их в комментариях после инструкции.
"Загружаем инструкцию", означает, что нужно подождать пока файл загрузится и можно будет его читать онлайн. Некоторые инструкции очень большие и время их появления зависит от вашей скорости интернета.

15
Электрическая схема тепловентилятора PT-R15
18. ПРИЛОЖЕНИЕ
L
3
L
2
L
1
N
PE
KM1.2
KM2.2
EK2
EK1
EK4
EK5
EK6
~
400
В
EK3
M1
M
~
SK3
Схема электрическая принципиальная тепловентилятора ТВ
30EKT.
EK1
- EK6 -
нагревательный элемент
;
М
1 -
электродвигатель
;
КМ
1,
КМ
2 -
электромагнитный пускатель
;
SA1 -
переключатель режимов работы
;
SK1 -
терморегулятор
;
S
К
2 -
защитный
термостат
;
SK3 -
термостат задержки выключения электродвигателя
;
ХТ
1,
ХТ
2 -
клеммная колодка
;
С
1 -
конденсатор
.
XT1
XT2
С
1
KM2.1
SK2
KM1.1
SA1
SK1
Схема коммутации переключателя
SA1
Контакты
Положение
1
2 3 4
В
- 3
Х
А
- 1
А
- 2
Х
Х
Х
Х
Х
Схема электрическая принципиальная тепловентилятора ТВ
22EKT
L
3
L
2
L
1
N
PE
KM1.2
KM2.2
EK2
EK1
EK4
EK5
EK6
~
400
В
EK3
M1
M
~
SK3
SK1
KM2.1
SK2
EK1
- EK6 -
нагревательный
элемент
;
М
1 -
электродвигатель
;
КМ
1,
КМ
2 -
электромагнитный пускатель
;
SA1 -
переключатель режимов работы
;
SK1 -
терморегулятор
;
S
К
2 -
защитный термостат
;
SK3 -
термостат задержки выключения
электродвигателя
.
KM1.1
Схема коммутации переключателя
SA1
Контакты
Положение
1
2 3 4
В
- 3
Х
А
- 1
А
- 2
Х
Х
Х
Х
Х
SA1
XT1
EK1 -
ЕК
5 -
нагревательный
элемент
;
М
1 -
электродвигатель
;
SA1 -
переключатель режимов работы
;
SK1 -
защитный
термостат
;
SK2 -
термостат задержки
выключения вентиляции
;
SK3 -
терморегулятор
;
КМ
1,
КМ
2 -
электромагнитное
реле
.
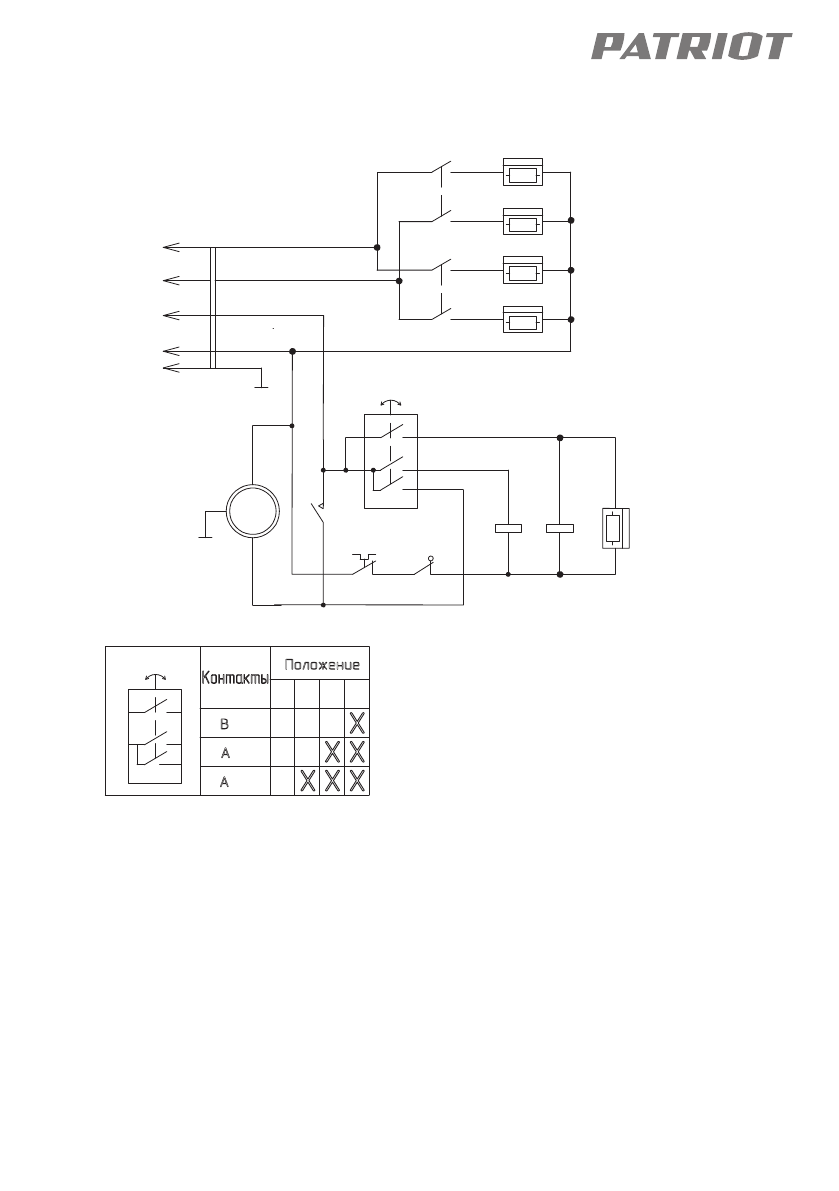
Схема электрическая принципиальная тепловентилятора ТВ
15
ЕКТ
Схема коммутации переключателя
SA1
Контакты
Положение
1
2 3 4
В
- 3
Х
А
- 1
А
- 2
Х
Х
Х
Х
Х
L
3
L
2
N
PE
~
400
В
L
1
KM1.2
EK3
EK5
EK2
KM2.2
EK4
M1
M
~
SK3
SK2
SK1
EK1
SA1
KM1.1
KM2.1
PDF created with pdfFactory Pro trial version
www.pdffactory.com
Характеристики
Остались вопросы?Не нашли свой ответ в руководстве или возникли другие проблемы? Задайте свой вопрос в форме ниже с подробным описанием вашей ситуации, чтобы другие люди и специалисты смогли дать на него ответ. Если вы знаете как решить проблему другого человека, пожалуйста, подскажите ему :)