Телевизоры Elenberg CTV-1540 - инструкция пользователя по применению, эксплуатации и установке на русском языке. Мы надеемся, она поможет вам решить возникшие у вас вопросы при эксплуатации техники.
Если остались вопросы, задайте их в комментариях после инструкции.
"Загружаем инструкцию", означает, что нужно подождать пока файл загрузится и можно будет его читать онлайн. Некоторые инструкции очень большие и время их появления зависит от вашей скорости интернета.

External connection
44
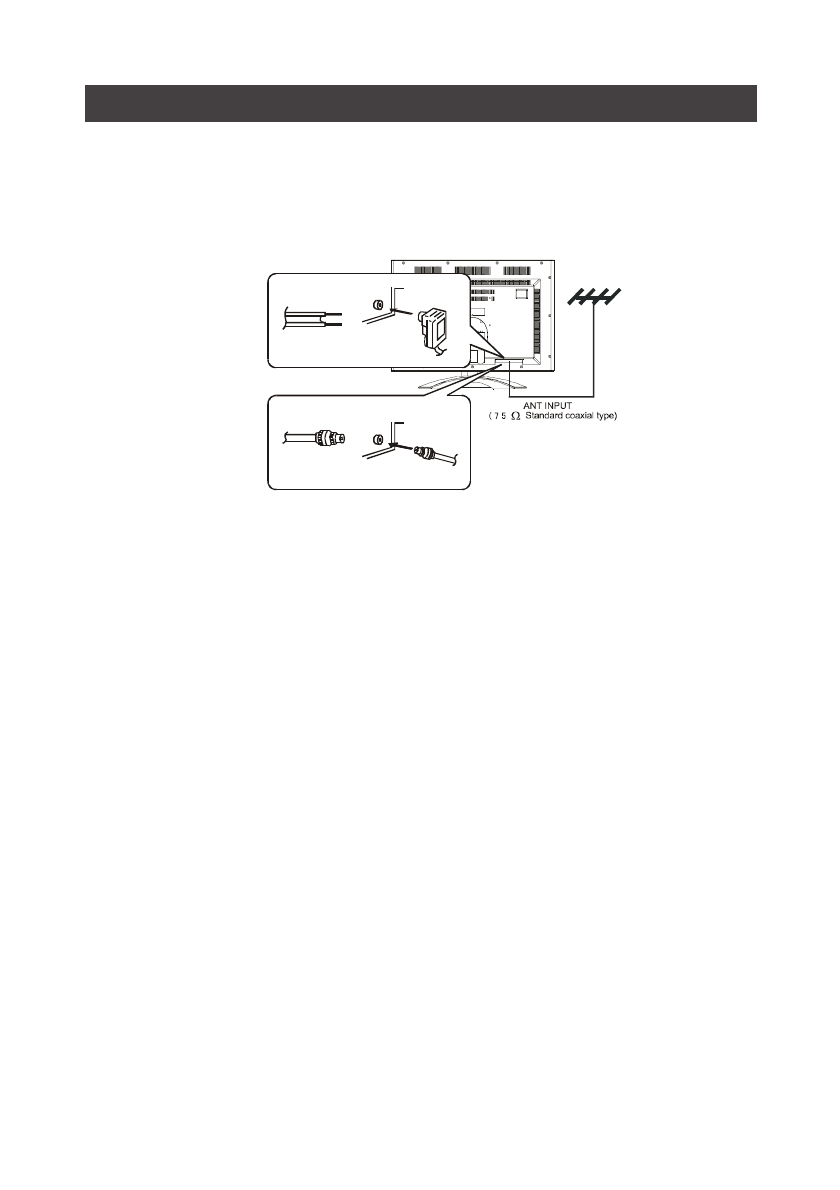
Antenna connection
The input impedance of the TV antenna is 751 , the 751 , co-axial cable connecting the VHF/UHF
antenna can be connected with the antenna socket on the rear board of the TV set. This is a 3001,
flat feed line as in the figure, which can be connected to the antenna socket via a 3001/751,
impedance converter.
300
PA R ALLEL FE ED LIN E
¡
U S E 75
-300
TIE-IN
¡
¡
A N TE N N A FEE D LIN E
75
C O -A XIAL C A BLE
¡
AN TE N N A
Note:
• 751 , co-axial cable is recommended to prevent the interference and double image due to the
unmatched input impedance of the antenna.
• The antenna/ cable and power line should not be bundled together.
Содержание
- 3 Для перемещения либо установки устройства используйте ис-
- 4 Содержание
- 5 Основное описание; Свойства
- 6 Технические характеристики; Принадлежности; В случае любых изменений в конструкции, о них не сообщается.
- 7 Внешний вид устройства; Вид спереди
- 8 Пульт дистанционного управления; лярность
- 9 Основные операции; Включение / выключение питания; Как включить / выключить питание; го управления или на самом телевизоре; Функция автоотключения дисплея; спустя 45 секунд после исчезновения входного сигнала; Память последних настроек
- 10 Автоматическое запоминание телевизионных каналов; Если устройство отображает меню «TUNER», нажмите на клавишу VOL; Выбор системы передачи звука; , после чего нажмите кнопку VOL; B G
- 11 Настройка на телевизионные каналы; Выбор системы передачи изображения
- 12 Тонкая настройка на телевизионный канал; подменю «Fine tuning», а затем нажмите на клавишу VOL
- 13 Предустановки телевизионных каналов
- 14 Выбор телевизионного канала
- 15 Коррекция изображения
- 16 Коррекция передачи звука
- 17 Выбор языка меню
- 18 Выбор яркости фона меню настроек; же настройки для дисплея и на компьютере
- 20 Внешние подлючения; Подключение антенны
- 22 Поиск и устранение неполадок
- 23 Дефекты изображения и их устранение
