Сварочное оборудование Кедр ALPHAMIG-300S - инструкция пользователя по применению, эксплуатации и установке на русском языке. Мы надеемся, она поможет вам решить возникшие у вас вопросы при эксплуатации техники.
Если остались вопросы, задайте их в комментариях после инструкции.
"Загружаем инструкцию", означает, что нужно подождать пока файл загрузится и можно будет его читать онлайн. Некоторые инструкции очень большие и время их появления зависит от вашей скорости интернета.
Загружаем инструкцию

Сварочные полуавтоматы UltraMIG-250S-1/ UltraMIG-250S-3/AlphaMIG-300S
Горячая линия КЕДР +7 (495) 134-47-47
35
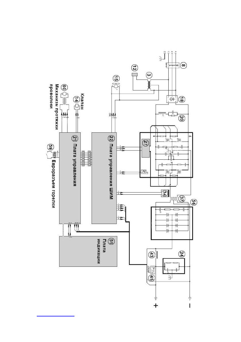
8.2 UltraMIG-250S-3/AlphaMIG-300S
Содержание
- 7 Сварочная дуга может вызвать повреждения глаз и кожи
- 8 Электромагнитное поле; Краткое введение
- 9 Комплект поставки; Технические характеристики; Параметры
- 10 Установка и регулировка
- 12 Подключение сварочных кабелей и горелки; Обслуживание сварочной горелки; Очистка лайнера для проволоки.
- 13 Замена лайнера для проволоки.
- 14 Подготовка к сварке; Положение при сварке; Подключение клеммы заземления
- 17 Схема размещения элементов на панели управления; Энкодер 1 используется для настройки параметров:; ИНДИКАТОР «ВНИМАНИЕ»:
- 18 Ручка регулировки электрической индуктивности:; Дисплей 2: отображение сварочного напряжения и форсажа дуги.
- 19 Настройка параметров сварки
- 20 Условия эксплуатации
- 23 Техническое обслуживание; Периодичность
- 24 Устранение неисправностей
- 27 Сервисное обслуживание
- 28 Список запасных частей; Наименование
Характеристики
Остались вопросы?Не нашли свой ответ в руководстве или возникли другие проблемы? Задайте свой вопрос в форме ниже с подробным описанием вашей ситуации, чтобы другие люди и специалисты смогли дать на него ответ. Если вы знаете как решить проблему другого человека, пожалуйста, подскажите ему :)
Часто задаваемые вопросы
Как посмотреть инструкцию к Кедр ALPHAMIG-300S?
Необходимо подождать полной загрузки инструкции в сером окне на данной странице
Руководство на русском языке?
Все наши руководства представлены на русском языке или схематично, поэтому вы без труда сможете разобраться с вашей моделью
Как скопировать текст из PDF?
Чтобы скопировать текст со страницы инструкции воспользуйтесь вкладкой "HTML"












