STOUT 9 кВт - Инструкция по эксплуатации

STOUT 9 кВт

Котел STOUT 9 кВт - инструкция пользователя по применению, эксплуатации и установке на русском языке. Мы надеемся, она поможет вам решить возникшие у вас вопросы при эксплуатации техники.

Если остались дополнительные вопросы — свяжитесь с нами через контактную форму.

1 Страница 1
2 Страница 2
3 Страница 3
4 Страница 4
5 Страница 5
6 Страница 6
7 Страница 7
8 Страница 8
9 Страница 9
10 Страница 10
11 Страница 11
12 Страница 12
13 Страница 13
14 Страница 14
15 Страница 15
16 Страница 16
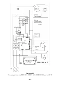
17 Страница 17
18 Страница 18
19 Страница 19
20 Страница 20
21 Страница 21
22 Страница 22
23 Страница 23
24 Страница 24
25 Страница 25
26 Страница 26
27 Страница 27
28 Страница 28
29 Страница 29
30 Страница 30
31 Страница 31
32 Страница 32
33 Страница 33
34 Страница 34
35 Страница 35
36 Страница 36
Страница: / 36

Содержание:

  • Страница 3 – «STOUT; Технические данные; Дата
  • Страница 4 – IEK; Сведения о сертификации
  • Страница 5 – TERMOSET
  • Страница 6 – Рисунок 2
  • Страница 7 – Рисунок 3
  • Страница 8 – Расположение на плате управления разъёмов для подключения; светодиоды индикации:; Гарантии изготовителя
  • Страница 9 – XT; Правила хранения и транспортирования
  • Страница 10 – Окончание работы; Техническое обслуживание; Рисунок 5; «ESC
  • Страница 11 – NTC —; Тгвс; Версия ПО; НИЗКОЕ ДАВЛЕНИЕ; ДАТЧ; ведомый; комнатный
  • Страница 12 – Графики динамики уличной и комнатной температур воздуха.; Требования безопасности; Т воды; ТЭНов; Туличн; МЕНЮ УСТАНОВКИ; СЕРВИСНОЕ МЕНЮ; OK
  • Страница 13 – ВКЛ; Подготовка к работе; Монтаж и подключение
  • Страница 14 – Габаритные и присоединительные размеры прибора.
  • Страница 15 – согласно ПУЭ и ППБ; Заполнение отопительной системы.; Название прибора; Структура и содержание меню установок.; Отображение на экране режимов работы прибора.
  • Страница 16 – Схема подключения; Порядок работы; Характеристика режимов работы:
Загрузка инструкции

"Загрузка инструкции" означает, что нужно подождать пока файл загрузится и можно будет его читать онлайн. Некоторые инструкции очень большие и время их появления зависит от вашей скорости интернета.

Краткое содержание

Страница 3 - «STOUT; Технические данные; Дата

ЛИТЯ.681936.063 РЭ 1 Общие указания Пожалуйста, ознакомьтесь с настоящим руководством до начала установки и эксплуатации прибора. Это сделает его использование комфор - тным и безопасным. 1.1 Электроприборы отопительные «STOUT котлы электрические»-5;-7; -9; -12; - 14; -18; -21; -24; -27 (SEB -0001-0...

Страница 4 - IEK; Сведения о сертификации

Таблица 1. Повышение класса энергетической эффективности отапливаемого объекта ведет к резкому снижению энергопотребления, затрат на отопление и снижению загрязнения окружающей среды, в частности при изменении класса энергоэффективности с D до А потребление энергии снижается в 2-3 раза. 2.3 По степе...

Страница 5 - TERMOSET

Таблица 3 3 Комплектность 3.1 В комплект поставки входят: - прибор STOUT . . . . . 1 шт . - датчик температуры воздуха . . 2 шт . - руководство по эксплуатации ЛИТЯ.681936.063РЭ 1 шт . - комплект крепежа . . . . 1 ком. - ремкомплект - кольцо 045-053-46-2-4 ГОСТ 9833-73 SEB -0001-000005 -SEB -0001-00...

Характеристики

Другие модели - Котлы STOUT