STOUT 5 кВт - инструкции и руководства

model-name

Котел STOUT 5 кВт - инструкции пользователя по применению, эксплуатации и установке на русском языке читайте онлайн в формате pdf

1 Page 1
2 Page 2
3 Page 3
4 Page 4
5 Page 5
6 Page 6
7 Page 7
8 Page 8
9 Page 9
10 Page 10
11 Page 11
12 Page 12
13 Page 13
14 Page 14
15 Page 15
16 Page 16
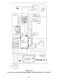
17 Page 17
18 Page 18
19 Page 19
20 Page 20
21 Page 21
22 Page 22
23 Page 23
24 Page 24
25 Page 25
26 Page 26
27 Page 27
28 Page 28
29 Page 29
30 Page 30
31 Page 31
32 Page 32
33 Page 33
34 Page 34
35 Page 35
36 Page 36

Краткое содержание

Страница 3 - «STOUT; Технические данные; Дата

ЛИТЯ.681936.063 РЭ 1 Общие указания Пожалуйста, ознакомьтесь с настоящим руководством до начала установки и эксплуатации прибора. Это сделает его использование комфор - тным и безопасным. 1.1 Электроприборы отопительные «STOUT котлы электрические»-5;-7; -9; -12; - 14; -18; -21; -24; -27 (SEB -0001-0...

Страница 4 - IEK; Сведения о сертификации

Таблица 1. Повышение класса энергетической эффективности отапливаемого объекта ведет к резкому снижению энергопотребления, затрат на отопление и снижению загрязнения окружающей среды, в частности при изменении класса энергоэффективности с D до А потребление энергии снижается в 2-3 раза. 2.3 По степе...

Страница 5 - TERMOSET

Таблица 3 3 Комплектность 3.1 В комплект поставки входят: - прибор STOUT . . . . . 1 шт . - датчик температуры воздуха . . 2 шт . - руководство по эксплуатации ЛИТЯ.681936.063РЭ 1 шт . - комплект крепежа . . . . 1 ком. - ремкомплект - кольцо 045-053-46-2-4 ГОСТ 9833-73 SEB -0001-000005 -SEB -0001-00...

STOUT Котлы Инструкции