Страница 3 - «STOUT; Технические данные; Дата
ЛИТЯ.681936.063 РЭ 1 Общие указания Пожалуйста, ознакомьтесь с настоящим руководством до начала установки и эксплуатации прибора. Это сделает его использование комфор - тным и безопасным. 1.1 Электроприборы отопительные «STOUT котлы электрические»-5;-7; -9; -12; - 14; -18; -21; -24; -27 (SEB -0001-0...
Страница 4 - IEK; Сведения о сертификации
Таблица 1. Повышение класса энергетической эффективности отапливаемого объекта ведет к резкому снижению энергопотребления, затрат на отопление и снижению загрязнения окружающей среды, в частности при изменении класса энергоэффективности с D до А потребление энергии снижается в 2-3 раза. 2.3 По степе...
Страница 5 - TERMOSET
Таблица 3 3 Комплектность 3.1 В комплект поставки входят: - прибор STOUT . . . . . 1 шт . - датчик температуры воздуха . . 2 шт . - руководство по эксплуатации ЛИТЯ.681936.063РЭ 1 шт . - комплект крепежа . . . . 1 ком. - ремкомплект - кольцо 045-053-46-2-4 ГОСТ 9833-73 SEB -0001-000005 -SEB -0001-00...
Страница 6 - Рисунок 2
Прибор обладает многими компонентами микрокотельной: в состав изделия входит циркуляционный насос, автоматический воздухоотводчик, предохранительный клапан, пневмогидроаккумулятор (экспанзомат), предусмотрен контроль давления в системе. Для удобства клиента прибор снабжён графическим дисплеем, отобр...
Страница 7 - Рисунок 3
- утеряно Руководство по эксплуатации. - установка компенсатора объемного расширения и предохранительного клапана с нарушениями требований настоящего руководства или отсутствие их в отопительной системе. 1 1.5 При обнаружении неисправностей в приборе потребитель обязан вызвать работника сервисной сл...
Страница 8 - Расположение на плате управления разъёмов для подключения; светодиоды индикации:; Гарантии изготовителя
Прибор состоит из: задней панели (5 ) с установленными на ней: зажимом заземле- ния (6 ) для подключения пользователя; пневмогидроаккумулятором (экспанзоматом) (7 ), зафиксированным кронштейнами; котлом в теплоизоляции (8 ). На отогнутой части панели зафиксированы входной (9 ) и выходной (10 ) патру...
Страница 9 - XT; Правила хранения и транспортирования
Разъёмы ХТ1- ХТ4 представляют собой винтовые зажимы, для винтов которых целесообразно применять отвертку, имеющуюся в комплекте, отсоединяемые от платы, предназначены для следующих устройств: 4.5.1 разъём ХТ1 предназначен для подключения датчика комнатной температу- ры воздуха. Датчик входит в компл...
Страница 10 - Окончание работы; Техническое обслуживание; Рисунок 5; «ESC
упрощенный алгоритм термостатирования. В случае отключения комнатного датчика – управление по кривой нагрева теплоносителя в зависимости от уличной температуры (см. п. 7.4.2.4). При отключении уличного датчика температуры —управление по данным комнатного. При отключении обоих датчиков воздуха прибор...
Страница 11 - NTC —; Тгвс; Версия ПО; НИЗКОЕ ДАВЛЕНИЕ; ДАТЧ; ведомый; комнатный
24 +3 19 ТЭНы : 0/9 лето 5 º С 8 º С - ОТКЛ - ГВС 1.1b ТСТ Рисунок 6 Информация главного окна 1 - Отображение текущего состояния. Может принимать одно из следующих значений: «ОТКЛ», «НОРМА», «ГВС» (при срабатывании термостата ГВС), «ГВС и текущее показание датчика ГВС» (при наличии датчика); на прав...
Страница 12 - Графики динамики уличной и комнатной температур воздуха.; Требования безопасности; Т воды; ТЭНов; Туличн; МЕНЮ УСТАНОВКИ; СЕРВИСНОЕ МЕНЮ; OK
4.7.5 Окна временных графиков показаны на рис. 8, 9 Рисунок 8. Графики динамики числа включенных ТЭНов и температуры теплоносителя. Рисунок 9. Графики динамики уличной и комнатной температур воздуха. Графики динамики отображают изменение во времени одного из параметров: число включенных ступеней мощ...
Страница 13 - ВКЛ; Подготовка к работе; Монтаж и подключение
Рисунок 19 Отопительная кривая прибора. Вертикальная шкала – температура теплоноси- теля, горизонтальная - температура наружного воздуха. 7.4.3 Настройка внутренних параметров и установок. В 3-м пункте меню установок «3. Настройка» настраиваются внутренние парамет - ры работы устройства (см. рис. 20...
Страница 14 - Габаритные и присоединительные размеры прибора.
МЕНЮ УСТАНОВКИ 1. Режим работы 2. Уста-вка температур УСТА-ВКИ ТЕМПЕР-УР 1. Устав-ка Т воды 2. Уста-вка Т воздуха OK УСТАВКА Т воды: УСТАВКА Т воздуха: УСТАВКА Т воды ГВС: УСТАВКА Т ОС погоды: Т = 67 º С Т = 22 º С Т = 70 º С Т = 40 º С OK- задать ESC- отм OK- задать ESC- отм OK- задать ESC- отм OK-...
Страница 15 - согласно ПУЭ и ППБ; Заполнение отопительной системы.; Название прибора; Структура и содержание меню установок.; Отображение на экране режимов работы прибора.
МЕНЮ УСТАНОВКИ 1. Режим работы 2. Уста-вка температур РЕЖИМ РАБОТЫ: РЕЖИМ РАБОТЫ: РЕЖИМ РАБОТЫ: КОМНАТНЫЙ ОТОПЛЕНИЕ ЛЕТО (ВЫКЛ) OK- задать ESC- отм OK- задать ESC- отм OK- задать ESC- отм 6.1.12 Подключение прибора к электрической сети производится в соответствии с рис. 11-15 только через внешний ав...
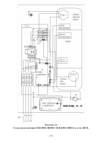
Страница 16 - Схема подключения; Порядок работы; Характеристика режимов работы:
Рис. 11 Схема подключения SEB-0001-000005÷SEB-0001-0000 07 к сети 220 В. 7 Порядок работы 7.1 Включение прибора. 7.1.1 Проверьте наличие теплоносителя в системе. 7.1.2 Включение прибора осуществляется включением внешнего автоматичес- кого выключателя, от которого проходит к прибору силовой кабель. П...