Синтезаторы Elenberg MS-4940 - инструкция пользователя по применению, эксплуатации и установке на русском языке. Мы надеемся, она поможет вам решить возникшие у вас вопросы при эксплуатации техники.
Если остались вопросы, задайте их в комментариях после инструкции.
"Загружаем инструкцию", означает, что нужно подождать пока файл загрузится и можно будет его читать онлайн. Некоторые инструкции очень большие и время их появления зависит от вашей скорости интернета.

17
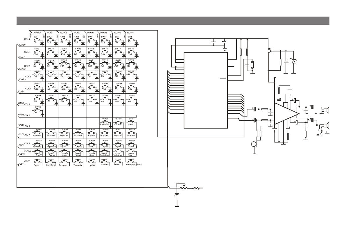
This circuit diagram is only for your reference. Forgive us not to give an urgent announcement if any data of
circuit element is timely charged.
THE CIRCUIT DIAGRAM OF ELECTRONIC KEYBOARD
IOCD4
0.22u
100K
10K
IOCD7
PltchBend
IOAB0
IOAB0
VDD
VDD
VCC DC9V
15K 61K
Q1
1k
1k
1k
Rexct
Switch
OSCOP
RESET
SLPPAD
INL
INR
OSCI
TEST
AVDD
AVSS
ASS
V1
0.1u
0.1u
2.2U
2.2U
2.2U
56
16
103
103
47K
47
K
10
2025
11 13
12
14
100U
100U
104
L
R
104
100U
100U
1000U
1000U
15
2.2
2.2
2
3
5
4
8
6
56
7
100U
5.1V
220u
14
29
28
27
26
30
25
24
23
22
21
20
19
18
24
36
31
36
33
32
1
2
3
4
5
6
7
8
9
10
11
13
14
15
16
IOAB1
IOAB1
IOAB2
IOAB2
IOAB3
IOAB3
IOAB4
IOAB4
IOAB5
IOAB5
IOAB6
IOAB6
IOAB7
IOAB7
IOCD0
IOCD0
IOEFO0
IEF0
IEF1
IEF2
IEF3
IEF4
IEF5
IEF6
IEF7
IOEFO1
IOEFO2
IOEFO3
IOEFO4
IOEFO5
IOEFO6
IOEFO7
AUD1
AUD2
IOCD1
IOCD1
IOCD3
IOCD4
IOCD4
IOCD5
IOCD5
IOCD6
IOCD6
IOCD7
IOCD7
IOGHO17
IOGHO17
(OUT)
(Im)
