Страница 2 - Плавная модуляция мощности; М Е Д В Е Д Ь; Руководство по монтажу; Напольный чугунный котел
Мощностной ряд 17 – 44,5 кВт Плавная модуляция мощности Встроенный бойлер ГВС объемом 90 л М Е Д В Е Д Ь RU В Е Р С И Я 0020129218_00 Руководство по монтажу и эксплуатации котла 20, 30, 40, 50 KLZ Напольный чугунный котел
Страница 4 - Медведь; Obsah; Содержание
1 Медведь 20 (30, 40, 50) KLZ Заводской номер, обозначение типа, технические данные котла обозначены на шильдике под панелью управления. Чтобы прочитать информацию на шильдике, необходимо откинуть переднюю панель облицовки котла. В разделе „Руководство по эксплуатации“ содержится описание основных ф...
Страница 5 - Введение
2 Газовые котлы PROTHERM 50(40,30,20) KLZ используются в качестве теплогенераторов в автономных системах водяного отопления. Они могут применяться для эксплуатации в новых системах и для модернизации существующих систем отопления в одно- и многоквартирных жилых домах, а также на торгово-промышленных...
Страница 7 - Управление и сигнализация; Главный выключатель
4 РУКОВОДСТВО ПО ЭКСПЛУАТАЦИИ РУКОВОДСТВО ПО ЭКСПЛУАТАЦИИ Управление и сигнализация Главный выключатель Главный выключатель (рис.1, поз.7) предназначен для включения и выключения котла. Он располагается в правой части панели управления. Предупреждение: Ввод котла в эксплуатацию и его первый запуск д...
Страница 8 - Установка температуры отопления
5 Выбор режима считывания Выбор режима настройки Установка температуры воды в бойлере Для установки температуры воды в бойлере нажмите 1 раз кнопку MODE. В этом режиме диод, расположенный в левом верхнем углу начнет мигать, а диод в правом нижнем углу загорится. Пользуясь кнопкой ,выберите требуемое...
Страница 9 - Эквитермический режим; Установка крутизны кривой; Параллельное смещение кривой; Рис
6 Эквитермический режим Настройка эквитермического режима, т.е. выбор угла наклона эквитермической кривой „E“ и ее параллельного смещения „P“ возможен только в случае подключения к котлу наружного датчика температуры. Примечание: Если наружный датчик температуры отсутствует, то котел не позволит пол...
Страница 11 - Сообщения об ошибках; Таймер
8 Сообщения об ошибках Код Значение Причина F1 Потеря пламени Данная ошибка означает необратимое блокирование автоматики розжига и прекращение подачи газа через газовый клапан, т.е. ПОТЕРЮ ПЛАМЕНИ. Подобная блокировка может возникать в тех случаях, когда, находясь в режиме открытого газового клапана...
Страница 12 - Пуск и отключение котла
9 Пуск котла Предупреждение: Ввод котла в эксплуатацию и его первый пуск должен быть произведен только аттестованным фирмой Protherm специалистом специализированной организации! Выполняя первый запуск котла, убедитесь в том, что: 1. котел подключен к электрической сети и при этом не перепутаны фаза ...
Страница 13 - Защитные функции котла
10 устанавливается такая температура системы отопления, которая способна компенсировать тепловые потери отапливаемого здания при самой низкой расчетной наружной температуре для данного региона. Примечание: Компания PROTHERM предлагает в качестве дополнительных аксессуаров несколько комнатных регулят...
Страница 14 - Защита от перегрева; Сервис и уход
11 интервалом не менее 1 минуты или падением температуры теплоносителя на 8°C. Примечание: В случае, если котел был выключен по команде комнатного регулятора, данное ограничение не действует. Защита от перегрева Функция защиты от перегрева включает насос отопления при превышение значения температуры...
Страница 15 - Гарантийные условия
12 теплоносителя в системе отопления, подпитывая ее при необходимости. Подпитка системы отопления возможна только после охлаждения котла до температуры ниже 40 °C (по данным от датчика температуры, установленного в котле). Невыполнение данного требования может привести к возникновению трещин в резул...
Страница 16 - Технические параметры
13 Медведь 20 KLZ Медведь 30 KLZ Категория . . . . . . . . . . . . . . . . . . . . . . . . . . . . . . . . . . . . . . . . . . . . . . II 2H3P Исполнение . . . . . . . . . . . . . . . . . . . . . . . . . . . . . . . . . . . . . . . . . B 11BS Зажигание . . . . . . . . . . . . . . . . . . . . . . . ....
Страница 18 - ød
15 120 290 460 976 607 792 153 730 1385 50 a c 750 e Подсоединительные размеры котла 20 (30, 40, 50)KLZ Тип a b c e ød 20 KLZ 327,5 191 505 177,5 130 30 KLZ 285 106 505 220 130 40 KLZ 242,5 21 505 262,5 150 50 KLZ 285 21 590 305 180 Рис . 5 A – Патрубок входа ХВС 3/4“ B – Патрубок циркуляции ГВС 3/4...
Страница 23 - Комплектность поставки
20 Комплект поставки котла Котлы PROTHERM Медведь 20 (30, 40, 50) KLZ поставляются в собранном виде и рабочем состоянии. В комплект поставки котла входит арматура безопасности (предохранительный и обратный клапаны) для присоединения контура ГВС, а также комплект регулировочных ножек (5). В комплект ...
Страница 24 - Подготовка к установке котла
21 Оснащение котла Котел PROTHERM 20 (30, 40, 50) KLZ состоит из следующих частей: - чугунного теплообменника с изоляцией,- коллектора продуктов сгорания,- газовой части,- облицовки с блоком управления.- гидравлической части,- бойлера ГВС. Чугунный теплообменник котла Теплообменник состоит из секций...
Страница 26 - Установка котла
23 Установка котла При проведении сервисных работ в случаях, когда котел остается подключенным к электрической сети (даже если сетевой выключатель выключен), необходимо соблюдать требования по безопасности, предъявляемые при обслуживании и эксплуатации электрических приборов. Внешние панели котла яв...
Страница 28 - Обслуживание котла; Регулирующая газовая арматура
25 Подготовка и запуск котла Проверьте значение давления воды по манометру котла. Откройте запорный газовый кран, обеспечьте подачу газа в котел. Подключите котел к электросети и нажмите кнопку главного выключателя. Значение температуры отопления и горячей воды установите приблизительно на середине ...
Страница 30 - Запуск насоса; Стартовая мощность котла
27 Режим снижения температуры в режиме отопления Нажмите кнопку MODE и держите ее нажатой приблизительно 10 секунд. После этого на дисплее появится параметр „u“, светодиод в левом верхнем угле начнет мигать. С помощью этого параметра устанавливается интервал снижения мощности нагрева теплоносителя, ...
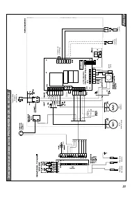
Страница 31 - Электрическое подключение котла
28 Котел предназначен для подключения к однофазной трехпроводной электросети 220 В 50 Гц с защитным проводником согласно действующим ПУЭ. Не допускается менять местами провода «фаза» (L – коричневый провод) и «ноль» (N – синий провод). Не разрешается использовать различные переходники, удлинители и ...
Страница 32 - Перестройка на иной вид топлива
29 Переналадку котла на другой вид топлива может проводить только аттестованный фирмой Protherm специалист специализированной организации.Переналадка котла осуществляется следующим способом: 1. Демонтируйте горелку котла;2. Замените все форсунки горелки на иной тип (в зависимости от вида топлива).3....