Страница 5 - настолько теплой, чтобы предоставляла опасность.; Предписания и нормы; a) к отопительной системе
3 горючие и взрывоопасные пары (напр., испарения красок при покраске, при утечке газа и т.п.) - если необходимо слить воду из котла или из любого места системы, вода не должна быть настолько теплой, чтобы предоставляла опасность. - не проводить повторный пуск котла, пока не нормализованы условия для...
Страница 6 - Обеспечение безопасности оборудования и лиц.; соблюдать общие правила согласно следующих документов :; Характеристика котла
4 ЧСН 33 1500 : 1991 – Ревизия электрических приборов.ЧСН EN 60 335-1 : 1997 – Безопасность электрических приборов для бытового применения и подобных целей. Часть 1 – Общие требования. г) для дымоходов ЧСН 73 4210 : 1989 – Строительство дымоходов и подсоединение топливных аппаратов. ЧСН 73 4201 : 19...
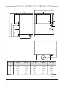
Страница 8 - котла; Основные и присоединительные размеры котла
6 Т и п котла 65 KLO 85 KLO 100 KLO 130 KLO 150 KLO A 850 1010 1170 1410 1570 B 460,5 540,5 620,5 740, 5 820,5 C 860,3 850,3 840,3 825,3 825,3 D 180 200 220 220 250 C 11 95 370 720 960 850 75 B A 125 544 92 G6/4" G6/4" D 605 52 111 G1" Основные и присоединительные размеры котла Рис.1
Страница 9 - Оснащение котла; Котел PROTHERM KLO состоит из:; Чугунное тело; состоит из элементов и служит одновременно как камера сгорания; Панель горелки; проводится запальной горелкой. При требовании; Потери давления котлового тела
7 Оснащение котла Котел PROTHERM KLO состоит из: 1. чугунного тела котла, включая изоляцию, и трубопроводных участков гидравлических присоединений,2. доски горелки, включая газовые трубки и пускового оборудования,3. коллектора продуктов сгорания, включая прерыватель тяги и термостат SKKT4. внешнего ...
Страница 10 - Запальная горелка всегда работает вместе с главной горелкой.; Коллектор продуктов сгорания; непосредственно соединен с прерывателем тяги, а за; Общие положения при установке котла; Подсоединение к подаче газа
8 нагрева ОВ в запальную горелку подается газ из газового клапана и одновременно происходит искрение на ее конце, которое вызывается автоматикой зажигания. После розжига запальной горелки и подтверждения пламени с помощью ионизационного электрода, подается газ в главную горелку, который разжигается ...
Страница 11 - KLO; Рабочая схема котла
9 1. Панель для контроля2. Покрытие прерывателя тяги3. Выход продуктов сгорания4. Прерыватель тяги5. Термостат продуктов сгорания6. Выход ОВ7. Подача газа8. Звенья чугунного тела 9. Вход ОВ 10. Камера сгорания11. Основание котла12. Подача воздуха для сгорания13. Горелка14. Подача воздуха для сгорани...
Страница 12 - одноразовое добавление хелатного реагента.; Использование незамерзающих растворов
10 концентрации эмиссий и чтобы сохранялась соответствующая температура. Стационарный чугунный котел PROTHERM KLO отбирает воздух для сгорания из помещения, где установлен. Воздух для сгорания, приводимый в котел, не должен содержать пыль и агрессивные или горючие материалы (пары растворителей, крас...
Страница 13 - Размещение котла; работ по обслуживанию.
11 (G 1“) таким способом, чтобы соединительные окончания котла не были под нагрузкой труб отопительной системы. Соединительные окончания должны иметь внешние резьбы. Рекомендуется установить на соединительных местах закрывающие вентили, чтобы при ремонтах не возникала необходимость слива отопительно...
Страница 14 - Мероприятия против замерзания
12 несущую способность и не должен быть скользким. Уборка помещения должна проводиться только сухим способом (например, пылесосом). Котел должен размещаться на негорючей подставке. В случае, если пол изготовлен из горючего материала, необходимо оснастить котел несгораемой, изоляционной подкладкой, к...
Страница 15 - Основное описание регуляторов Siemens; Вс
13 (желто-зеленого цвета). Не разрешается пользоваться различными “тройниками” и т.п. Котел защищен от перегрузки и короткого замыкания плавким предохранителем (Т 4А/250В), размещенным на панели управления. Возможную замену предохранителя должен проводить сервисный техник. При управлении котла комна...
Страница 16 - Управление и сигнализация; для потребителя и сервисного обслуживания.; Панель управления; не является частью поставки котла
14 Управление и сигнализация Размещение отдельных элементов управления и сигнализации котла изображено на рис.панели управления (рис. 5). Панель управления разделена на 2 части:- контрольная, где находятся основные элементы управления и контроля и главный выключатель. - главная (размещена под передн...
Страница 17 - Описание элементов управления
15 Описание элементов управления Главный выключатель - отключает подачу электрической энергии в котел Сигнализация неисправности потери пламени – загоранием красной лампочки сигнализируется неисправность в результате погасания пламени. Причиной неисправности может быть прекращение подачи газа при ст...
Страница 18 - Обслуживание котла; Требования по обслуживанию котла
16 ведущие к таким нарушениям, потребителю ни в коем случае не разрешается манипулировать с данными элементами!!! Кнопка RESET – нажатием кнопки можно устранить неисправность, сигнализированную красной сигнальной лампочкой потери пламени. При повторении этой неисправности, необходимо вызвать сервисн...
Страница 19 - Основные инструкции по обслуживанию котла :; открытых системах в диапазоне 0 до 80°C.; ВАЖНЫЕ ПРЕДУПРЕЖДЕНИЯ
17 Основные инструкции по обслуживанию котла : 1. Выключение или включение котла помощью сетевого выключателя на панели управления.2. При обслуживании котла комнатным или эквитермическим регулятором, все операции управления отопительной системы проводятся на самом регуляторе. Рабочий регулятор котла...
Страница 20 - Пуск котла; термостате резервуара ГВС.; Отключение котла
18 опасность ожога. 10.Потребитель должен проводить установку, введение в работу, регулярное сервисное обслуживание и устранение неисправностей только у договорной сервисной организации PROTHERM. В случае несоблюдения этого условия, не действует гарантия на функцию работы котла. 11.Необходимо провод...
Страница 21 - д) Контроль и чистка фильтров и грязевиков :; Соблюдение технических требований к котлам и их использованию
19 длительном отключении, необходимо закрыть подачу газа и отключить котел от электросети отсоединением электрического штекера из розетки. Если не угрожает замерзание котла, можно оставить в нем воду, в противном случае, необходимо слить воду из котла , бойлера ГВС и системы. Если устройство отопите...
Страница 22 - производителя с соответствующими лицензиями.; Гарантия и гарантийные условия; Стандартная поставка; Котел PROTHERM KLO поставляется в транспортной упаковке; Специальная поставка; По специальной заявке к котлу поставляются :; Транспортировка и складирование; среда, влажность воздуха до 75% , диапазон температур 5 – 55
20 Соблюдение норм при монтаже котла, его введении в эксплуатацию, гарантийном и послегарантийном сервисе обеспечиваются официальными сервисными организациями производителя с соответствующими лицензиями. При использовании котла необходимо действовать согласно данной инструкции и сопроводительной док...
Страница 23 - Отвод продуктов сгоратия; NO; Присоединительные размеры; Технические параметры котлов ряда KLO
21 Тип котла ................................ 65 KLO ............... 85 KLO .............. 100 KLO .............. 130 KLO ............. 150 KLO Кол-во звеньев ..........................8 .......................... 10 .........................12 ........................ 15 ......................... 1...
Страница 25 - Сборка котла после транспортировки; Вытянуть часть прерывателя тяги и; Покрытие котла
23 Данные инструкции предназначены только для сервисной организации и являются неотделимой частью «Инструкции по обслуживанию. Установка котла Сборка котла после транспортировки Котлы ряда KLO по причинам транспортировки поставляются с прерывателем тяги в горизонтальном положении. После транспортиро...
Страница 26 - задней части котла. После чего, снять покрытие в направлении вверх.; Насос отопительной системы; ОВ на величину макс. 80; Электрическое подключение котла
24 помощью шпоночных зажимов в верхних углах. При снимании покрытий необходимо преодолеть давление скобок, скрепленных штырями навеса. После чего можно легко снять покрытие. Верхнее покрытие снимается после отвинчивания 2 саморежущих винтов, размещенных в задней части котла. После чего, снять покрыт...
Страница 27 - Подсоединение котла с непрямонагреваемым резервуаром; непрямонагреваемого резервуара с помощью:; Подсоединение эквитермического регулятора
25 котла для подключения вспомогательных приборов. Панель остается соединеной с электрической коробкой с помощью проводников и капилляров датчиков и термостатов. Предупреждение: необходимо провести заземление котла. Если котел будет применяться с комнатным регулятором, перед его подсоединением должн...
Страница 28 - датчик температуры воды в котле из эквитермического регулятора.; Описание элементов безопасности
26 является вспомогательное поверхностное соединение, который служит напр. для для подсоединения насосоа и клапанов для смесительных контуров. В случае использования некоторого из выходов, присоедините проводники от коннектора „J1“ согласно схемы. Примечание: каждый из приведенных регуляторов требуе...
Страница 30 - Подготовка и старт котла; Проведем обезвоздушниваниегазового подсоединения.
28 следующие : a) Закрытые клапаны ОВ на входе и выходе из котлаб) неправильная температурная настройка аварийного термостата в) неправильные расчеты насоса ОВг) загрязненный фильтр ОВд) загрязненный грязевике) препятствие в отопительной системе ж) загрязненный теплообменник про.сгорания / вода Обсл...
Страница 31 - Техническое обслуживание котла
29 в отопительную систему. Во время работы котла проводим контроль герметичности всех соединений газового тракта в котле напр. мыльным раствором. Возможные негерметичности (возникшие напр., при транспортировке котла) необходимо устранить и контроль повторить. е) В конце подготовки и старта котла нео...
Страница 32 - Настройка давления газа 65-100 KLO стандарт – природный газ
30 рекомендуемые. При обнаружении неисправностей не разрешается продолжать работу котла до устранения причин неисправностей!!! При проведении ремонтных работ, необходимо провести мероприятия для предотвращения возможного ущерба здоровья, главным образом, ожоги, электрический ток и т.п. Если механиче...
Страница 33 - Настройка сниженной мощности; Настройка давления газа для котлов KLO – природный газ.
31 6. Переключателем мощности переключите котел на максимальную мощность (два факела).7. Ослабьте покрытие на газовом клапане GV2 (рис. 13 / поз. 3), кде находится пластмассовый винт мощности (максимальная мощность). 8. согласно табл. 5 для давления на входе настройте требуемое давление газа на выхо...
Страница 34 - ) с помощью крестовой отвертки; Прием прочистки разделителя оборотной воды
32 Настройка давления газа 130-150 KLO стандарт – природный газ Настройка 100% мощности 1. Ослабьте винт измерительного места входного давления газа на газовом клапане 2. Измерьте манометром (U-шлангом) входное давление газа в котел3. Ослабьте винт измерительного места давления газа на выходе в горе...
Страница 35 - Таблица 5; mmH
33 Котлы 65 - 100 KLO - 100% мощность Таблица для настройки двур газовых арматур в давленно нестабильной сети там, куда мочь давление колебать в диапазон 12,75 - 25 мБар GV1 - газовая арматура с выходом на пилотную горелку Sit NOVA 843 GV2 - газовая арматура с выходом на пилотную горелку Sit NOVA 84...
Страница 36 - Таблица 6
34 Таблица 6 Тип / кол-во элементов 130 KLO / 15 150 KLO / 17 давл. перед г.а. давл. на раз. форс. давл. перед г.а. давл. на раз. форс. mmH 2 O mmH 2 O 130 72 130 72 140 73 140 74 150 73 150 75 160 74 160 75 170 74 170 76 180 74 180 76 190 74 190 77 200 74 200 77 250 74 250 78 130 - 150 KLO давление...
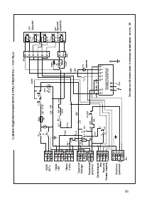
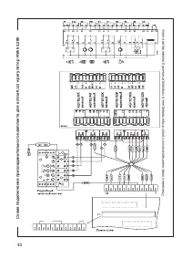
Страница 39 - Условные обозначения к эл.схемам 65 – 150 KLO; TS
37 Условные обозначения к эл.схемам 65 – 150 KLO HV - главный выключатель PO1 - сетевой предохранитель PT-TOP - раб.регулятор отопления TL1 - кнопка для устранения ошибки, RESET DT1 - сигн.ламп.красная, сигнализация состояния – ошибка DT2 - сигн.ламп.оранжевая, сигнализация превышения макс.температу...
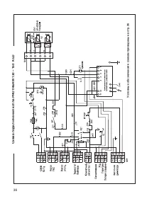
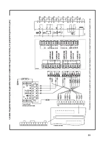
Страница 40 - нем
38 Сх ема по дключения присоединительног о к омплекта для к о тла KL O и регулятор R V A 43-222 Описание клемм эквитермическ ог о регулятор а приве дены в сопрово дительной документ ации к нем у
Страница 44 - Представительство
С правом на изменения Protherm Production s.r.o.Jurkovičova 45909 01 SkalicaSlovak republic Представительство PROTHERM 123424, Россия, г. Москва, ул. Народного ополчения, д. 34 Тел.: (495) 788-75-44Факс: (495) 788-45-65 www.protherm-ru.ru