Страница 4 - Содержание
3 PROTHERM 50 (40, 30, 20) TLO Заводской номер, обозначение типа, технические данные котла обозначены на шильдике под панелью управления. Чтобы прочитать информацию на шильдике, необходимо откинуть переднюю панель облицовки котла. Содержание Введение . . . . . . . . . . . . . . . . . . . . . . . . ....
Страница 5 - Уважаемый Покупатель !; Введение
4 Уважаемый Покупатель ! Вы стали владельцем низкотемпературного котла, независимого от электроснабжения PROTHERM 20 (30,40,50) TLO. Мы уверены, что при правильной эксплуатации и соответствующем уходе, котел будет служить Вам долго и исправно. Поэтому внимательно изучите эту инструкцию и соблюдайте ...
Страница 6 - Низкотемпературный котёл
5 пользователю всю сопроводительную документацию по котлу (руководство по обслуживанию, паспорт изделия и разрешительные документы). На случай возможной транспортировки котла, его оригинальную упаковку необходимо сохранять до тех пор, пока котел не будет введен в эксплуатацию! Котёл, независимый от ...
Страница 7 - Руководство по эксплуатации; Характеристика котла и типы
6 Руководство по эксплуатации Характеристика котла и типы Описание свойств котла Котел надежен и устойчив в работе, прост в монтаже и обслуживании, устанавливается на полу и имеет отвод продуктов сгорания в дымоход. Котёл имеет следующий типовой ряд: PROTHERM 50 TLO, PROTHERM 40 TLO, PROTHERM 30 TLO...
Страница 8 - Облицовка; Предназначение и технические нормы безопасности
7 организацией. Редукционным вентилем давления должно быть обеспечено номинальное давление газа на входе в котел 30 мбар. Котел рассчитан на рабочее давление воды в системе отопления 4 бара. Вода в системе отопления должна иметь значение pH > 7, а ее карбонатная жесткость должна быть минимальной....
Страница 10 - Установка котла
9 Демонтаж и монтаж котла включает: а) демонтаж облицовки - Переднюю панель можно откинуть, потянув верхнюю кромку на себя. Верхняя панель, после вывинчивания двух находящихся сзади винтов, откидывается снизу вверх. - после этого ослабляются болты, прикрепляющие боковые стенки к станине и к опорной ...
Страница 11 - Описание функций управляющих элементов.
10 Присоединение газа также находится на задней стороне котла - между гидравлическими присоединительными патрубками котла. Котел устанавливается на строительный фундамент, т.е. на пол или подставку. Для облегчения присоединения котла к системе отопления в труднодоступных местах возможно использовать...
Страница 12 - Функция; СКТД; Подготовка и запуск котла; Первый пуск; Эксплуатация котла
11 Функция СКТД Котел оснащен системой контроля тяги дымохода (СКТД). При недостаточной тяге в дымоходе сработает термостат продуктов сгорания, котел автоматически выключится (прекратится подача газа в котел). Подготовка и запуск котла Ввод котла в эксплуатацию после его установки может проводить то...
Страница 13 - Техническое обслуживание; Указания по безопасности
12 опорожнить. Однако, необходимо избегать частых сливов и подпиток системы отопления во избежание образования накипи и отложений внутри котла, а также возникновения коррозии оборудования. Техническое обслуживание Раз в год, желательно, перед началом отопительного сезона, рекомендуется производить с...
Страница 14 - Стандартная поставка
13 Транспортировка и складирование Комплектность поставки Котлы PROTHERM должны транспортироваться и храниться в оригинальной упаковке в соответствии с правилами , нанесенными на упаковку с помощью международных стандартизированных пиктограмм. При хранении необходимо соблюдать стандартные складские ...
Страница 16 - Рабочая схема котла
15 рис. 1 1. Панель управления 8. Подсоединение газа 15. Подача первичного воздуха 2. Крышка отверстия для чистки 9. Чугунный теплообменник 16. Форсунки горелки 3. Коллектор продуктов сгорания 10. Камера сгорания 17. Катушка газовой арматуры 4. Штуцер дымохода 11. Обратная линия системы отопления 18...
Страница 17 - Размеры для подключения котла
16 Размеры для подключения котла рис. 2 1. Панель управления 9. Ниппель для измерения давления газа 2. Сервисные элементы 10. Горелка 3. Датчик температуры теплоносителя 11. Штуцер дымохода 4. Чугунный теплообменник 12. Стабилизатор тяги 5. Кнопка пьезорозжига 13. Термостат продуктов сгорания 6. Газ...
Страница 19 - Последовательность при розжиге и отключении котла; Тип
18 Шаг 4 - Ручка управления в положении „точка“ Запальная и основная горелки погаснут (если горят) - первоначальное положение (в шаге 1). Предупреждение: Невозможно переместить ручку управления в положение „искра“ в течение 60 секунд, после её перемещения в положение „точка“, пока не сработает устро...
Страница 20 - После общей настройки:
19 1. 2. 3. 4. 6. 5. 7. 8. 9. Комбинированная газовая арматура SIT - NOVA рис. 4 Элементы регулирования газовой арматуры (рис. 4): 1 вход газа;2 выход газа;3 ручка управления;4 заглушка;5 штуцер измерения давления газа на входе газовой арматуры; 6 штуцер измерения давления газа на выходе из газовой ...
Страница 21 - Переналадка на другой вид топлива
20 Переналадка на другой вид топлива Переналадку котла на другой вид топлива может проводить только аттестованный фирмой Protherm специалист специализированной организации. Переналадку котла следует осуществить с помощью комплектов перехода на пропан (заказной номер 0020109562 для 20TLO, заказной но...
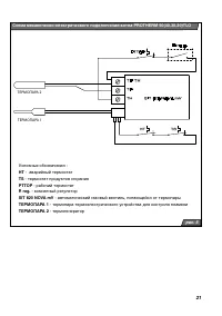
Страница 22 - HT; TS; PTTOP; ТЕРМОПАРА 1
21 рис. 5 ТЕРМОПАРА 2 ТЕРМОПАРА 1 Схема механическо-электрического подключения котла PROTHERM 50(40,30,20)TLO Условные обозначения : HT - аварийный термостат TS - термостат продуктов сгорания PTTOP - рабочий термостат P. reg. - комнатный регулятор SIT 820 NOVA mV - автоматический газовый вентиль, пи...