Страница 2 - СОДЕРЖАНИЕ; LO
20, 30, 40, 50, 60 Р LO ~ 2~ СОДЕРЖАНИЕ Инструкция по обслуживанию Стр . Введение 1. Характеристика котла 5 2. Оснащение котла 8 3. Установка котла 12 4. Описание функций элементов управления 21 5. Обслуживание котла 25 6. Техническое обслуживание 29 7. Меры безопасности 30 8. Гарантийные и послегар...
Страница 4 - Уважаемый; PROTHERM PLO
20, 30, 40, 50, 60 Р LO ~ 4~ Уважаемый Покупатель , Вы стали владельцем чугунного котла PROTHERM PLO для работы на природном газе или пропане . Мы уверены , что при правильной эксплуатации , котёл будет Вас полностью удовлетворять . Поэтому внимательно изучите данную инструкцию и соблюдайте правила ...
Страница 7 - Рис; ТИП; A B C
20, 30, 40, 50, 60 Р LO ~ 7~ Рис .1 - Присоединительные и основные размеры котла ТИП A B C Ø D 20 335 180 600 130 30 420 222 600 130 40 505 265 600 150 50 590 307 620 180 60 675 350 620 180 c
Страница 8 - Оснащение; Чугунное
20, 30, 40, 50, 60 Р LO ~ 8~ 1 - панель управления 8 – залив и слив 2 – измерение давления ОВ 9 - панель горелки ( распр . к форсункам ) 3 – измерение температуры ОВ 10 – горловина дымохода 4 - пьезозапальник 11 – прерыватель тяги 5 - чугунный теплообменник 12 – предохран . термостат ( прод . сгоран...
Страница 11 - Надставка ПОЛУ ТУРБО
20, 30, 40, 50, 60 Р LO ~ 11~ Рис .2 - Рабочая схема котла 1 2 3 4 5 6 7 8 10 9 11 12 14 15 16 17 19 20 18 13 Надставка ПОЛУ ТУРБО “ - ” ( не является частью котла )
Страница 12 - Установка
20, 30, 40, 50, 60 Р LO ~ 12~ 1 – панель управления 11 – подача вторичного воздуха 2 – крышка чистящего отверстия 12 – атмосферная горелка 3 – флянец дымохода 13 – « вечное пламя » 4 – коллектор прод . сгорания с прерыв . тяги 14 – подача первичного воздуха 5 – SKKT ( система контр . тяги дымох .) 1...
Страница 13 - Подача; PROTHERM
20, 30, 40, 50, 60 Р LO ~ 13~ размерам присоединению газа к котлу , однако лучше с номинальным диаметром на ступень выше . Конструкция котла PROTHERM Р LO – P предназначена для работы на сжиженном газе ( пропане ) с теплотворной способностью от 12,8 до 13 кВтч / кг . Ввиду того , что эксплуатация ко...
Страница 15 - pH
20, 30, 40, 50, 60 Р LO ~ 15~ прибора уменьшить диаметр дымового канала . Проведение дымового канала должно соответствовать нормативным документам . Оснащение котла надставкой и введение такого котла в работу должно быть проведено уполномоченной организацией . При сервисных работах с надставкой , ес...
Страница 27 - Шаг
20, 30, 40, 50, 60 Р LO ~ 27~ Подача газа к главной горелке разблокирована и зажигание горелки управляется автоматически ( горелка зажигается , если на закрывающийся электроклапан арматуры SIT-NOVA подается рабочее напряжение из контура внутренней проводки котла ). Шаг 1 - кнопка в положении „ точка...
Страница 28 - Отключение
20, 30, 40, 50, 60 Р LO ~ 28~ „ Вечное пламя “ и главная горелка ( если горят ) погаснут - первоначальное положение ( в шаге 1). Шаг 4 - кнопка опять в положении „ точка “ Предупреждение : если кнопка управления переставится в дальнейшее положение ( в положение „ искра “ - как в шаге 2), „ вечное пл...
Страница 29 - Техническое
20, 30, 40, 50, 60 Р LO ~ 29~ закрыть подачу газа и отключить котел от электросети отсоединением электрического штекера из розетки . Если не угрожает замерзание котла , можно оставить в нем воду , в противном случае , необходимо слить воду из котла , бойлера ГВС и системы . ● Если устройство отопите...
Страница 36 - SP
20, 30, 40, 50, 60 Р LO ~ 36~ Рис . 5 а – Схема электрического подключения котла 20, 30, 40, 50 PLO HV - сетевой выключатель PO1 - сетевой предохранитель SP - переключатель мощности DT1 - сигн . лампочка аварийных состояний HT - аварийный термостат TT - термостат продуктов сгорания L-Z - переключате...
Страница 37 - HT
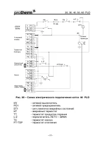
20, 30, 40, 50, 60 Р LO ~ 37~ Рис . 5 б – Схема электрического подключения котла 60 PLO HV - сетевой выключатель PO1 - сетевой предохранитель DT1 - сигн . лампочка аварийных состояний HT - аварийный термостат TT - термостат продуктов сгорания L-Z - переключатель ЛЕТО – ЗИМА TC - термостат насоса PT-...
Страница 44 - PLO
20, 30, 40, 50, 60 Р LO ~ 44~ 6. Техническое обслуживание котла 6.1. Специальное техническое обслуживание При необходимости замены вида топлива ( природный газ на пропан или наоборот ), проводятся следующие изменения , которые может проводить только квалифицированный сервис : Проводится : 1. Демонта...
Страница 46 - II
Технические параметры Тип Ед . изм . 20 PLO 30 PLO 40 PLO 50 PLO 60 PLO Категория II 2H3P Конструкция / Тип B 11BS Зажигание « вечное пламя » Вид топлива / давление на входе Природный газ / 1,8 k П a пропан / 3 k П a Мощность I. / II. мощ . ст .- природный газ - пропан k Вт 17 / 11,9 16 / 11,2 26 / ...
Страница 47 - лит; G 3⁄4“; Гц; Примечание
КПД - природный газ - пропан % 90 – 92 89 – 91 Объём воды котлового теплообменника лит 9,1 11,6 14,1 16,6 19,1 Макс . рабочая температура o C 90 Макс . рабочее давление k П a 400 Подсоединение газа G ¾“ Подсоединение ОВ G 1“ Потери давления при ∆Т 20 O C k П a 0,28 0,42 0,58 0,72 0,88 Эл . напряжени...