Страница 2 - МЕДВЕДЬ; Руководствопомонтажу
Напольныйчугунныйкотел Мощностнойряд17–44,5кВт Плавнаямодуляциямощности МЕДВЕДЬ RU В Е Р С И Я 0020053030_01 Руководствопомонтажу иэксплуатациикотла 20, 30, 40, 50 KLOM
Страница 3 - Obsah; Содержание
Медведь20(30,40,50)KLOM Заводскойномер,обозначениетипа,техническиеданныекотлаобозначенынашильдикеподпанельюуправления.Чтобыпрочитатьинформациюнашильдике,необходимооткинутьпереднююпанельоблицовкикотла. Вразделе„Руководствопоэксплуатации“содержитсяописаниеосновныхф...
Страница 4 - Введение
Газовые котлы PROTHERM 50(40,30,20)KLOM используются в качестве теплогенераторов в автономных системахводяногоотопления.Онимогутприменятьсядля эксплуатации в новых системах и длямодернизации существующих систем отопления в одно- и многоквартирныхжилых домах, а такж...
Страница 6 - РУКОВОДСТВОПОЭКСПЛУАТАЦИИ; Управлениеисигнализация; Главныйвыключатель
РУКОВОДСТВОПОЭКСПЛУАТАЦИИ Управлениеисигнализация Главныйвыключатель Главный выключатель (рис.1, поз.6) предназначендлявключенияивыключениякотла. Он располагается в правой частипанелиуправления. Предупреждение: Ввод котла в эксплуатациюиегопервыйзапускдолженбыть...
Страница 7 - Установкатемпературыотопления
Выборрежимасчитывания Выборрежиманастройки Установкатемпературыотопления В случае если к котлу не был подключен датчик температуры воды в бойлере, нажмите кнопку MODE 1 раз (рис.1, поз.2). Если датчик подключен, нажмите кнопку MODE 2 раза. Котел переключится в...
Страница 10 - Сообщенияобошибках
Сообщенияобошибках Код Значение Причина F1 Потеряпламени Данная ошибка означает необратимое блокированиеавтоматики розжига и прекращение подачи газа черезгазовый клапан, т.е. ПОТЕРЮ ПЛАМЕНИ. Подобнаяблокировка может возникать в тех случаях, когда,находясь в режиме откр...
Страница 11 - Пускиотключениекотла
Пусккотла Предупреждение: Ввод котла в эксплуатацию и его первый пуск долженбыть произведен только аттестованнымфирмой Protherm специалистом специализированнойорганизации!Выполняя первый пуск котла, убедитесь втом,что: 1. котел подключен к электрической сети. Приэт...
Страница 12 - Защитныефункциикотла
0 правильнуюиненадежнуюработуоборудо-вания. Эксплуатациякотлаврежимеэквитермическогорегулирования Температура теплоносителя в котле регулируется в зависимости от изменениянаружнойтемпературывоздуха.Настройкафункции эквитермической зависимостивозможна только при подсоедине...
Страница 13 - Сервисиобслуживание; Профессиональныйуходзакотлом; Гарантияигарантийныеусловия
Сервисиобслуживание Уходзакотломсостороныпользователя При необходимости можно производитьчистку передней панели котла, не снимаяее.Чисткапроизводитсяпослеотключениякотла от электрической сети (необходимоперевести сетевой выключатель в положение «выкл»). В случае по...
Страница 14 - Техническиепараметры
Медведь 20 KLOM Медведь 30 KLOM Категория . . . . . . . . . . . . . . . . . . . . . . . . . . . . . . . . . . . . . . . . . . . . . . II 2H3P Исполнение . . . . . . . . . . . . . . . . . . . . . . . . . . . . . . . . . . . . . . . . . B 11BS Зажигание . . . . . . . . . . . . . . . . . . . . . . . . ...
Страница 17 - Рабочаясхемакотла
Рис. 6 1.Панельуправления 11.Камерасгорания 2.Крышкаотверстиядлячистки 12.Подачавторичноговоздуха 3.Коллекторпродуктовсгорания 13.Атмосфернаягорелка 4.Штуцердымохода 14.Подачапервичноговоздуха 5.Стабилизатортяги 15.Форсункагорелки 6.Термостатпродуктовсгорания 16.Комбини...
Страница 20 - Комплектностьпоставки
- обеспечьте в системе отоплениямаксимальный проток (открыть все регулировочные вентили, установить на максимальнуюскоростьнасосы).-водувсистемеотоплениянагревайтепринеполной мощности котла, приблизительнодо 60°C (для минимализации образованиянакипи).- после нагрев...
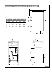
Страница 21 - Подготовкакустановкекотла
Котел PROTHERM 20 (30, 40, 50) KLОМсостоитизследующихчастей: - чугунноготеплообменникасизоляцией,- коллекторапродуктовсгорания,- газовойчасти,- облицовкисблокомуправления. Чугунныйтеплообменниккотла Теплообменниксостоитизсекций.Дымовыегазы из камеры сгорания передаю...
Страница 22 - Выравниваниекотла; Установкакотла
0 котла в другое помещение двери должны бытьширинойнеменее65см. Выравниваниекотла Перед подключением котла к системе отопления для повышения устойчивости и балансировкикотлаприкрепитекегораме регулировочные ножки. Руководство по их установкевходитвкомплектпоставк...
Страница 23 - Обслуживаниекотла; Подготовкаипусккотла
баке. Поэтому, в случае падения давления необходимо проверить настройку расширительногобака. Окончательное значение давления теплоносителя в охлажденной системе отопления следует обозначить краснойстрелкойнаманометрекотла. Обслуживаниекотла Подготовкаипусккотла Проверьт...
Страница 24 - Комбинированнаягазоваяарматура
Комбинированнаягазоваяарматура Рис. 8 2 1 C ∅ 8 A B D 1-штуцеризмерениядавлениягазанавходеварматуру2-штуцеризмерениядавлениягазанасоплахA-заглушкаB-винтнастройки(внутренний)максимальноймощностиC-винтнастройкиминимальноймощностиD-электроннаянастройкаминимальноймощн...
Страница 26 - Электрическоеподключениекотла
Котел предназначен для подключения коднофазнойтрехпроводнойэлектросети220В 50 Гц с защитным проводником согласнодействующимПУЭ.Недопускаетсяменятьместами провода «фаза» (L – коричневыйпровод)и«ноль»(N–синийпровод).Не разрешается использовать различныепереходники,...
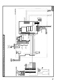
Страница 27 - Переналадканадругойвидтоплива; Схемаподключениявнешнегооснащения
Переналадку котла на другой вид топливаможет проводить только аттестованныйфирмой Protherm специалист специализированнойорганизации.Переналадка котла осуществляется следующимспособом:1.Демонтируйтегорелкукотла; 2. Замените все форсунки горелки на иной тип(взависимости...
Страница 28 - Рис
Соединениекотласбойлером Котел МЕДВЕДЬ KLOM может комбинироваться с бойлерами Protherm типаB100MS,B100Z,B120S,B200ZиB200S. Система управления котлом регулирует нагрев бойлера с помощью насоса и NTC датчика бойлера (комплект 0010006491). ПринципподключениябойлераГ...