Protherm Бобер 60 DLO - Инструкция по эксплуатации

Protherm Бобер 60 DLO

Котел Protherm Бобер 60 DLO - инструкция пользователя по применению, эксплуатации и установке на русском языке. Мы надеемся, она поможет вам решить возникшие у вас вопросы при эксплуатации техники.

Если остались дополнительные вопросы — свяжитесь с нами через контактную форму.

1 Страница 1
2 Страница 2
3 Страница 3
4 Страница 4
5 Страница 5
6 Страница 6
7 Страница 7
8 Страница 8
9 Страница 9
10 Страница 10
11 Страница 11
12 Страница 12
13 Страница 13
14 Страница 14
15 Страница 15
16 Страница 16
17 Страница 17
18 Страница 18
19 Страница 19
20 Страница 20
21 Страница 21
22 Страница 22
Страница: / 22

Содержание:

  • Страница 3 – Protherm „Бобeр“; Содержание
  • Страница 4 – Введение
  • Страница 6 – Руководство по обслуживанию; Общее описание котла „БОБЁР“; Виды топлива
  • Страница 8 – Клапан безопасности Caleffi 544
  • Страница 9 – Ввод в эксплуатацию; Проверка котла перед вводом в
  • Страница 10 – Обслуживание; Растопка
  • Страница 13 – Гарантия и гарантийные условия; Чистка котла
  • Страница 14 – Руководство по монтажу; Комплект поставки; Общая информация об установке; Монтаж
  • Страница 16 – Котельная
  • Страница 18 – Описание котла „Бобёр „; Части котла „Бобёр“
  • Страница 19 – Гидравлическое сопротивление котла; Технические параметры котла „Бобёр“
Загрузка инструкции

Руководство по обслуживанию

и установке котла

20, 30, 40, 50, 60 DLO

Твердотопливный чугунный котел

Мощность

18 - 48

кВт

Бобер

0020061888_02

RU

В Е Р С И Я

"Загрузка инструкции" означает, что нужно подождать пока файл загрузится и можно будет его читать онлайн. Некоторые инструкции очень большие и время их появления зависит от вашей скорости интернета.

Краткое содержание

Страница 3 - Protherm „Бобeр“; Содержание

1 Protherm „Бобeр“ Заводской номер котла находится на табличке, прикреплённой к наружному покрытию чугунного корпуса. Содержание Введение . . . . . . . . . . . . . . . . . . . . . . . . . . . 2 Обеспечение безопасности оборудования и людей . . . . . . . . . . . . . . . . . . . . . . . . . . . . 3 Ру...

Страница 4 - Введение

2 1. Котел вместе с сопутствующим оборудованием должен быть установлен и использован в соответствии с проектной документацией, действующими законами и техническими нормами, а также инструкциями изготовителя. 2. Котел должен быть установлен только в помещениях, специально для этого предназначенных. 3...

Страница 6 - Руководство по обслуживанию; Общее описание котла „БОБЁР“; Виды топлива

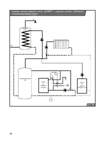
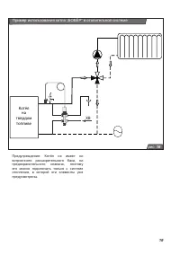
4 Руководство по обслуживанию Общее описание котла „БОБЁР“ Котёл „Бобёр“ на твёрдом топливе предназначен для отопления жилых и производственных объектов.Правильная работа котла обусловлена, помимо профессиональной установки правильным обслуживанием.Котлы „Бобёр“ предназначены для систем с принудител...

Характеристики

Другие модели - Котлы Protherm

Все котлы Protherm