Профтепло ТТ-6Т 4110490 - Инструкция по эксплуатации

Профтепло ТТ-6Т 4110490

Обогреватель Профтепло ТТ-6Т 4110490 - инструкция пользователя по применению, эксплуатации и установке на русском языке. Мы надеемся, она поможет вам решить возникшие у вас вопросы при эксплуатации техники.

Если остались дополнительные вопросы — свяжитесь с нами через контактную форму.

1 Страница 1
2 Страница 2
3 Страница 3
4 Страница 4
5 Страница 5
6 Страница 6
7 Страница 7
8 Страница 8
9 Страница 9
10 Страница 10
11 Страница 11
12 Страница 12
13 Страница 13
Страница: / 13
Загрузка инструкции

Инструкция
по эксплуатации

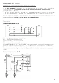
Электрическая тепловая пушка Профтепло ТТ-6Т

4110490

Цены на товар на сайте:

http://www.vseinstrumenti.ru/klimat/teplovye_pushki/elektricheskie/profteplo/tt-6t_4110490/

Отзывы и обсуждения товара на сайте:

http://www.vseinstrumenti.ru/klimat/teplovye_pushki/elektricheskie/profteplo/tt-6t_4110490/#tab-
Responses

"Загрузка инструкции" означает, что нужно подождать пока файл загрузится и можно будет его читать онлайн. Некоторые инструкции очень большие и время их появления зависит от вашей скорости интернета.

Характеристики

Другие модели - Обогреватели Профтепло

Все обогреватели Профтепло