Перфораторы Hitachi DH24PH-NY - инструкция пользователя по применению, эксплуатации и установке на русском языке. Мы надеемся, она поможет вам решить возникшие у вас вопросы при эксплуатации техники.
Если остались вопросы, задайте их в комментариях после инструкции.
"Загружаем инструкцию", означает, что нужно подождать пока файл загрузится и можно будет его читать онлайн. Некоторые инструкции очень большие и время их появления зависит от вашей скорости интернета.

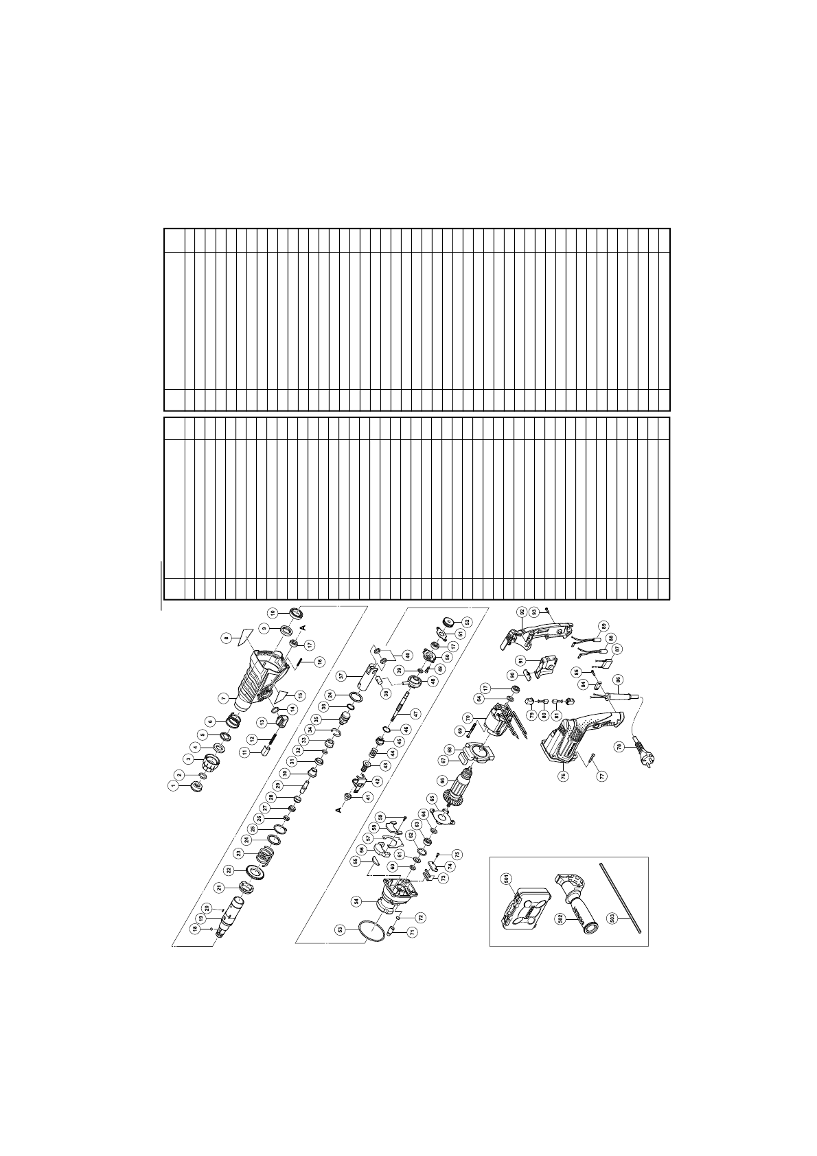
100
DH28PCY
Item
Part Name
Q’TY
No.
48
RECIPROCATING BEARING
1
49
SEAL LOCK HEX. SOCKET HD. BOLT M5
×
16
2
50
BEARING HOLDER
1
51
BEARING COVER
1
52
FIRST GEAR
1
53
O-RING D72.2
1
54
INNER COVER
1
55
WEIGHT DAMPER (A)
1
56
WEIGHT (A)
1
57
LEAF SPRING
1
58
WEIGHT (B)
1
59
SEAL LOCK HEX. SOCKET HD. BOLT M3
×
8
2
60
FELT PACKING
1
61
PACKING WASHER
1
62
O-RING (P-22)
1
63
BALL BEARING 608DDC2PS2L
1
64
WASHER (A)
2
65
COVER PLATE
1
66
ARMATURE
1
67
WEIGHT DAMPER (B)
1
68
FAN GUIDE
1
69
HEX. HD. TAPPING SCREW D4X50
2
70
STATOR
1
71
AIR CAP
1
72
FELT PACKING (A)
1
73
SPRING DAMPER
2
74
SPRING HOLDER
1
75
SEAL LOCK HEX. SOCKET HD. BOLT M4
×
12
2
76
HOUSING
1
77
TAPPING SCREW (W/FLANGE) D5
×
35
4
78
CORD
1
79
BRUSH HOLDER
2
80
CARBON BRUSH
1
81
CARBON BRUSH (AUTO STOP TYPE)
1
84
CORD CLIP
1
85
TAPPING SCREW (W/FLANGE) D4
×
16
2
86
CORD ARMOR
1
87
NOISE SUPPRESSOR
1
88
CHOKE COIL (A) BROWN
1
89
CHOKE COIL (A) BLUE
1
90
PUSHING BUTTON
1
91
SWITCH
1
92
HANDLE COVER
1
93
TAPPING SCREW (W/FLANGE) D4
×
20
3
501
CASE
1
502
SIDE HANDLE
1
503
DEPTH GAUGE
1
Item
Part Name
Q’TY
No.
1
FRONT CAP
1
2
STOPPER RING
1
3
GRIP
1
4
BALL HOLDER
1
5
HOLDER PLATE
1
6
HOLDER SPRING
1
7
GEAR COVER
1
8
NAME PLATE
1
9
OIL SEAL
1
10
BALL BEARING 6805DD
1
11
PUSHING BUTTON
1
12
PUSHING SPRING
1
13
CHANGE LEVER
1
14
O-RING (S-18)
1
15
HITACHI LABEL
1
16
SPRING (E)
1
17
BALL BEARING 608VVC2PS2L
3
18
STEEL BALL D7.00
1
19
CYLINDER
1
20
PIN D2.5
4
21
CYLINDER CLUTCH
1
22
SECOND GEAR
1
23
SPRING (A)
1
24
WASHER (A)
2
25
RETAINING RING FOR D30 SHAFT
1
26
OIL SEAL (A)
1
27
HAMMER HOLDER (C)
1
28
SLEEVE (FW)
1
29
SECOND HAMMER
1
30
HAMMER HOLDER (A)
1
31
DAMPER (A)
1
32
O-RING (C)
1
33
DAMPER HOLDER
1
34
STOPPER RING
1
35
STRIKER
1
36
O-RING D17
1
37
PISTON
1
38
PISTON PIN
1
39
BEARING WASHER
1
40
PISTON WASHER
2
41
PINION SLEEVE (A)
1
42
LOCK PLATE
1
43
SECOND PINION
1
44
CLUTCH SPRING
1
45
CLUTCH
1
46
WASHER
1
47
SECOND SHAFT
1
Характеристики
Остались вопросы?Не нашли свой ответ в руководстве или возникли другие проблемы? Задайте свой вопрос в форме ниже с подробным описанием вашей ситуации, чтобы другие люди и специалисты смогли дать на него ответ. Если вы знаете как решить проблему другого человека, пожалуйста, подскажите ему :)