Страница 2 - Ру; Introduction; Инструкции по безопасности; WARNING; ВНИМАНИЕ
2 Ру Introduction Инструкции по безопасности 1. Прочтите эти инструкции. 2. Сохраните эти инструкции. 3. Обращайте внимание на все предостережения. 4. Следуйте всем инструкциям. 5. Не используйте этот аппарат вблизи воды. 6. Производите очистку только сухой тканью. 7. Не блокируйте вентиляционные от...
Страница 3 - Предостережения; Модели для США; Этот цифровой прибор класса В соответ-; Modèle pour les Canadien; REMARQUE
3 Ру Предостережения 1. Запись материала, охраняемого авторским правом 2. Сетевой плавкий предохранитель. Плавкий 3. Уход. Время от времени стирайте пыль с корпуса TX-SR509 мягкой тканью. При более значительных загрязнениях смочите мягкую ткань слабым водным раствором мягкого моющего средства. Непос...
Страница 4 - Модели для Великобритании; Поставляемые аксессуары; УСТАНОВКА БАТАРЕЙ; Декларация соответствия европейским
4 Ру Модели для Великобритании Замена или установка сетевого штекера переменного тока на сетевой шнур этого прибора должна быть выполнена только квалифицированным обслуживающим персоналом. ВАЖНО Провода в сетевом шнуре имеют цветовую маркировку в соответствии со следующим кодом: Синий: Нейтраль Кори...
Страница 5 - СОДЕРЖАНИЕ; ля сброса всех установок ресивера, включите его
5 Ру СОДЕРЖАНИЕ СОДЕРЖАНИЕ Подсоединения Включение и основные операции Более сложные операции Управление другими компонентами Приложение Д ля сброса всех установок ресивера, включите его и, удерживая в нажатом состоянии кнопку VCR/DVR , нажмите кнопку STANDBY/ON ( стр.59 ). Важные инструкции по безо...
Страница 6 - Основные достоинства; Усилитель; RIHD; Master Audio
6 Ру Основные достоинства Усилитель · 80 Вт на канал, на 8 Ом, (FTC) · 130 Вт на канал, на 6 Ом (IEC) · 160 Вт на канал, на 6 Ом (JEITA) · Схема оптимальной регулировки громкости · H.C.P.S. (источник питания с большим выходным током) и мощным силовым трансформатором Обработка сигналов Соединения Про...
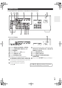
Страница 7 - ПЕРЕДНЯЯ И ЗАДНЯЯ ПАНЕЛЬ; Модель для Северной Америки и Тайваня; В скобках показан номер страницы с подробными инструкциями.; Передняя панель
7 Ру ПЕРЕДНЯЯ И ЗАДНЯЯ ПАНЕЛЬ Модель для Северной Америки и Тайваня Европейская, австралийская и азиатская модели В скобках показан номер страницы с подробными инструкциями. Передняя панель 1 2 3 4 5 6 7 8 9 10 11 12 13 12 13 14 14 15 15 16 16 17 17 18 18 20 20 22 22 23 23 19 19 21 21 2 345 6 7 89 1...
Страница 8 - В скобках указаны номера страниц с подробными инструкциями; ДИСПЛЕЙ
8 Ру В скобках указаны номера страниц с подробными инструкциями Индикатор акустических систем/каналов Индикатор Z2 (Zone 2) (52)Индикаторы режима прослушивания и формата источника (31, 51)Индикаторы PLAY , PAUSE и курсора (21)Индикатор NET (22, 49)Индикаторы настройки тюнера Индикатор RDS (кроме мод...
Страница 9 - ЗАДНЯЯ ПАНЕЛЬ; «Подсоединение AV-ресивера»
9 Ру (Североамериканская, европейская, австралийская и азиатская модели) ЗАДНЯЯ ПАНЕЛЬ (Модель для Тайваня) См. стр. 11 – 18 «Подсоединение AV-ресивера» для получения информации по подключению. 7 1 2 3 4 5 6 8 9 10 11 12 13 14 14 12 13 2 3 45 6 7 8 9 10 11 1 Разъемы DIGITAL IN COAXIAL и OPTICAL Разъ...
Страница 10 - Пульт дистанционного управления; Для управления тюнером, нажмите; Использование пульта ДУ для управления AVресивером; В скобках указаны номера страниц с подробными
10 Ру Пульт дистанционного управления Кнопки, используемые при управления тюнером Для управления тюнером, нажмите кнопку TUNER (или RECEIVER ). Вы можете выбрать диапазон АМ или FM, нажимая последовательно на кнопку TUNER . Использование пульта ДУ для управления AVресивером *1 *1 Для управления ком...
Страница 11 - Connections; Подсоединение AV ресивера; Подсоединение колоночных кабелей; SURROUND BACK L PRE OUT; ) Зачистите примерно по 12 -15 мм изоляции с; Подсоединение ваших акустических систем
11 Ру Connections Подсоединение AV ресивера Подсоединение колоночных кабелей На следующем рисунке представлена схема подсоединения каждого комплекта АС к клеммам. Если вы используете только одну заднюю тыловую акустическую систему, подключите ее к клеммам SURROUND BACK L PRE OUT . Подсоедините анало...
Страница 12 - Использование входящих в комплект; Меры предосторожности при подсоединении АС; Конфигурация акустических систем; АС
12 Ру *1 Если вы используете только одну заднюю тыловую акустическую системау, подключите ее к клеммам SURROUND BACK L PRE OUT. Использование входящих в комплект цветных наклеек для акустических систем Плюсовые (+) клеммы для акустических систем на аудио/видео ресивере имеют цветовую маркировку для ...
Страница 13 - Использование активного сабвуфера; Чтобы найти в комнате наилучшее место для
13 Ру Использование активного сабвуфера LINE INPUT LINE INPUT Powered subwoofer Cornerposition 1/3 of wall position Чтобы найти в комнате наилучшее место для сабвуфера, запустите воспроизведение фильма или музыки со значительной басовой составляющей. Пробуя различные местоположения сабвуфера, добейт...
Страница 14 - Получение изображения с AV компонентов; сопровождающие ваши другие аудио/видео компоненты.; AV КАБЕЛИ И РАЗЪЕМЫ; вставляете и извлекаете.; Об AV соединениях; Другие кабели; Видеокабели
14 Ру Получение изображения с AV компонентов • Перед выполнением каких-либо аудио/видео соединений, прочитайте руководства, сопровождающие ваши другие аудио/видео компоненты. • Не подключайте сетевой шнур, пока не закончите и дважды не проверите все аудио и видео соединения. • Для получения хорошего...
Страница 15 - Подсоединение компонентов при помощи HDMI
15 Ру Подсоедините ваши компоненты к соответствующим разъемам. Назначение разъемов по умолчанию приведено в Таблице ниже. Назначение разъемов, отмеченных знаком «галочка» может быть изменено ( стр. 40 ). За разъяснениями обращайтесь также в разделы: • «Советы по подсоединению и пути видео сигналов» ...
Страница 16 - сможете также прослушивать аудио в Zone 2.; Подсоединение ваших устройств; HDMI OUT; . Если ваш телевизор подсоединен к выходу; MONITOR OUT V; или; COMPONENT; , используйте дисплей самого AV ресивера для смены настроек.; USB; UNIVERSAL PORT
3 16 Ру Подсоедините ваши компоненты к соответствующим разъемам. Назначение разъемов по умолчанию приведено в Таблице ниже. За разъяснениями обращайтесь также в разделы: «Советы по подсоединению и пути видео сигналов» (см. стр. 70 ). Назначение разъемов, отмеченных знаком «галочка» может быть измене...
Страница 17 - Дистанционное управление; Подсоединение компонентов Onkyo, оборудованных шиной; Подсоединение устройства для записи; Удостоверьтесь, что имеется аналоговое
17 Ру Автоматическое включение питания/переход в ждущий режим On/Auto Power On Если ресивер находится в состоянии готовности, а на компоненте, подсоединенном к нему через RI , запускается воспроизведение, то ресивер также включается и его селектор входов автоматически выбирает этот компонент. Непо...
Страница 18 - Перед подсоединением сетевого шнура, подключите; ПОДСОЕДИНЕНИЕ АНТЕНН; Сборка рамочной АМ антенны; Постарайтесь не пораниться кнопками.; Вставьте сетевой шнур в разъем AC; INLET AV; Вставьте сетевой шнур в настенную розетку.
18 Ру Данный раздел поясняет, как подсоединить поставляемые комнатные антенны FM и рамочную АМ, и как подсоединить покупные внешние антенны ЧМ и АМ. Ресивер не будет принимать никаких радиосигналов без подключенных антенн, поэтому вы должны подсоединить антенну, чтобы использовать тюнер. Примечание:...
Страница 19 - Turning On & Basic Operations; ВКЛЮЧЕНИЕ И ВЫКЛЮЧЕНИЕ AV РЕСИВЕРА; Включение питания; Выключение; RECEIVER; RECEIVER
19 Ру Turning On & Basic Operations ВКЛЮЧЕНИЕ И ВЫКЛЮЧЕНИЕ AV РЕСИВЕРА Совет: • См. раздел «Автоматический переход в режим ожидания STANDBY по вопросам установки режимов питания (стр. 47). Включение питания 1 На передней панели ресивера нажмите кнопку ON/STANDBY. Или на пульте нажмите кнопку REC...
Страница 20 - ВОСПРОИЗВЕДЕНИЕ; Воспроизведение с подсоединенного; II
20 Ру ВОСПРОИЗВЕДЕНИЕ Работа с пультом ДУ См. также раздел «Управление другими компонентами» ( стр. 56 ). Экранное меню настройки появляется только на том телевизоре, который подключен к выходу HDMI OUT. Если ваш телевизор подсоединен к выходу MONITOR OUT V или COMPONENT VIDEO OUT, используйте диспл...
Страница 21 - появляющихся на дисплее в ходе воспроизведения.; Обозначения пиктограмм на дисплее; Управление в стандартном режиме Standard Mode; Воспроизведение iPod/iPhone через USB; MODE
21 Ру MENU Эта кнопка возвращает в главное меню интернет радио сервисов. RETURN Эта кнопка возвращает в предыдущее меню. ►► ►► | Эта кнопка быстрой перемотки вперед по текущей песне. Эта кнопка для выбора следующей песни. ■ Эта кнопка останавливает воспроизведение. MODE С помощью этой кнопки можно п...
Страница 22 - Воспроизведение записей с USB устройств; Прослушивание Интернетрадио службы vTuner; Прослушивание Интернетрадио
22 Ру Управление в расширенном режиме Extended Mode Информация о содержимом выводится на экран (как списки), и ей можно управлять, глядя на экран. Экранные списки верхнего уровня: Playlists, Artists, Albums, Genres, Songs, Composers, Shuffle Songs, Now Playing В этом разделе объясняется как воспро...
Страница 23 - Прослушивание других интернетрадиостанций
23 Ру Прослушивание других интернетрадиостанций Для прослушивания других интернет- радиостанций, после шага 1 в процедуре «Прослушивание vTuner Internet Radio», сделайте еще один дополнительный шаг. Регистрация пресетов *1 Вы можете добавить текущую прослушиваемую станцию в список “My Favorites”. З...
Страница 24 - Настройка Windows Media Player 11; Удаленное воспроизведение означает, что вы можете; Настройка Windows Media Player 12; Воспроизведение музыкальных; ENTER; Удаленное воспроизведение с медиа; «NET»
24 Ру Этот раздел поясняет, как воспроизводить музыкальные файлы на компьютере или медиа сервере через AV ресивер. Этот раздел поясняет, как воспроизводить музыкальные файлы на компьютере или медиа сервере через AV ресивер. Настройка Windows Media Player 11 Этот раздел поясняет, как сконфигурировать...
Страница 25 - TUNED; Использование тюнера; Режим автоматической настройки; ПРОСЛУШИВАНИЕ АМ/FM РАДИО; TUNER; TUNING MODE
25 Ру 3 Используйте кнопки Up и Down ▲/▼ для выбора “DLNA”, а затем нажмите ENTER . Появится список медиа-серверов. Примечание: • Когда музыкальные файлы воспроизводятся на другом медиа-сервере, удаленное воспроизведение не может быть использовано. Сначала остановите воспроизведение на другом медиа-...
Страница 26 - Предварительная настройка на; RDS
26 Ру Режим ручной настройки В режиме ручной настройки радиостанции в диапазоне FM будут приниматься в монофоническом варианте. Настройка на радиостанции путем ввода частоты Вы можете настроиться на радиостанции АМ или FM напрямую, путем непосредственного ввода соответствующей частоты. Предварительн...
Страница 27 - PRESET; Тип
27 Ру Отображение радиотекста (RT) Поиск радиостанции по типу (PTY) Вы можете искать радиостанции по типу. Прослушивание информации о дорожном движении (TP) Вы можете искать радиостанции, которые передают информацию об интенсивности автомобильного движения. Используйте кнопку селектора входов TUNER ...
Страница 28 - Использование основных функций; Процедура измерения; Автоматическая настройка и; “Audyssey Quick Start”
28 Ру Использование основных функций Процедура измерения Расстояния между точками 1 и 2, а также 1 и 3 должны быть не менее 1 м. Среди примеров, приведенных ниже, выберите тот, который больше всего подходит для вашей комнаты, и установите микрофон в соответствии с указаниями. Примечания: • Обеспечьт...
Страница 29 - Error Messages; Изменение установок АС вручную; Вы можете вручную внести изменения в параметры
29 Ру • Вы можете отменить автоматическую настройку акустических систем Audyssey 2EQ Room Correction и Speaker Setup в любой момент, просто отключив микрофон. • Не подключайте и не отключайте акустические системы во время автонастройки. • Если громкость ресивера была приглушена, при запуске процедур...
Страница 30 - Применение активного сабвуфера:; “Subwoofer”
30 Ру Применение активного сабвуфера: Если вы используете активный сабвуфер, то из-за того, что он воспроизводит очень низкие звуки на малых уровнях громкости, его выходной сигнал может не определяться системой Audyssey 2EQ. В таком случае, если “Subwoofer” появляется в меню “Review Speaker Configur...
Страница 31 - Выбор режимов прослушивания; См. описание режимов прослушивания на; Кнопки режимов прослушивания; Эта кнопка устанавливает режим прослушивания; Использование режимов прослушивания; MUSIC; Кнопка MUSIC
31 Ру Выбор режимов прослушивания См. описание режимов прослушивания на стр. 32 - «About Listening Modes». Кнопки режимов прослушивания Кнопка PURE AUDIO и индикатор (Европейская, австралийская и азиатская модели) Эта кнопка устанавливает режим прослушивания Pure Audio. В этом режиме дисплей и все в...
Страница 32 - О режимах прослушивания; концертный зал, с изумительным звуком высокой верности.; Пояснения; Расположение акустических систем
32 Ру О режимах прослушивания Режимы прослушивания AV-ресивера могут превратить вашу комнату для прослушивания в кинотеатр или концертный зал, с изумительным звуком высокой верности. Пояснения Входной источник В режимах прослушивания поддерживаются следующие аудио форматы Моно Это монофонический зву...
Страница 33 - РЕЖИМЫ ПРОСЛУШИВАНИЯ
33 Ру ФИРМЕННЫЕ РЕЖИМЫ DSP ONKYO MONOSTEREO5.1 CH7.1 CHDTSESDD EX Режим прослушивания Описание Конфигу рация АС Входной источник Orchestra Режим для классической и оперной музыки. Центральный канал выключен, а каналы окружающего звука подчеркнуты для расширения стереокартины. Имитирует естественну...
Страница 34 - HOME
34 Ру Dolby Pro Logic IIxDolby Pro Logic II 5.1 CH 5.1 CH 5.1 CH 5.1 CH Dolby EX Dolby Digital Dolby Digital Plus *3 Dolby TrueHD DTS DTSHD High Resolution Audio DTSHD Master Audio DTS Express DSD *4 DTS 96/24 DTSES Discrete *5 DTSES Matrix *5 P L M o v i e P L M u s i c P L G a m e P L x M o v ...
Страница 36 - Использование меню Home; “Bass”; SLEEP; Настройка яркости дисплея
36 Ру *1 Меню Home обеспечивает быстрый доступ к часто используемым меню без необходимости пробираться через длинное стандартное меню. Это меню позволяет вам менять установки и просматривать текущую информацию. Примечание *1 *2 Для входного селектора PORT, на дисплее будет выведено название опционно...
Страница 37 - ИЗМЕНЕНИЕ ОТОБРАЖЕНИЯ ВХОДОВ; Использование функции Music Optimizer; Запись входного AV источника; ПРИГЛУШЕНИЕ ЗВУКА AV РЕСИВЕРА; ИСПОЛЬЗОВАНИЕ НАУШНИКОВ; Запись
37 Ру Если вы подключаете RI -совместимый компонент Onkyo, то для того чтобы RI работал должным образом, вы обязаны изменить эту настройку. Эта настройка может быть изменена только на передней панели AV ресивера. Функция Music Optimizer улучшает качество звучания сжатых музыкальных файлов. ИЗМЕНЕНИЕ...
Страница 38 - Запись звука и видео от разных источников; AUX INPUT VIDEO; AUX; Это выбирает проигрыватель компакт-дисков
38 Ру Запись звука и видео от разных источников Вы можете перезаписать звук на ваших видеозаписях при помощи одновременной записи звука и видео от двух разных источников. Это возможно благодаря тому, что переключается только аудио источник, когда выбран исключительно аудио входной источник, такой ка...
Страница 39 - Более сложные настройки
39 Ру Более сложные настройки HDMI Input ( стр. 40 ) Sp Distance ( стр. 42 ) Component ( стр. 40 ) Level Cal ( стр. 42 ) Digital Audio ( стр. 40 ) Audio Adjust ( стр. 43 ) Sp Config ( стр. 41 ) Source Setup ( стр. 44 ) 1. HDMI Input 2. Component 3. Digital Audio 4. Sp Config 5. Sp Distance 6. Level ...
Страница 40 - Поясняющие замечания; Настройка видео входов HDMI; COMPONENT VIDEO IN; Настройка компонентных видео входов
40 Ру BD/DVD , VCR/DVR , CBL/SAT , GAME , AUX , TV/CD , PORT TV/CD, PORT • Если вы подсоединили компонент (такой, как UP-A1 док- станцию, в которой установлен плеер iPod) к разъему UNIVERSAL PORT, вы не сможете назначить никакой вход на селектор PORT. COAXIAL1 , COAXIAL2 , OPTICAL1 , OPTICAL2 : BD/D...
Страница 41 - Large; Sp Config (Конфигурирование; не
41 Ру Menu Sp Config Здесь вы сможете проверить настройки, сделанные с помощью функции Audyssey 2EQ Room Correction и Speaker Setup, или же выставить их вручную, что бывает полезно, если вы сменили одну из колонок уже после использования процедуры автонастройки Audyssey 2EQ Room Correction и Speaker...
Страница 42 - Unit Единицы измерения; Уровни громкости можно отрегулировать в; Настройка расстояний до колонок
42 Ру Wireless SB (Задние тыловые АС) Yes : Источником звука является подключенный беспроводной модуль. No : Источником звука не является подключенный беспроводной модуль. Когда к разъему AV-ресивера UNIVERSAL PORT подключен беспроводной модуль, можно выбирать аудиосигнал, поступающий от задних тыло...
Страница 43 - Настройки Multiplex/Mono; Установки Dolby EX; Установки Dolby; Panorama; Установки DTS
43 Ру Menu Audio Adjust Настройки Multiplex/Mono MultiplexInput Ch (Mux) MainSubMain/Sub MonoInput Ch (Mono) Left+RightLeftRight Установки Dolby EX Auto : Если источник сигнала содержит флаг Dolby EX, используются режимы прослушивания Dolby Digital EX или THX Surround EX. Manual : Вы можете выбирать...
Страница 44 - Установки Audyssey; Dynamic EQ; Установка источника; Настройка режима TheaterDimensional; Listening Angle
44 Ру Menu Source Setup Установки Audyssey Audyssey Of f - Audyssey EQ отключена. Movie : Выбирайте эту установку для кинофильмов. Индикатор Audyssey загорится ( стр. 8 ). Индикатор Audyssey загорится ( стр. 8 ). Music : Выбирайте эту установку для музыкальных записей. Примечания: Примечания: Примеч...
Страница 45 - Предустановленные названия для входных; Названия; О динамическом эквалайзере Audyssey Dynamic EQ; Синхронизация звука и изображения A/V Sync
45 Ру Dynamic Volume Off Audyssey Dynamic Volume™ отключена. Light : Включено небольшое сжатие динамического диапазона - Light Compression Mode. Включено среднее сжатие динамического диапазона - Medium Compression Mode Medium : Heavy : Включено сильное сжатие динамического диапазона - Heavy Compress...
Страница 46 - Селектор аудио выходов Audio Selector; Настройка экранного меню OSD; Настройка аппаратной части; Удерживая кнопку
46 Ру Селектор аудио выходов Audio Selector Audio Selector ARC : Аудио сигнал с вашего TV тюнера может быть послан на разъем HDMI OUT AV ресивера. При таком выборе звуковое сопровождение телевизора может автоматически получать приоритет над всеми другими назначениями. *1 HDMI : Этот вариант может ...
Страница 47 - Подменю Tuner; кГц; Автоматический переход в режим Standby; Auto Standby
47 Ру UPA1 Режим подзарядки UPA1 Auto : Питание отключается, когда ваш iPod/iPhone полностью зараяжен. On : Питание не отключается, даже когда ваш iPod/iPhone полностью заряжен. Off : Ваш iPod/iPhone не подзаряжается. Вы можете задать режим подачи питания на ваш iPod/iPhone, когда AV ресивер наход...
Страница 48 - Настройка свозного пропуска HDMI Through; HDMI IN; Audio TV Out; Настройка HDMI
48 Ру Menu HDMI Setup HDMI Control (RIHD) OffOn Данная функция позволяет оборудованию, совместимому со стандартом RIHD и подключенному к HDMI, управляться вместе с AV ресивером ( см. стр. 72 ). Примечания: • При уст ановке “On” и закрытии меню на дисплее AV ресивера появляется название компонентов, ...
Страница 49 - Сетевые настройки; «Save»
49 Ру Menu Network Setup Этот раздел поясняет, как сконфигурировать сетевые настройки ресивера вручную. Если включен DHCP сервер вашего маршрутизатора, вам не требуется изменять никаких настроек, поскольку ресивер установлен для применения DHCP, чтобы конфигурировать себя автоматически по умолчанию ...
Страница 50 - Обновление ПО; “Audio TV OUT”; Настройки регулятора тембра; Использование настроек Audio; TONE; “Level Calibration”
50 Ру Menu Update См. раздел “Обновление фирменного ПО”, в котором есть описание процедуры апгрейда ( стр. 66 ). Примечание: • Обновляйте фирменное ПО только тогда, когда соответствующее объявление появится на сайте Onkyo. Посетите сайт Onkyo, чтобы узнать последнюю информацию. • Обновление фирменно...
Страница 51 - “Audyssey”; Функция ночного режима LATE NIGHT; Dolby Digital; Система Music Optimizer; MUSIC OPTIMIZER; Применение функции CinemaFILTER; Of
51 Ру Установки Audyssey Audyssey См. “Audyssey” в разделе “Настройка входных источников” (стр. 44) . Dynamic EQ См. “Dynamic EQ” в разделе “Настройка входных источников” ( стр. 44 ). Dynamic Volume См. “Dynamic Volume” в разделе “Настройка входных источников” ( стр. 44 ). Примечания: • Эти технолог...
Страница 52 - Управление Зоной 2 с AVресивера; Подключение Зоны 2; ZONE 2 OFF; ZONE 2
52 Ру Зона 2 Кроме вашей основной комнаты для прослушивания, вы также можете наслаждаться воспроизведением в другой комнате, или как мы ее называем, Зоне 2. Вы можете выбрать различные источники для каждой комнаты. Подключение акустических систем Зоны 2 к дополнительному усилителю При помощи такого ...
Страница 53 - Controlling Other Components; Воспроизведение записей с iPod/iPhone через; О докстанции UPA1 Dock; Использование докстанции Onkyo
53 Ру Controlling Other Components Воспроизведение записей с iPod/iPhone через докстанцию Onkyo О докстанции UPA1 Dock С помощью док-станции UP-A1 Dock, вы можете легко проигрывать музыку, записанную на ваш Apple iPod/iPhone через AV ресивер, причем с гораздо более высоким качеством, а также прос...
Страница 54 - О докстанции серии RI Dock; “HDD”; С использованием шины RI Control; “DOCK”; Без использования шины RI Control; Управление плеерами iPod/iPhone
54 Ру Сообщения о статусе Status messages Если одно из приведенных ниже сообщений появляется на дисплее AV ресивера, проверьте соединение с вашим iPod/iPhone. • PORT Reading Идет подсоединение к док-станции UP-A1 с проверкой • PORT Not Support AV ресивер не поддерживает подсоединенную док-станцию....
Страница 55 - Доступные кнопки; TOP MENU
55 Ру • Для некоторых моделей и поколений iPod/iPhone , а также для RI Dock, некоторые кнопки могут не работать так, как ожидается. • За более подробной информацией об iPod/iPhone обращайтесь к инструкции на RI Dock. *1 *2 *3 *4 *5 *6 • В режиме Extended (см. *5 ), воспроизведение будет продолжено, ...
Страница 56 - Управление другими компонентами Onkyo; Заранее запрограммированные; Ввод кодов дистанционного управления; Коды дистанционного управления для
56 Ру PORT 1 2 3 Управление другими компонентами Onkyo Вы можете использовать пульт ДУ AV-ресивера для управления другими AV компонентами Onkyo. Данный раздел поясняет, как ввести необходимый код дистанци- онного управления для компонента, которым вы хотите управлять (значение по умолчанию будет под...
Страница 57 - Сброс установок всего пульта
57 Ру Управление телевизором (TV) Используйте следующие коды пульта: 11807/13100/13500 : Телевизор с RIHD Вы можете переустановить кнопку REMOTE MODE к ее коду дистанционного управления по умолчанию. Вы можете сбросить (переустановить) пульт ДУ к его настройкам по умолчанию. Нажимая на кнопку REMOTE...
Страница 58 - SOURCE
58 Ру RECEIVER , INPUT , TV VOL ▲/▼ , MUTINGGUIDETOP MENU ENTERSETUP *1 *3 SEARCH *1*2 *1 *2 *2 REPEAT *1*2 *2 *2 RANDOM *1*2 *1 *2 *2 MODE *1*2 *1 *2 *2 *1 *1 SOURCE *4 DISPLAYMUTINGCH +/–DISC +/–PREV CHMENURETURNAUDIO *1 *1 CLR Сначала нажмите соответствующую кнопку REMOTE MODE 1 2 3 4 5 6 7 8 9 1...
Страница 59 - Appendix; Обнаружение и устранение неисправностей; Звук отсутствует или он очень тихий
59 Ру Appendix Обнаружение и устранение неисправностей Звук отсутствует или он очень тихий 47 Аудио 40 14 15 - 17 12 201220 37 71 — — 16 — 3142 — 46 Если возникли проблемы с ресивером, попробуйте отыскать решение в этом разделе. Если вы не можете решить проблему самостоятельно, обратитесь к вашему д...
Страница 60 - COMPONENT VIDEO MONITOR OUT
60 Ру 33 41 — 41 — 31 – 41 33 Тыловые задние акустические системы не воспроизводят звук 31 — 41 28 , 42 51 Звук воспроизводят только фронтальные АС Звук воспроизводит только центральная АС Тыловые АС звукового окружения не воспроизводят звук Центральный громкоговоритель не воспроизводит звук Сабвуфе...
Страница 61 - Докстанция UPA1 для iPod/iPhone; Тюнер
61 Ру Не могу управлять другими компонентами Нет звука Нет видео Пульт AV ресивера не может управлять вашим iPod 15 , 40 (Европейские, австралийские и азиатские модели) Пока выбран режим прослушивания Pure Audio, видео цепи отключены, и могут быть выведены на выход только видеосигналы, поступающие ч...
Страница 62 - Музыкальный сервер и Интернетрадио
62 Ру AV ресивер неожиданно выбирает ваш iPod/iPhone в качестве входного источника Не могу произвести запись Отсутствует звук. Не могу получить доступ к серверу или Интернетрадио Воспроизведение останавливается при прослушивании музыкальных файлов на сервере Не могу подключиться к ресиверу из веб...
Страница 64 - Сетевые функции NET/USB; Сеть Ethernet; Требования к серверу
64 Ру Сетевые функции NET/USB На рисунке ниже показано, как подсоединить AV ресивер к вашей домашней сети. В этом примере он подключен к LAN порту на роутере, который оснащен 4-портовым коммутатором 100Base-TX. Сеть Ethernet Для получения лучших результатов, рекомендуется коммутируемая сеть Ethernet...
Страница 65 - • Windows Media Player 12; Программное обеспечение:
65 Ру Удаленное воспроизведение • Windows Media Player 12 • DLNA – сертифицированном медиа сервер (the DLNA Interoperability Guidelines version 1.5) или контроллер. Настройки зависят от конкретного устройства. Обращайтесь за разъяснениями к инструкции на устройство. Если на вашем компьютере установл...
Страница 66 - Обновление прошивки фирменного ПО; Перед тем, как начать обновление ПО; Обновление ПО через сеть
66 Ру Обновление прошивки фирменного ПО Существуют два метода обновления программного обеспечения (ПО) – через сеть и с USB накопителя. Выберите тот, который вам лучше подходит. Прежде чем приступать, внимательно прочтите процедуру апгрейда. Обновление ПО через сеть Необходимо иметь проводное интерн...
Страница 67 - Возможные неисправности; “No Update”
67 Ру Возможные неисправности Вариант 1: Если на на дисплее передней панели AV ресивера появилось сообщение “No Update” , это означает, что обновление уже было проведено. Вам не нужно больше ничего делать. Вариант 2: Если возникла ошибка, на дисплее передней панели AV ресивера появляется сообщение “...
Страница 68 - «Off»; Процедура обновления ПО; Обновление прошивки ПО через USB устройство
Нажмите на кнопку RECEIVER , а затем на кнопку SETUP на пульте. На экране TV появится главное меню. Эту процедуру можно также запустить с передней панели AV ресивера, используя кнопки SETUP , кнопки со стрелками и ENTER . Выберите “Update” и нажмите кнопку ENTER . Выберите “Via USB” и нажмите кнопку...
Страница 70 - Советы по подсоединению и пути видео сигналов; Форматы видео соединений; “Audio Return Ch”; “Auto”
70 Ру Советы по подсоединению и пути видео сигналов AV-ресивер поддерживает несколько форматов соединений для совместимости с широким разнообразием аппаратуры. Какие соединения вы должны использовать, зависит от того, какие типы соединений поддерживает ваша аппаратура. Используйте следующие разделы,...
Страница 71 - Несколько слов о HDMI; Аудио/видео ресивер поддерживает HDCP; Поддерживаемые аудио форматы
71 Ру Несколько слов о HDMI • 2-канальная линейная PCM (ИКМ, 32-192 кГц, 16/20/24 разряда) • Многоканальная линейная PCM (ИКМ, до 7.1 каналов, 32-192 кГц, 16/20/24 разряда) • Цифровой поток (DSD, Dolby Digital, Dolby Digital Plus, Dolby TrueHD, DTS, DTS-HD High Resolution Audio, DTS-HD MAster Audio)...
Страница 72 - Использование RIHDсовместимых телевизоров,; О RIHDсовместимых компонентах
72 Ру Использование RIHDсовместимых телевизоров, плееров и рекордеров RIHD , что означает «Remote Interactive over HDMI», это название функции системного управления, которой оснащаются компоненты Onkyo. AV ресивер можно использовать с системой CEC (Consumer Electronics Control), которая позволяет у...
Страница 73 - HDMI IN 1; Смените каждый из пунктов в меню “HDMI Setup”; Подтвердите настройки.
73 Ру Как подсоединить и настроить 1 Подтвердите подключение и настройки. 1. Подсоедините выходной разъем HDMI OUT к входу HDMI телевизора. 2. Подсоедините выходной аудио разъем TV к входу OPTICAL IN 2 AV ресивера с помощью цифрового оптического аудио кабеля. Примечание • Когда задействована функция...
Страница 74 - ТЕХНИЧЕСКИЕ ХАРАКТЕРИСТИКИ; Усилительный тракт; Характеристики и возможности могут быть
74 Ру ТЕХНИЧЕСКИЕ ХАРАКТЕРИСТИКИ Усилительный тракт Видеотракт Тюнер Общие характеристики HDMI Видеовходы Видеовыходы Аудио входы Аудио выходы Прочие Характеристики и возможности могут быть изменены без предварительного уведомления. Номинальная выходная мощность Все каналы : (Североамериканская моде...