Oleo-Mac 753 T 6111-9004E1 - Инструкция по эксплуатации

Oleo-Mac 753 T 6111-9004E1

Триммер Oleo-Mac 753 T 6111-9004E1 - инструкция пользователя по применению, эксплуатации и установке на русском языке. Мы надеемся, она поможет вам решить возникшие у вас вопросы при эксплуатации техники.

Если остались дополнительные вопросы — свяжитесь с нами через контактную форму.

1 Страница 1
2 Страница 2
3 Страница 3
4 Страница 4
5 Страница 5
6 Страница 6
7 Страница 7
8 Страница 8
9 Страница 9
10 Страница 10
11 Страница 11
12 Страница 12
13 Страница 13
14 Страница 14
Страница: / 14
Загрузка инструкции

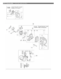
753 T Brushcutter - E n g i n e

"Загрузка инструкции" означает, что нужно подождать пока файл загрузится и можно будет его читать онлайн. Некоторые инструкции очень большие и время их появления зависит от вашей скорости интернета.

Характеристики

Другие модели - Триммеры Oleo-Mac

Все триммеры Oleo-Mac