Обогреватели ZILON ZVV-1.5Е9SG - инструкция пользователя по применению, эксплуатации и установке на русском языке. Мы надеемся, она поможет вам решить возникшие у вас вопросы при эксплуатации техники.
Если остались вопросы, задайте их в комментариях после инструкции.
"Загружаем инструкцию", означает, что нужно подождать пока файл загрузится и можно будет его читать онлайн. Некоторые инструкции очень большие и время их появления зависит от вашей скорости интернета.

14
РИС. 3 Схема электрическая ZVV-1.5Е9S, ZVV-1.5Е9SG
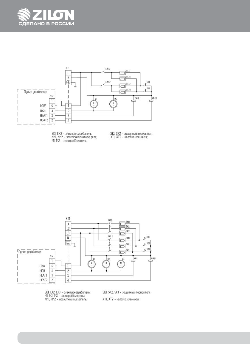
РИС. 2 Схема электрическая ZVV-1.0Е6S, ZVV-1.0Е6SG
EK1, ЕК2 - электронагреватель;
SK1, SK2 - защитный термостат;
КМ1, КМ2 - электромагнитное
реле;
ХТ1, XT2 - колодка клеммная;
М1, М2 - электродвигатель;
SA1 - сетевой выключатель;
SA2, SA3 - выключатели нагрева-
телей;
SK3 - терморегулятор.
ЕК1, ЕК2,
EK3
– нагревательные
элементы;
SА2, SА3 – выключатели
нагревателей;
М1, М2,
M3
– электродвигатели
вентиляторов;
SK1, SK2,
SK3
– защитные термостаты;
КМ1, КМ2 – магнитные пускатели;
SK4
– терморегулятор;
SА1
– сетевой выключатель;
ХТ1, ХТ2 – колодка клеммная.
Содержание
- 3 ОБЩИЕ УКАЗАНИЯ; стве о приемке и талоне на гарантийный ремонт; ТАБЛИЦА 1
- 4 ТАБЛИЦА 2; ТЕХНИЧЕСКИЕ ДАННЫЕ; Технические данные тепловентилятора указаны в таблице 2.; УСТРОЙСТВО И ПРИНЦИП РАБОТЫ
- 5 ПОДГОТОВКА К РАБОТЕ; ТАБЛИЦА 3
- 7 ТРЕБОВАНИЯ БЕЗОПАСНОСТИ
- 8 ТЕХНИЧЕСКОЕ ОБСЛУЖИВАНИЕ
- 9 Перечень возможных неисправностей приведен в таблице 4.; ТАБЛИЦА 4; ПРАВИЛА ТРАНСПОРТИРОВКИ И
- 10 мается с бесплатного гарантийного обслуживания.
- 11 УТИЛИЗАЦИЯ ПРИБОРА; Товар сертифицирован на территории Таможенного союза органом
- 14 ГАРАНТИЙНЫЙ ТАЛОН; ПОЗДРАВЛЯЕМ ВАС С ПРИОБРЕТЕНИЕМ!
- 16 сохраняется у покупателя; на гарантийное обслуживание













