Обогреватели ZILON ZTV-5 N1 - инструкция пользователя по применению, эксплуатации и установке на русском языке. Мы надеемся, она поможет вам решить возникшие у вас вопросы при эксплуатации техники.
Если остались вопросы, задайте их в комментариях после инструкции.
"Загружаем инструкцию", означает, что нужно подождать пока файл загрузится и можно будет его читать онлайн. Некоторые инструкции очень большие и время их появления зависит от вашей скорости интернета.

14
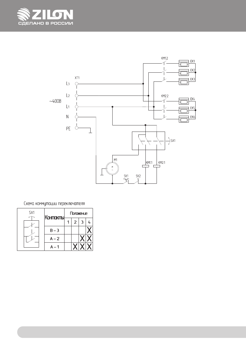
РИС. 6. СХЕМА ЭЛЕКТРИЧЕСКАЯ ZTV-15 N1
3 4
1 2 3 4
- 3
- 1
- 2
3 4
1 2 3 4
- 3
- 1
- 2
EK1 - EK6 - нагревательный элемент
М1 - электродвигатель
KМ1, KM2 - электромагнитный пускатель
SA1 - переключатель режимов работы
SK1 - терморегулятор
SK2 - защитный термостат
SK3 - термостат задержки включения электродвигателя
ХT1 - клеммная колодка
ГАРАНТИЙНЫЙ ТА ЛОН
Настоящий документ не ограничивает определенные
законом права потребителей, но дополняет и уточняет
оговоренные законом обязательства, предполагающие
соглашение Сторон, либо договор.
Убедительно просим вас во избежание недоразумений
до подключения/эксплуатации изделия внимательно из
-
учить его инструкцию по эксплуатации.
В конструкцию, комплектацию или технологию изготов
-
ления изделия с целью улучшения его технических ха
-
рактеристик могут быть внесены изменения. Такие из
-
менения вносятся без предварительного уведомления
Покупателя и не влекут обязательств по изменению/
улучшению ранее выпущенных изделий.
ВНЕШНИЙ ВИД И КОМПЛЕКТНОСТЬ ИЗДЕЛИЯ
Тщательно проверьте внешний вид изделия и его ком
-
плектность, все претензии по внешнему виду и ком
-
плектности предъявляйте Продавцу в момент получе
-
ния изделия.
ГАРАНТИЙНЫЙ СРОК
Гарантийный срок составляет
24 месяца
с момента
продажи Изделия.
Гарантийное обслуживание производится в соответст
-
вии с гарантийными обязательствами, перечисленны
-
ми в гарантийном талоне.
ГАРАНТИЙНОЕ ОБСЛУЖИВАНИЕ
Гарантийное обслуживание купленного вами прибора
осуществляется через Продавца или специализирован
-
ные сервисные центры.
По вопросам качества работы авторизованных сер
-
висных центров заполните форму обращения на сайте
www.zilon.ru
в разделе «Контакты»;
ВНИМАНИЕ!
Оборудование лишается гарантии Изготовителя в
случае, если монтажные, ремонтные или профилак
-
тические работы были выполнены несертифициро
-
ванной организацией/лицом.
Дополнительную информацию по продукту, его эксплу
-
атации и обслуживанию, список сервисных центров вы
можете получить у вашего Продавца или на вышеука
-
занном сайте.
ЗАПОЛНЕНИЕ ГАРАНТИЙНОГО ТАЛОНА
Внимательно ознакомьтесь с гарантийным талоном и
проследите, чтобы он был правильно заполнен и имел
штамп Продавца.
При отсутствии штампа Продавца и даты продажи (либо
кассового чека с датой продажи) гарантийный срок ис
-
числяется с даты производства изделия.
Запрещается вносить в гарантийный талон какие-либо
изменения, а также стирать или переписывать указан
-
ные в нём данные. Гарантийный талон должен содер
-
жать: наименование и модель изделия, его серийный
номер, дату продажи, а также подпись уполномоченно
-
го лица и штамп Продавца.
ОБЛАСТЬ ДЕЙСТВИЯ ГАРАНТИИ
Обслуживание в рамках предоставленной гарантии осу
-
ществляется только на территории РФ и распространя
-
ется на изделия, купленные на территории РФ.
Настоящая гарантия не дает права на возмещение и
покрытие ущерба, произошедшего в результате пере
-
делки или регулировки изделия, без предварительного
письменного согласия изготовителя, с целью приведе
-
ния его в соответствие с национальными или местными
техническими стандартами и нормами безопасности,
действующими в любой другой стране, кроме РФ, где
это изделие было первоначально продано.
ОБЕСПЕЧЕНИЕ ГАРАНТИЙНОГО ОБСЛУЖИВАНИЯ
В случае неисправности прибора по вине изготовителя
покупатель вправе обратиться к Продавцу или в автори
-
зованный сервисный центр Изготовителя.
НАСТОЯЩАЯ ГАРАНТИЯ РАСПРОСТРАНЯЕТСЯ НА
ПРОИЗВОДСТВЕННЫЕ ИЛИ КОНСТРУКЦИОННЫЕ ДЕ
-
ФЕКТЫ ИЗДЕЛИЯ
Выполнение ремонтных работ и замена дефектных
деталей изделия специалистами уполномоченного
сервисного центра производятся в сервисном центре.
Гарантийный ремонт изделия выполняется в срок не
более 45 дней. В случае, если во время устранения не
-
достатков товара станет очевидным, что они не будут
устранены в определённый соглашением Сторон срок,
Стороны могут заключить соглашение о новом сроке
устранения недостатков товара.
Гарантийный срок на комплектующие изделия (детали,
которые могут быть сняты с изделия без применения
каких-либо инструментов, т. е. ящики, полки, решётки,
корзины, насадки, щётки, трубки, шланги и др. подоб
-
ные комплектующие) составляет 3 (три) месяца.
Гарантийный срок на новые комплектующие, уста
-
новленные на изделие при гарантийном или платном
ремонте, либо приобретённые отдельно от изделия, со
-
ставляет 3 (три) месяца со дня выдачи отремонтирован
-
Благодарим вас за то, что вы отдали предпочтение оборудованию ZILON.
Вы сделали правильный выбор в пользу качественной техники.













