Обогреватели ZILON ZTV-30 - инструкция пользователя по применению, эксплуатации и установке на русском языке. Мы надеемся, она поможет вам решить возникшие у вас вопросы при эксплуатации техники.
Если остались вопросы, задайте их в комментариях после инструкции.
"Загружаем инструкцию", означает, что нужно подождать пока файл загрузится и можно будет его читать онлайн. Некоторые инструкции очень большие и время их появления зависит от вашей скорости интернета.

13
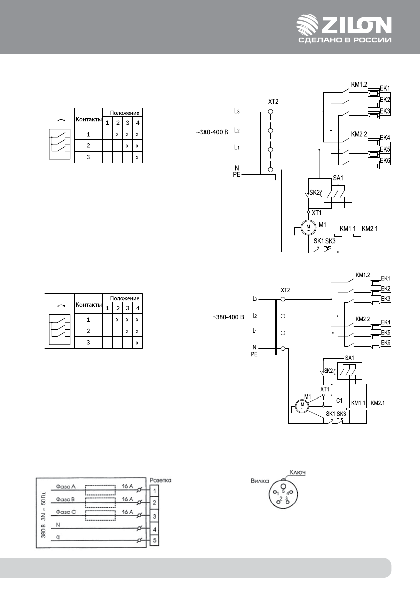
РИС. 9. СХЕМА ПОДКЛЮЧЕНИЯ РОЗЕТКИ
К СТАЦИОНАРНОЙ ЭЛЕКТРОСЕТИ. ЩИТ
ПИТАНИЯ
РИС.10. СХЕМА КОНТАКТОВ НА ВИЛКЕ
ЕК1...ЕК6 – электронагреватель
КМ1, КМ2 – электромагнитный пускатель
М1 – электродвигатель
SA1 – перек лючатель режимов работы
SK1 – защитный термостат
SK2 – термостат задержки выключения электродвигателя
SK3 – терморегулятор
ХТ1, ХТ2 – колодка к леммная
ЕК1...ЕК6 – электронагреватель
КМ1, КМ2 – электромагнитный пускатель
М1 – электродвигатель
SA1 – перек лючатель режимов работы
SK1 – защитный термостат
SK2 – термостат задержки выключения электродвигателя
SK3 – терморегулятор
С1 – конденсатор
ХТ1, ХТ2 – колодка к леммная.
1, 2, 3 – фазы L1, L2, L3;
4 – N;
5 – заземление РЕ.
РИС. 7. СХЕМА ЭЛЕКТРИЧЕСКАЯ ZTV-24
РИС. 8. СХЕМА ЭЛЕКТРИЧЕСКАЯ ZTV-30
Схема комму тации переключателя
Схема комму тации переключателя













