Обогреватели Timberk WS3 AERO II, TCH WS3 5M AERO II - инструкция пользователя по применению, эксплуатации и установке на русском языке. Мы надеемся, она поможет вам решить возникшие у вас вопросы при эксплуатации техники.
Если остались вопросы, задайте их в комментариях после инструкции.
"Загружаем инструкцию", означает, что нужно подождать пока файл загрузится и можно будет его читать онлайн. Некоторые инструкции очень большие и время их появления зависит от вашей скорости интернета.

Если неисправность не удается устранить в соответствии с рекомен-
дациями или при возникновении других неисправностей обратитесь в
авторизованный сервисный центр Timberk.
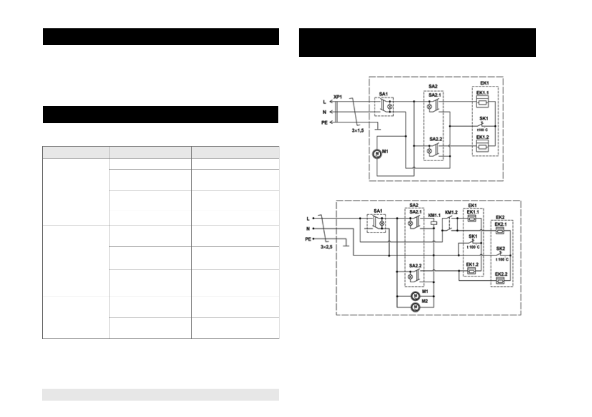
ЕК1/ЕК2 - нагревательные элементы;
КМ1 - магнитный пускатель;
М1/М2 - электродвигатели вентилятора;
Sa1 - выключатель вентилятора;
SA2 - выключатель режимов нагрева;
SK1/SK2 - термоограничитель;
ХР1 - вилка сетевая
Возможные неисправности и методы их устранения:
Модели THC WS3 2M AERO II , THC WS3 3M AERO II
Модель THC WS3 5M AERO II
9. УСТРАНЕНИЕ НЕИСПРАВНОСТЕЙ
Неисправность
Причина
Способ устранения
Завеса не включается
Отсутствует напряжение в электросети.
Проверить напряжение в электросети.
Обрыв кабеля управления выносного
пульта
Проверить целостность кабеля управ-
ления, неисправный кабель управления
заменить
Неправильно подключён пульт
управления
Проверить правильность подключения
пульта управления, при необходимости
изменить схему подключения.
Неисправны выключатели
Обратиться в Авторизованный Сервисный
Центр «Timberk».
Воздушный поток не
нагревается
Отключился термоограничитель
Подождать несколько минут до остывания
нагревательных элементов и включения
термоограничителя
Обрыв цепи питания нагревательных
элементов
Обратиться в Авторизованный Сервисный
Центр «Timberk».
Неисправны нагревательные элементы.
Обратиться в Авторизованный Сервисный
Центр «Timberk»
Снизилась скорость воздуш-
ного потока, наружный воздух
легко проникает в помещение
Неисправны выключатели
Обратиться в Авторизованный Сервисный
Центр «Timberk».
Сильно загрязнена перфорированная
решётка забора воздуха.
Очистить перфорированную решётку
забора воздуха.
8.1 При соблюдении требований безопасности и правил эксплуата-
ции завеса не требует специального технического обслуживания.
8.2 Необходимо периодически (не реже одного раза в месяц) про-
изводить чистку от пыли и загрязнений перфорированной решётки
забора воздуха и при необходимости других наружных поверхностей
завесы.
8. ОБСЛУЖИВАНИЕ
10. ПРИНЦИПИАЛЬНЫЕ ЭЛЕКТРИЧЕСКИЕ
СХЕМЫ
Рис. 6
Рис. 7
www.timberk.com • тепловая завеса
8
Содержание
- 2 Уважаемый покупатель!; При использовании тепловой завесы, необходимо соблюдать ряд мер; МЕРЫ ПРЕДОСТОРОЖНОСТИ; кассовым чеком, по возможности, картонной коробкой и упаковочным
- 3 Технические характеристики; Таблица 1; РАБОЧИЕ ХАРАКТЕРИСТИКИ
- 4 Размерные характеристики; Описание тепловой завесы серии THC WS3
- 6 УПРАВЛЕНИЕ ТЕПЛОВОЙ ЗАВЕСОЙ; Панель управления
- 8 УСТРАНЕНИЕ НЕИСПРАВНОСТЕЙ; ПРИНЦИПИАЛЬНЫЕ ЭЛЕКТРИЧЕСКИЕ
- 11 Гарантийные обязательства; Изготовитель оставляет за собой право:
- 13 Гарантийные обязательства Изготовителя не распространяются
- 14 Бланк гарантийного талона.; Заполняется фирмой-продавцом; Без подписи покупателя Гарантийный талон является недей-; ности (если прибор проверялся в его присутствии при продаже) приоб-