Обогреватели Тепломаш КЭВ-18П409Е - инструкция пользователя по применению, эксплуатации и установке на русском языке. Мы надеемся, она поможет вам решить возникшие у вас вопросы при эксплуатации техники.
Если остались вопросы, задайте их в комментариях после инструкции.
"Загружаем инструкцию", означает, что нужно подождать пока файл загрузится и можно будет его читать онлайн. Некоторые инструкции очень большие и время их появления зависит от вашей скорости интернета.

2.
-9
-12
-18
-24
-36
380
380
380
380
380
20
25
40
50
63
(
)
5
1,5
5
2,5
5 4,0
5
10,0
5 16,0
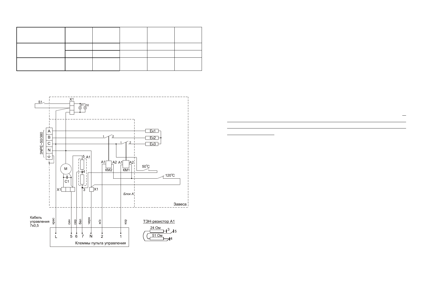
. 1.
-9 407
-12-
4.8
-
407
(1 .)
- 408
,
409
(2 .)
а
-
аща
.
-
,
,
,
( )
( .
.
8)
.
-
( . .
4.9).
4.9
!
-
.
.
-
,
(
1
-
2
.)
,
,
1
-
2
.
(
. .)
,
.
-
.
. .4.8.
4.10
-
,
,
-
.
5.
5.1
(
)
(
)
-
(
-016-2001).
5.2
-
.
5.3
,
-
.
5.4
. 7.
8
.
-
.
5.5
-
,
,
,
.
-5-