Тепломаш КЭВ-18П409Е - Инструкция по эксплуатации - Страница 7

Обогреватели Тепломаш КЭВ-18П409Е - инструкция пользователя по применению, эксплуатации и установке на русском языке. Мы надеемся, она поможет вам решить возникшие у вас вопросы при эксплуатации техники.

Если остались вопросы, задайте их в комментариях после инструкции.

"Загружаем инструкцию", означает, что нужно подождать пока файл загрузится и можно будет его читать онлайн. Некоторые инструкции очень большие и время их появления зависит от вашей скорости интернета.
Страница:
/ 11
Загружаем инструкцию
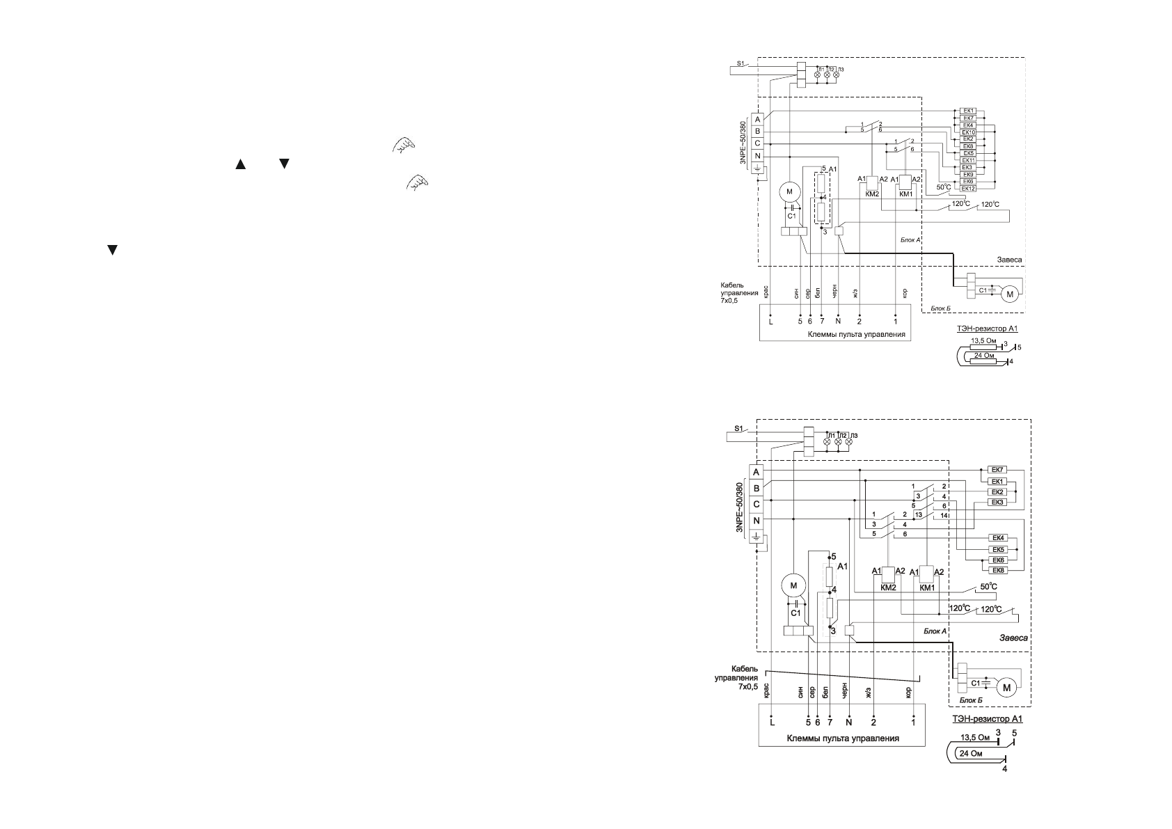
background image

   

LCD-

 

 

 

 

 

 

:

 

 

 

 

 

   

   

    +5

0

   

+35

0

 

 

 

 

 +5

0

 

 

  «LO» 

   

-

 «

», 

 

 

 

 +35

0

 

 «HI».

 

 

 

 

  (

   

 

   

 

 

 

 

 

 

 

 

 

   

 

 

-

 

 

 

 10 

 

 

   

.

 

 

 

 

   

 

    50% 

 

 

  «

-

»,   100% 

 –

 

 «

»   «

». 

 

 

 

   

 

  (

 

 

  

 

 

 

   

 

 

 

  (

 

 

 

 

 

 

 

).

 

4.5 

 

 

 

 

 

 

 

 

-

407

 

 

 

- 408

409

.   

 

 

 

-

 

 

 

 

 

 

 

 

   

 

 

 

,  . . 

   

 

   

 

 

 

 

 

  , 

          . .

 

 

 

я

 

 

 

 

 

 

   

 

-

 

 

   

   

 

 

   

 

 

 

   

-

 (

). 

 

 

-

 

   

5.  

4.6 

 

 

   

   

 

-

 

   

 

 

 

 

 

 

     

 

 

   

 

 

 

 

 

 

   

   

-

   

,   

 

 

 

 

   

-

   

 

 

 

 

 

 

 

 

 

 

 

.

 

4.7 

 

 

 

 

 

    

 

 

 

 

   

 

 

 

   

 

 

 

 

 

-

 (  

 

 

); 

 

 

   

 

;

 

 

 

 

 

 

 

,   

 

 

 (

 

   

 

 

-

), 

 

   

 

 

   

 

 

.

 

 

 

-4- 

2

 

 

-18 408  

 

 

3. 

 

 

-24 409  

 

 

-13- 

Полезные видео

Характеристики

Оцените статью
tehnopanorama.ru
Остались вопросы?

Не нашли свой ответ в руководстве или возникли другие проблемы? Задайте свой вопрос в форме ниже с подробным описанием вашей ситуации, чтобы другие люди и специалисты смогли дать на него ответ. Если вы знаете как решить проблему другого человека, пожалуйста, подскажите ему :)

Задать вопрос

Часто задаваемые вопросы
Как посмотреть инструкцию к Тепломаш КЭВ-18П409Е?
Необходимо подождать полной загрузки инструкции в сером окне на данной странице
Руководство на русском языке?
Все наши руководства представлены на русском языке или схематично, поэтому вы без труда сможете разобраться с вашей моделью
Как скопировать текст из PDF?
Чтобы скопировать текст со страницы инструкции воспользуйтесь вкладкой "HTML"