Обогреватели Тепломаш КЭВ-175П5061W (IP54) 135007 - инструкция пользователя по применению, эксплуатации и установке на русском языке. Мы надеемся, она поможет вам решить возникшие у вас вопросы при эксплуатации техники.
Если остались вопросы, задайте их в комментариях после инструкции.
"Загружаем инструкцию", означает, что нужно подождать пока файл загрузится и можно будет его читать онлайн. Некоторые инструкции очень большие и время их появления зависит от вашей скорости интернета.
Загружаем инструкцию

14
3
3
3
2
2
2
1
1
1
5
5
5
4
4
4
X1
X2
X3
3
3
3
3
3
3
5
5
5
5
5
5
4
4
4
4
4
4
0
t C
ì
0
t C
ì
0
t C
ì
Ì1
Ì2
Ì3
À1
À
2
À
3
À
4
À
5
À
6
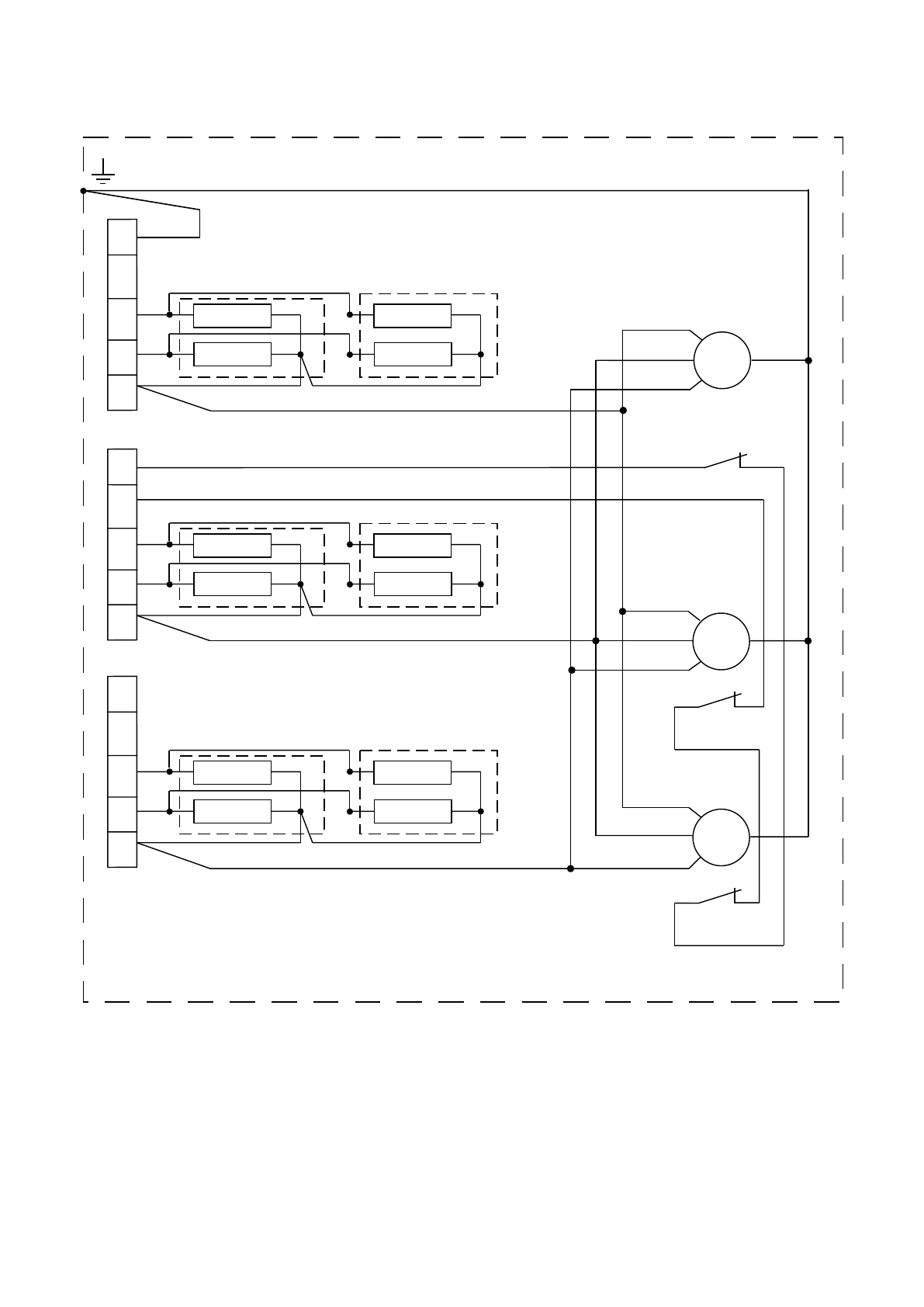
Рисунок 8. Электрическая схема завесы КЭВ-175П5061W
3
ТЭН-резистор А1, А2, А3
3
R1
R
2R1
2
R2
4
4
5
5
Содержание
- 2 Ваши замечания и предложения присылайте по адресу; СОДЕРЖАНИЕ
- 4 УСТРОЙСТВО И ПОРЯДОК РАБОТЫ
- 5 Вид А
- 6 приобретаются отдельно согласно проекта защиты проема.; УКАЗАНИЕ МЕР БЕЗОПАСНОСТИ
- 7 КОМПЛЕКТНОСТЬ; ТРЕБОВАНИЯ К УСТАНОВКЕ И ПОДКЛЮЧЕНИЮ
- 8 Зав
- 10 СВЕДЕНИЯ ОБ УТИЛИЗАЦИИ; Использование непригодной завесы ЗАПРЕЩЕНО!; ВОЗМОЖНЫЕ НЕИСПРАВНОСТИ И СПОСОБЫ ИХ УСТРАНЕНИЯ
- 11 ГАРАНТИЙНЫЕ ОБЯЗАТЕЛЬСТВА
- 12 Рисунок 6. Габаритные и присоединительные размеры
- 15 ДЛЯ ЗАМЕТОК
- 16 СВИДЕТЕЛЬСТВО О ПРИЕМКЕ; Дата изготовления; СВИДЕТЕЛЬСТВО О ПУСКОНАЛАДОЧНЫХ ИСПЫТАНИЯХ; Дата испытания; СБ