Обогреватели КЭВ-П7020A Тепломаш 117003u - инструкция пользователя по применению, эксплуатации и установке на русском языке. Мы надеемся, она поможет вам решить возникшие у вас вопросы при эксплуатации техники.
Если остались вопросы, задайте их в комментариях после инструкции.
"Загружаем инструкцию", означает, что нужно подождать пока файл загрузится и можно будет его читать онлайн. Некоторые инструкции очень большие и время их появления зависит от вашей скорости интернета.

8
N
L
Разветвительная
коробка
Разветвительная
коробка
Каб
ель
управ
ления
Каб
ель
управ
ления
Кабель управления
Кабель управления
Сеть 3NPE~50Гц 380В
Сеть 3NPE~50Гц 380В
Кабель
управления
Кабель
управления
Силовой
кабель
Силовой
кабель
Силовой
кабель
Силовой
кабель
Силовой
кабель
Силовой
кабель
Завеса 1
Завеса 1
Завеса 2
Завеса 2
Завеса 3...10
Завеса 3...10
1 2
7
5
1
1
1
1
2
2
2
2
3
3
3
3
6
IR03
черн
черн
сер
сер
син
син
син
син
кор
кор
кор
кор
ж/з
ж/з
ж/з
ж/з
N
N
N
L
L
L
1
1
1
2
2
2
7
7
7
5
5
5
6
6
6
IR03
БЛОК-WA
черн
кор
крас
син
сер
бе
л
ж/з
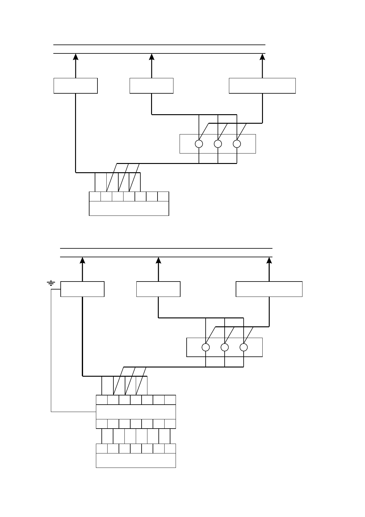
Рисунок 4. Схема подключения более двух завес к одному пульту управления IR03 без БЛОК-WA.
N
L
Разветвительная
коробка
Разветвительная
коробка
Каб
ель
управ
ления
Каб
ель
управ
ления
Кабель управления
Кабель управления
Сеть 3NPE~50Гц 380В
Сеть 3NPE~50Гц 380В
Кабель
управления
Кабель
управления
Силовой
кабель
Силовой
кабель
Силовой
кабель
Силовой
кабель
Силовой
кабель
Силовой
кабель
Завеса 1
Завеса 1
Завеса 2
Завеса 2
Завеса 3...10
Завеса 3...10
1 2
7
5
1
1
1
1
2
2
2
2
3
3
3
3
6
IR03
черн
черн
сер
сер
син
син
син
син
кор
кор
кор
кор
ж/з
ж/з
ж/з
ж/з
N
N
N
L
L
L
1
1
1
2
2
2
7
7
7
5
5
5
6
6
6
IR03
БЛОК-WA
черн
кор
крас
син
сер
бе
л
ж/з
Рисунок 4.1. Схема подключения более двух завес к одному пульту управления IR03 с помощью БЛОК-WA.
Содержание
- 4 Вид А
- 7 ТРЕБОВАНИЯ К УСТАНОВКЕ И ПОДКЛЮЧЕНИЮ; Примечание – использовать кабели с многопроволочными жилами
- 10 СВЕДЕНИЯ ОБ УТИЛИЗАЦИИ; Использование непригодной завесы ЗАПРЕЩЕНО!; ВОЗМОЖНЫЕ НЕИСПРАВНОСТИ И СПОСОБЫ ИХ УСТРАНЕНИЯ
- 11 ГАРАНТИЙНЫЕ ОБЯЗАТЕЛЬСТВА
- 12 Рисунок 5. Габаритные и присоединительные размеры
- 15 Ñõåìà ýë. ïðèíöèïèàëüíàÿ; Ëèòåðà; ÍÏÎ «Òåïëîìàø»; Fê; Ñîåäèíèòü ñ êëåììîé; ÀÂ; источником тепла и без источника тепла «БЛОК-WA».
- 16 СВИДЕТЕЛЬСТВО О ПРИЕМКЕ; Дата изготовления; СВИДЕТЕЛЬСТВО О ПОДКЛЮЧЕНИИ; Подключена к сети в соответствии с п.7 Паспорта; СБ