Обогреватели Kalashnikov KVC-D10E9-31 105001 - инструкция пользователя по применению, эксплуатации и установке на русском языке. Мы надеемся, она поможет вам решить возникшие у вас вопросы при эксплуатации техники.
Если остались вопросы, задайте их в комментариях после инструкции.
"Загружаем инструкцию", означает, что нужно подождать пока файл загрузится и можно будет его читать онлайн. Некоторые инструкции очень большие и время их появления зависит от вашей скорости интернета.

21
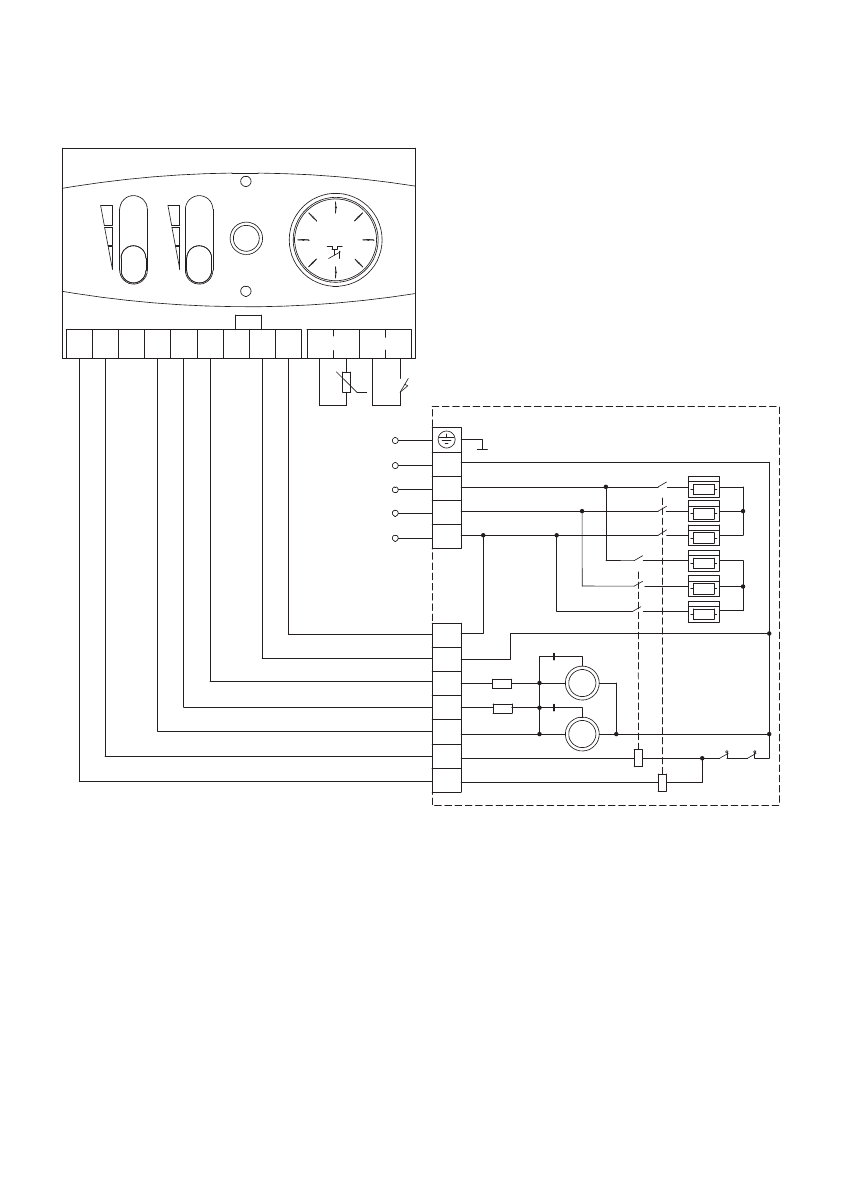
Рисунок 19. Схема электрическая принципиальная завес KVС-D20E24-31 и KVС-D20E36-31
t
°
ХТ1
L1
L2
L3
N
5
6
8
9
4
R1
2
ХТ2
R2
1
EK2
EK3
EK1
EK4
EK5
EK6
С2
M1
~
M2
~
С1
*
R1 > R2
~400V
t,°C
SK1
S1
(green)
(red)
Те плова я з а ве с а
SK2 SK3
KМ
2.1
KМ
1.1
KМ
1.2
KМ
2.2
RK1
SQ1
ХТ3
ХТ4
1
2
8
9
3
4
5
6
7
NTC
DOOR
SA1
SA2
LED-2
LED-1
EK1 - ЕК6 - электронагреватели;
КМ1, КМ2 - контакторы;
LED1 - индикатор работы вентиляции;
LED2 - индикатор работы нагрева;
М1, М2 - электродвигатель;
C1, С2 - конденсатор;
R1, R2 - нагрузка;
S1 - кнопка ВКЛ/ВЫКЛ;
SQ1 - датчик двери;
SK1 - терморегулятор;
SK2, SK3 - защитный термостат без автовозврата;
ХТ1-XT4 - колодка клеммная;
SA2 - переключатель режимов вентиляции;
SA1 - переключатель режимов нагрева;
RK1 - термодатчик.













