Обогреватели Kalashnikov KVC-D10E9-31 105001 - инструкция пользователя по применению, эксплуатации и установке на русском языке. Мы надеемся, она поможет вам решить возникшие у вас вопросы при эксплуатации техники.
Если остались вопросы, задайте их в комментариях после инструкции.
"Загружаем инструкцию", означает, что нужно подождать пока файл загрузится и можно будет его читать онлайн. Некоторые инструкции очень большие и время их появления зависит от вашей скорости интернета.

19
t
°
ХТ1
L1
L2
L3
N
Те плова я з а ве с а
5
6
8
9
4
2
ХТ2
1
EK5
R2
R1
M1
~
С1
EK1
EK2
EK3
EK4
EK6
*
R1 > R2
SK2
~400V
t,°C
SK
1
S1
(green)
(red)
KМ 2.1
KМ 1.1
KМ 1.2
KМ 2.2
RK1
SQ1
ХТ3
ХТ4
1
2
8
9
3
4
5
6
7
NTC
DOOR
SA1
SA2
LED-2
LED-1
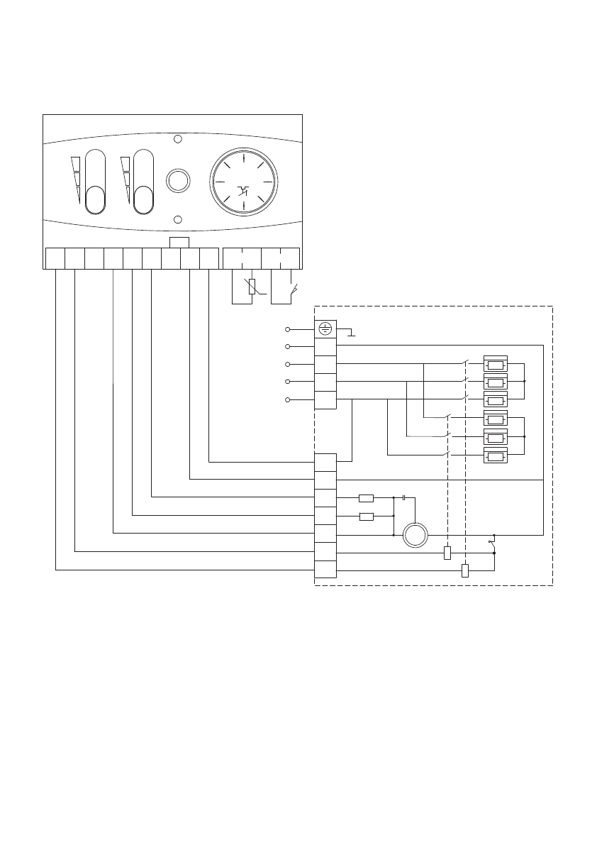
Ek1 - ЕК6 - электронагреватели;
КМ1, КМ2 - контакторы;
LED1 - индикатор работы вентиляции;
LED2 - индикатор работы нагрева;
М1 - электродвигатель;
C1 - конденсатор;
R1, R2 - нагрузка;
S1 - кнопка ВКЛ/ВЫКЛ;
SQ1 - датчик двери;
SK1 - терморегулятор;
SK2 - защитный термостат без автовозврата;
ХТ1-XT4 - колодка клеммная;
SA2 - переключатель режимов вентиляции;
SA1 - переключатель режимов нагрева;
RK1 - термодатчик.
Рисунок 17. Схема электрическая принципиальная завес KVС-D10E12-31, KVС-D10E18-31,
KVС-D15E12-31, KVС-D15E18-31 и KVС-D15E24-31













