Обогреватели Kalashnikov KVC-C20E18-31 104997 - инструкция пользователя по применению, эксплуатации и установке на русском языке. Мы надеемся, она поможет вам решить возникшие у вас вопросы при эксплуатации техники.
Если остались вопросы, задайте их в комментариях после инструкции.
"Загружаем инструкцию", означает, что нужно подождать пока файл загрузится и можно будет его читать онлайн. Некоторые инструкции очень большие и время их появления зависит от вашей скорости интернета.

22
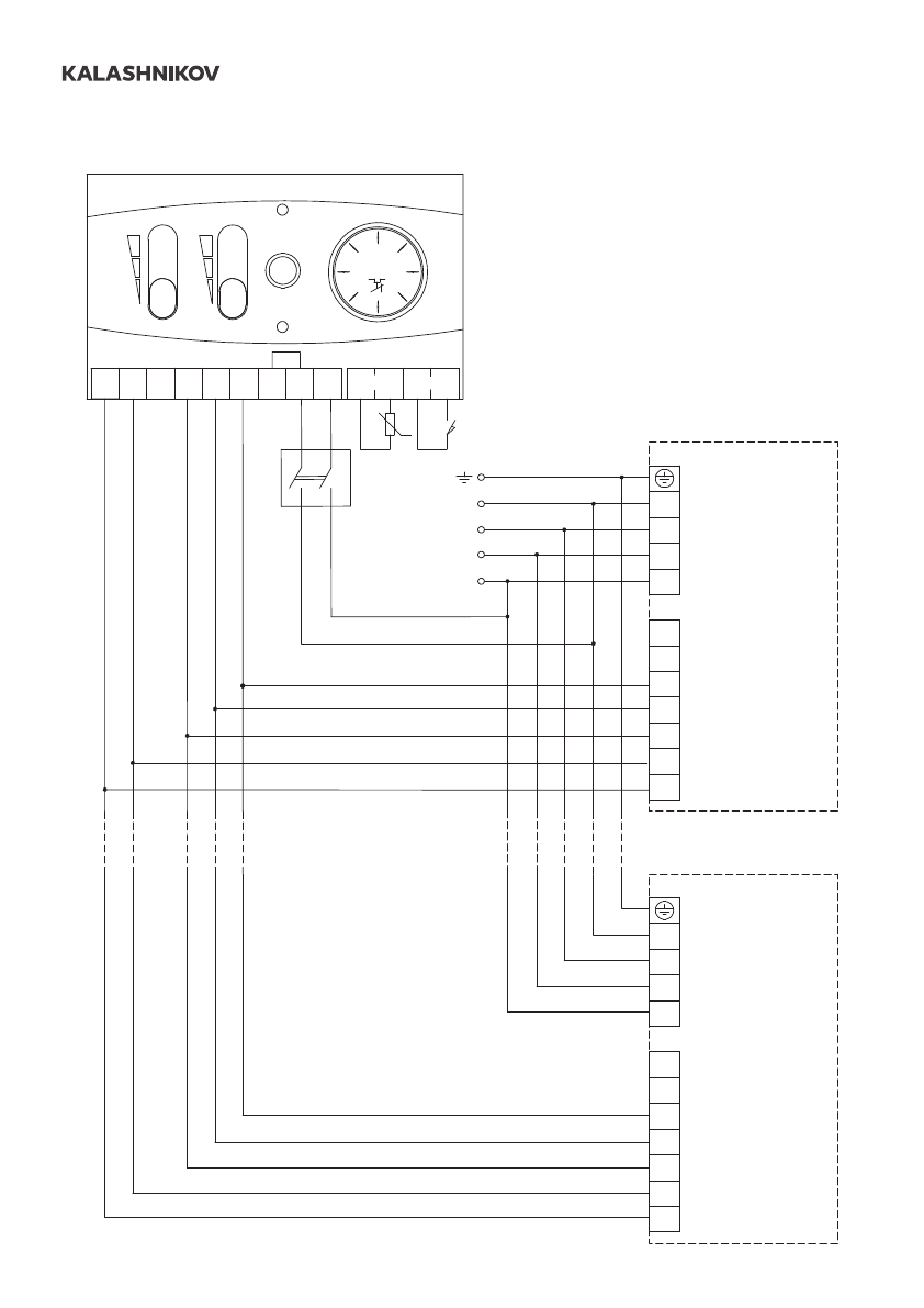
Рисунок 21. Схема электрическая подключения нескольких завес к одному контроллеру
LED1
- индикатор работы вентиляции;
LED2
- индикатор работы нагрева;
S1
- кнопка ВКЛ/ВЫКЛ;
SQ1
- датчик двери;
SK1
- терморегулятор;
ХТ1-XTn
- колодка клеммная;
SA2
- переключатель режимов вентиляции;
SA1
- переключатель режимов нагрева;
RK1
- термодатчик;
QF1
- автоматический выключатель.
RK1
t
°
SQ1
~
400V
ХТ3
ХТ4
ХТ1
L1
L2
L3
N
Тепловая завеса
5
6
8
9
4
2
ХТ2
1
ХТn
L1
L2
L3
N
Тепловая завеса
5
6
8
9
4
2
ХTn
1
N
N
N
N
N
N
N
N
N
N
1
2
3
4
5
6
7
8
9
NTC
DOOR
QF1
N
L1
L2
L3
t,
°
C
SK1
S1
LED-1
(green)
SA2
SA1
LED-2
(red)